GM Service Manual Online
For 1990-2009 cars only
Makes
🢒
Cadillac
🢒
2006
🢒
CTS
🢒
Body
🢒
Wiring Systems
🢒 Cruise Control Schematics
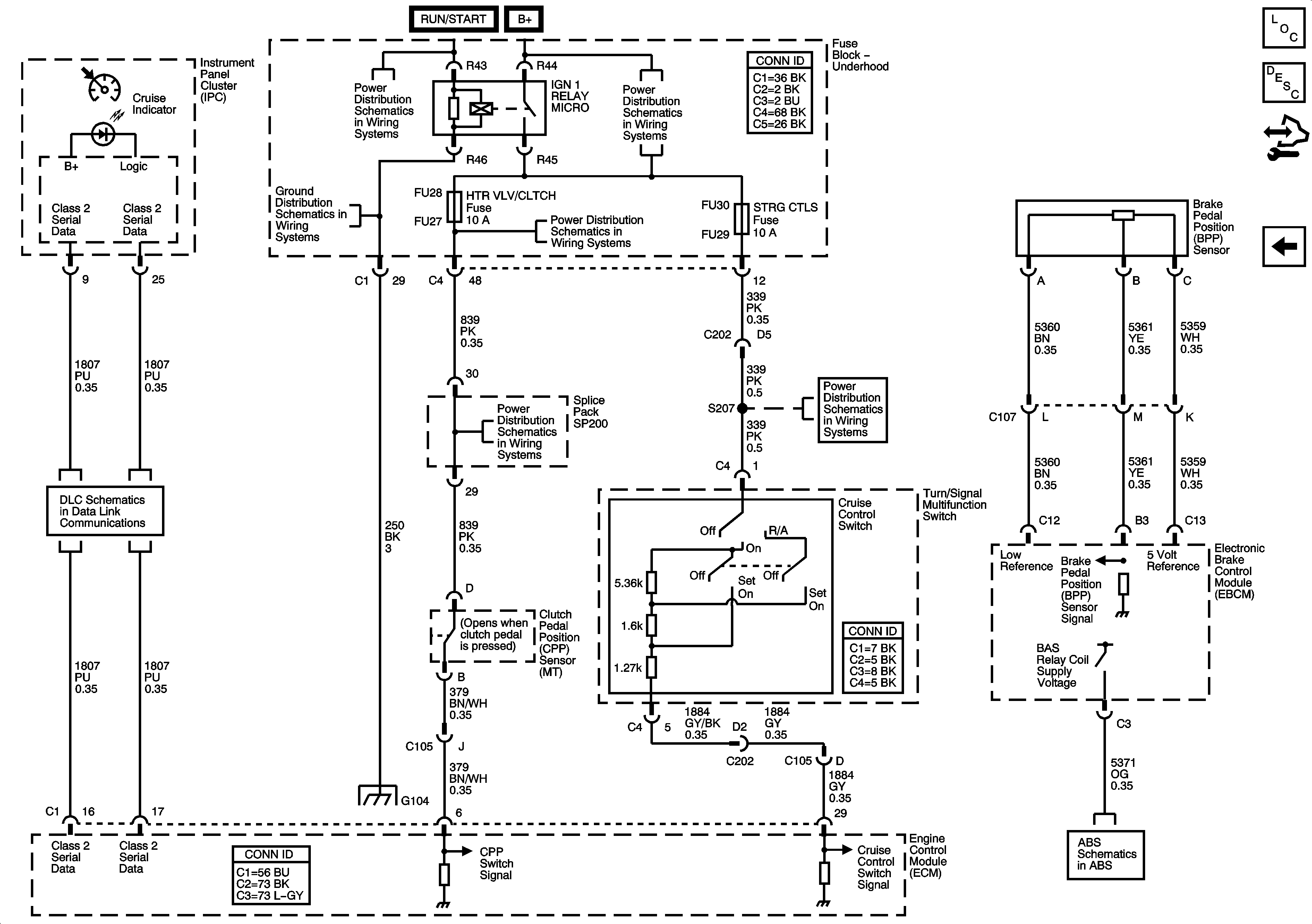
Figure
1:
Cruise Control System - 2.8L/3.6L (LP1/LY7)
Master Electrical Component List
Cruise Control Description and Operation
Control Module References
Cruise Control System - 6.0L (LS2)
BPP Sensor, Switches, and Indicators - 2.8L/3.6L (LP1/LY7)
Class 2 Serial Data Bus (RHD) - 1 of 2
G104 - 1 of 2
G104 - 1 of 2
Ignition Switch - 2 of 2
Underhood Fuse Block - STARTER Relay, IGN 1 Relay, HTR VLV/CLUTCH, and TCM/IPC Fuses
Underhood Fuse Block - STARTER Relay, IGN 1 Relay, HTR VLV/CLUTCH, and TCM/IPC Fuses
Underhood Fuse Block - WASH NOZ, STRG CTLS, and IGN MOD/MAF Fuses
Underhood Fuse Block B+ Bus - 2 of 2
Figure
2:
Cruise Control System - 6.0L (LS2)
Master Electrical Component List
Cruise Control Description and Operation
Control Module References
Cruise Control System - 2.8L/3.6L (LP1/LY7)
Class 2 Serial Data Bus (LHD) - 1 of 2
G104 - 1 of 2
Underhood Fuse Block - STARTER Relay, IGN 1 Relay, HTR VLV/CLUTCH, and TCM/IPC Fuses
G104 - 1 of 2
Ignition Switch - 2 of 2
Underhood Fuse Block - STARTER Relay, IGN 1 Relay, HTR VLV/CLUTCH, and TCM/IPC Fuses
Underhood Fuse Block B+ Bus - 2 of 2
Underhood Fuse Block - WASH NOZ, STRG CTLS, and IGN MOD/MAF Fuses
BPP Sensor, Switches, and Indicators - 2.8L/3.6L (LP1/LY7)