GM Service Manual Online
For 1990-2009 cars only
Makes
🢒
Cadillac
🢒
2006
🢒
CTS
🢒
Brakes
🢒
Antilock Brake System
🢒 Antilock Brake System Schematics
Figure
1:
Power, Ground, Serial Data, and DIC
Master Electrical Component List
ABS Description and Operation
Control Module References
Vehicle Stability Enhancement System (JL4) (J56 for LS2)
Right Rear Fuse Block - IGN 1 Relay, ARIBAG, RIM, BS, PSGR DR MOD, and TV/VICS Fuses
G401
Right Rear Fuse Block B+ Bus
Right Rear Fuse Block B+ Bus
G401
Underhood Fuse Block - DIM/ALDL, VOLT CHECK, FLASHER, CCP, ECM/TCM, and ABS Fuses
Class 2 Serial Data Bus (LHD) - 1 of 2
G102, G105, G110, G202, G204, and G306
Figure
2:
Vehicle Stability Enhancement System (JL4) (J56 for LS2)
Master Electrical Component List
ABS Description and Operation
Control Module References
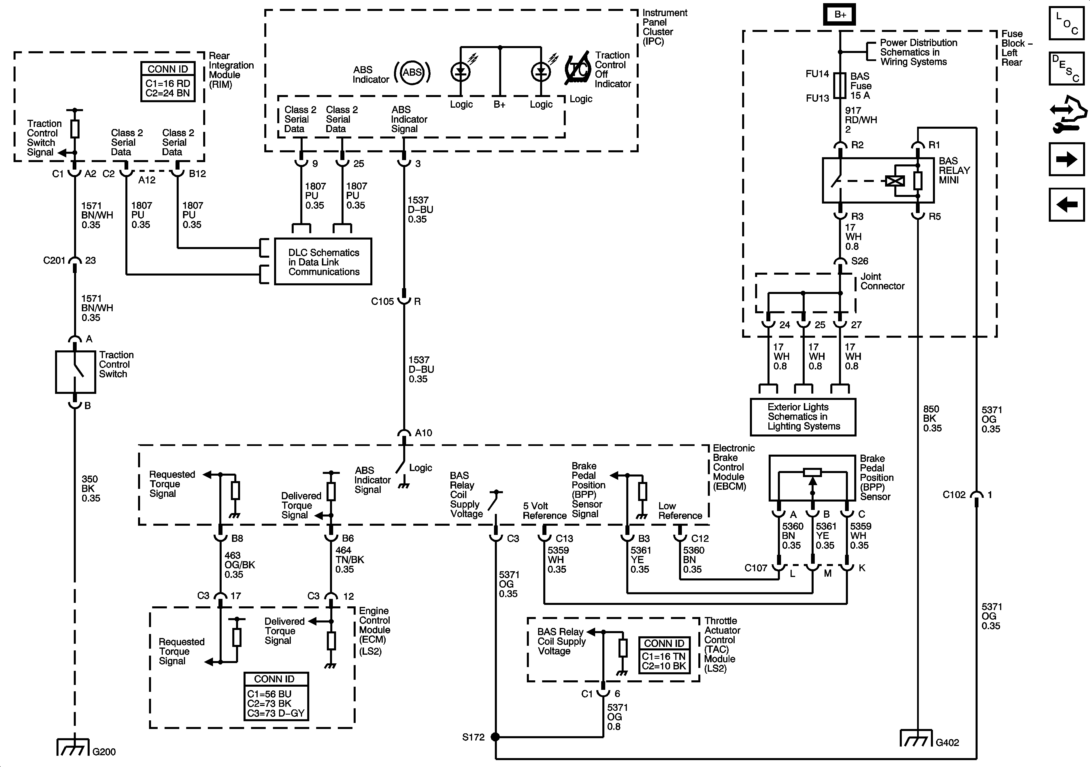
BPP Sensor, Switches, and Indicators - 2.8L/3.6L (LP1/LY7)
Power, Ground, Serial Data, and DIC
Figure
3:
Brake Pedal Position (BPP) Sensor, Switches, and Indicators - 2.8L/3.6L (LP1/LY7)
Master Electrical Component List
ABS Description and Operation
Control Module References
BPP Sensor, Switches, and Indicators - 6.0L (LS2)
Vehicle Stability Enhancement System (JL4) (J56 for LS2)
Class 2 Serial Data Bus (LHD) - 2 of 2
Class 2 Serial Data Bus (LHD) - 1 of 2
G201
G200
G402 - 2 of 2
Left Rear Fuse Block B+ Bus
Stop Lamps, BPP Sensor, and BAS Fuse/Relay - Domestic and Export
A/T Sensors, Solenoids, DIC, and Electronic PRNDL
Manual Transmission (M35)
Figure
4:
Brake Pedal Position (BPP) Sensor, Switches, and Indicators - 6.0L (LS2)
Master Electrical Component List
ABS Description and Operation
Control Module References
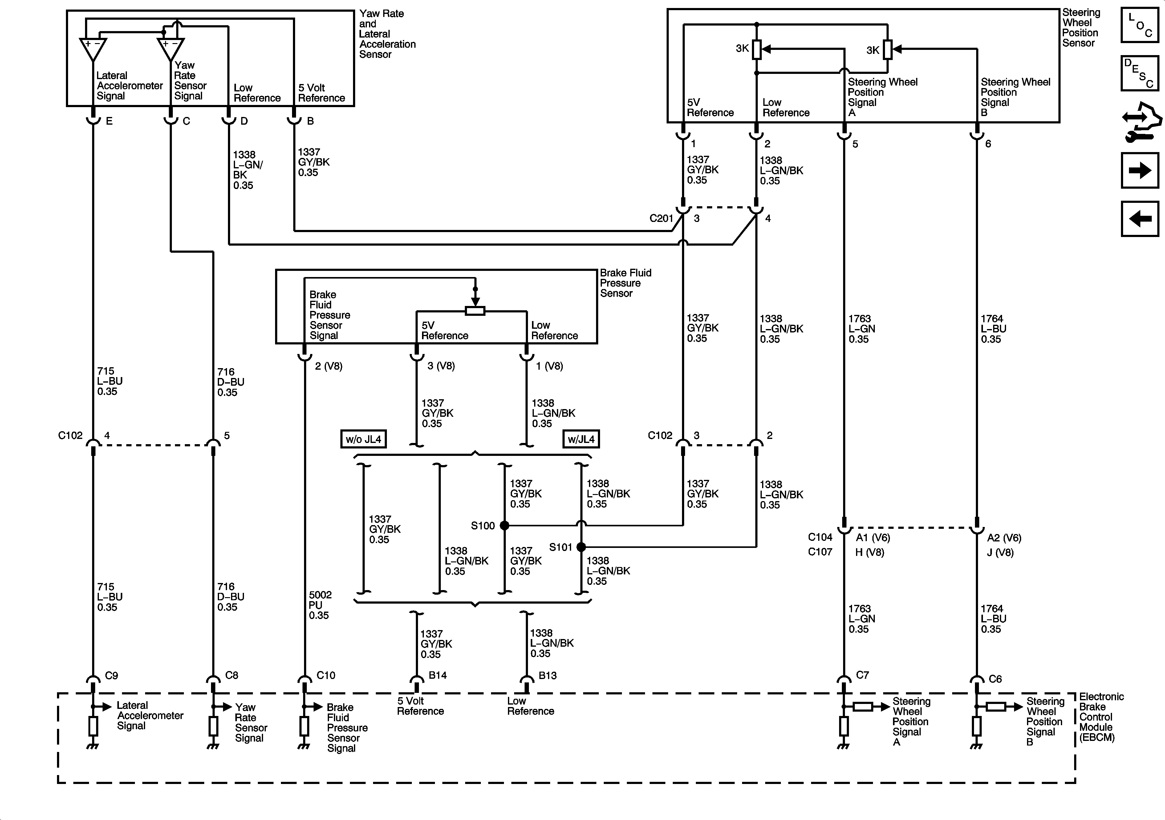
Wheel Speed Sensors and Variable Effort Steering Actuator
BPP Sensor, Switches, and Indicators - 2.8L/3.6L (LP1/LY7)
Class 2 Serial Data Bus (LHD) - 1 of 2
Stop Lamps, BPP Sensor, and BAS Fuse/Relay - Domestic and Export
G200
G402 - 2 of 2
Figure
5:
Wheel Speed Sensors and Variable Effort Steering Actuator
Master Electrical Component List
ABS Description and Operation
Control Module References
BPP Sensor, Switches, and Indicators - 6.0L (LS2)
Antilock Brake System Schematic Icons
Antilock Brake System Schematic Icons
Antilock Brake System Schematic Icons
Antilock Brake System Schematic Icons