GM Service Manual Online
For 1990-2009 cars only
Makes
🢒
Cadillac
🢒
2006
🢒
CTS
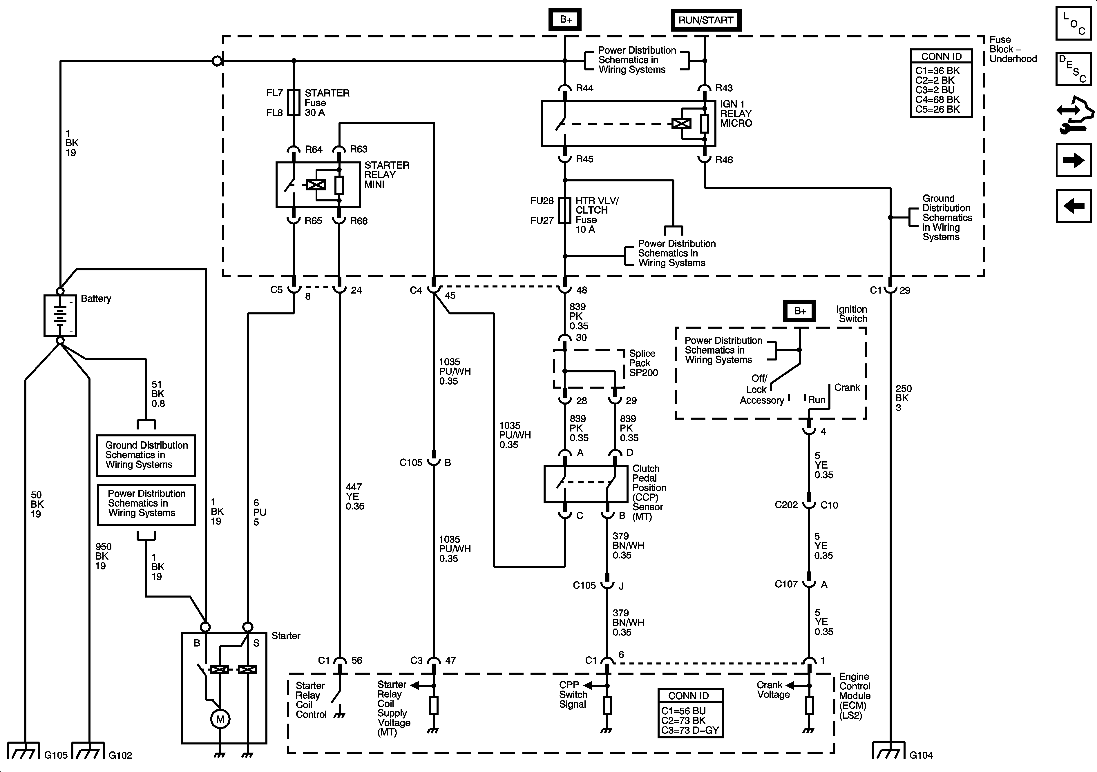
🢒 Starting System - 6.0L (LS2)
Starting System - 6.0L (LS2)
Starting System - 6.0L (LS2)
Master Electrical Component List
Starting System Description and Operation
Control Module References
Charging System - 2.8L/3.6L (LP1/LY7)
Starting System - 2.8L/3.6L (LP1/LY7)
G102, G105, G110, G202, G204, and G306
G102, G105, G110, G202, G204, and G306
G102, G105, G110, G202, G204, and G306
Underhood Fuse Block B+ Bus - 1 of 2
Underhood Fuse Block - STARTER Relay, IGN 1 Relay, HTR VLV/CLUTCH, and TCM/IPC Fuses
Underhood Fuse Block - STARTER Relay, IGN 1 Relay, HTR VLV/CLUTCH, and TCM/IPC Fuses
Ignition Switch - 1 of 2
G104 - 1 of 2
G104 - 1 of 2