GM Service Manual Online
For 1990-2009 cars only
Makes
🢒
Cadillac
🢒
2006
🢒
CTS
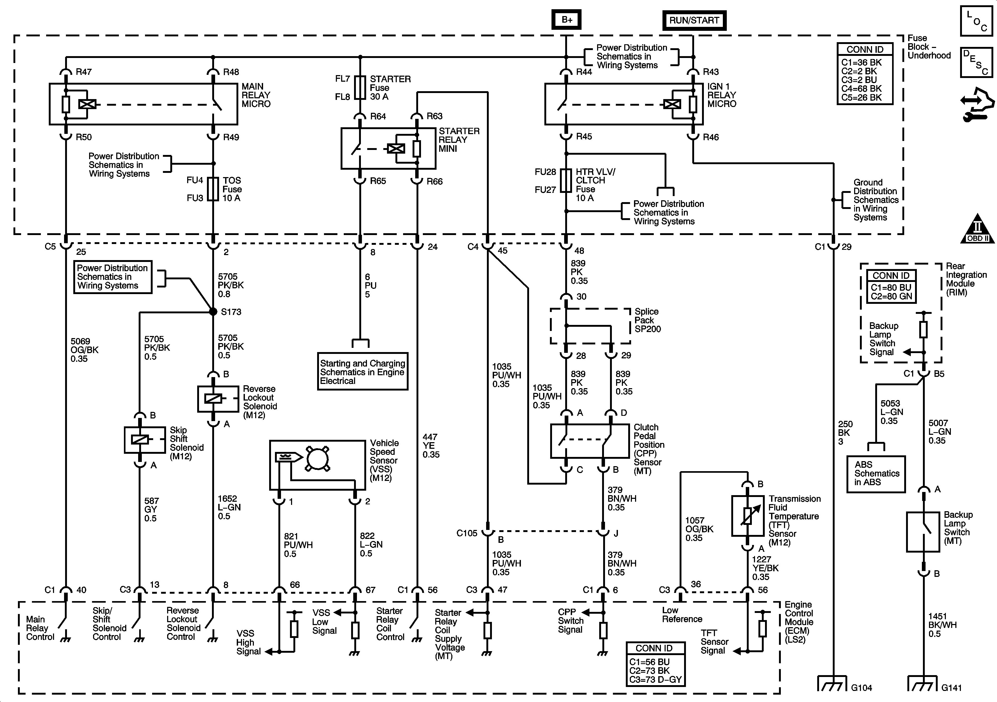
🢒 Manual Transmission (M12/MN6)
Manual Transmission (M12/MN6)
Master Electrical Component List
Manual Transmission Description and Operation
Control Module References
Manual Transmission Schematic Icons
Underhood Fuse Block - PRE O2/CAM Fuse
Underhood Fuse Block - COOLING FAN Fuses/Relays, MAIN Relay, ECM and TOS Fuses
Starting System - 2.8L/3.6L (LP1/LY7)
Underhood Fuse Block - STARTER Relay, IGN 1 Relay, HTR VLV/CLUTCH, and TCM/IPC Fuses
Underhood Fuse Block - STARTER Relay, IGN 1 Relay, HTR VLV/CLUTCH, and TCM/IPC Fuses
G104 - 1 of 2
G104 - 1 of 2
G130, G131, G132 and G133 (LY7)
BPP Sensor, Switches, and Indicators - 2.8L/3.6L (LP1/LY7)