GM Service Manual Online
For 1990-2009 cars only

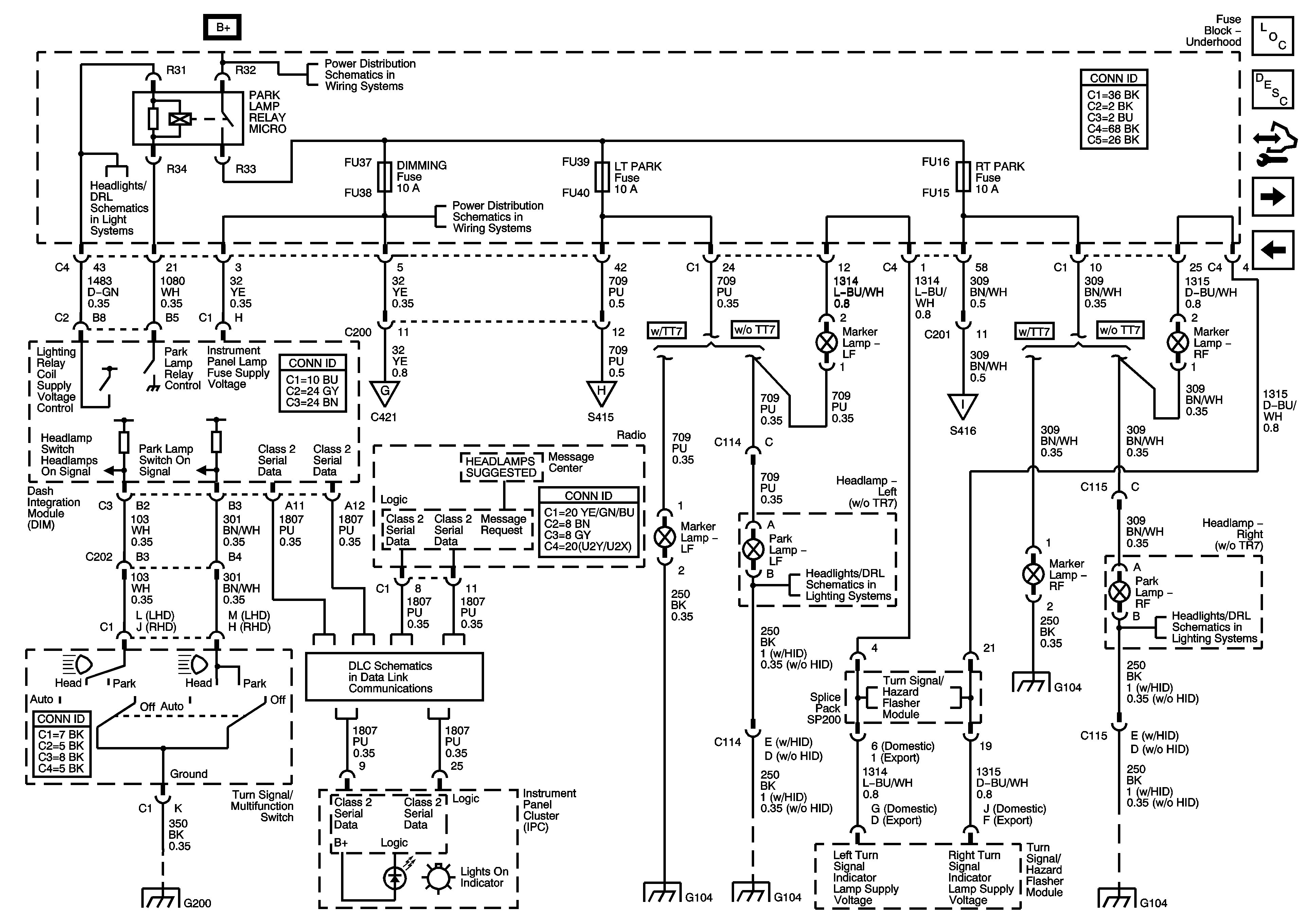
Front Marker Lamps (TT7) and Front Park Lamps (w/o TT7)

Front Marker Lamps (TT7) and Front Park Lamps (w/o TT7)


Object Number: 1589716  Size: FS
Master Electrical Component List
Exterior Lighting Systems Description and Operation
Control Module References
License Lamps, Rear Marker Lamps, and Tail Lamps
Turn Signal Lamps - Domestic and Export, and Repeator Lamps - Export w/T90
Headlamp Controls
Underhood Fuse Block B+ Bus - 1 of 2
Underhood Fuse Block - PARK LAMP Relay/Fuses and DIMMING Fuse
License Lamps, Rear Marker Lamps, and Tail Lamps
License Lamps, Rear Marker Lamps, and Tail Lamps
Class 2 Serial Data Bus (LHD) - 1 of 2
G200
G104 - 1 of 2
G104 - 2 of 2
Headlamps
Turn Signal/Hazard Flasher Module
License Lamps, Rear Marker Lamps, and Tail Lamps
G104 - 1 of 2
Headlamps
G104 - 2 of 2