GM Service Manual Online
For 1990-2009 cars only

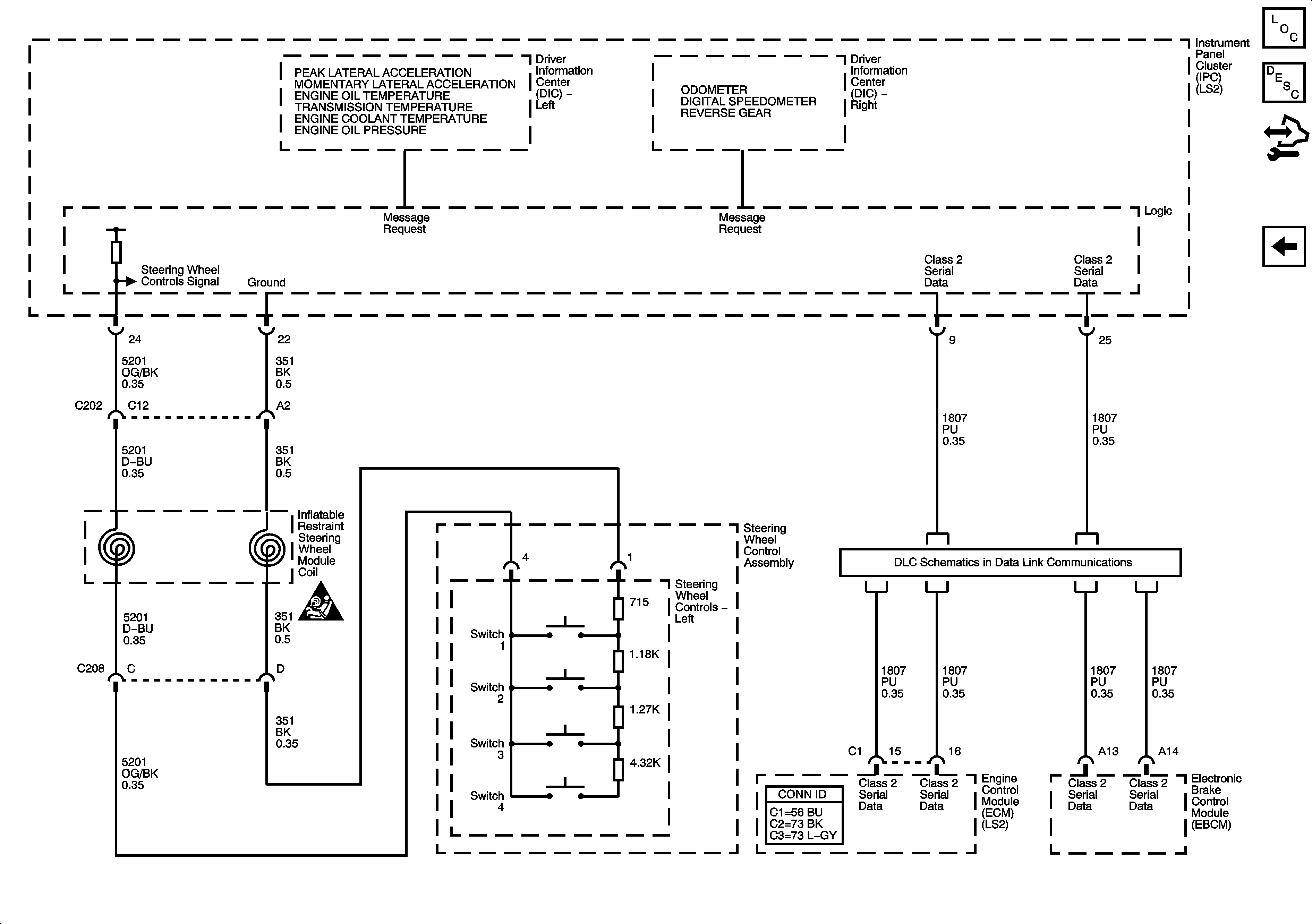
Driver Information Center (DIC) System 6.0L (LS2)

Driver Information Center (DIC) System - 6.0L (LS2)


Object Number: 1582850  Size: FS
Master Electrical Component List
Driver Information Center (DIC) Description and Operation (CTS and CTS-V)
Control Module References
Driver Information Center (DIC) System
SIR Schematic Icons
Class 2 Serial Data Bus (LHD) - 1 of 2