GM Service Manual Online
For 1990-2009 cars only

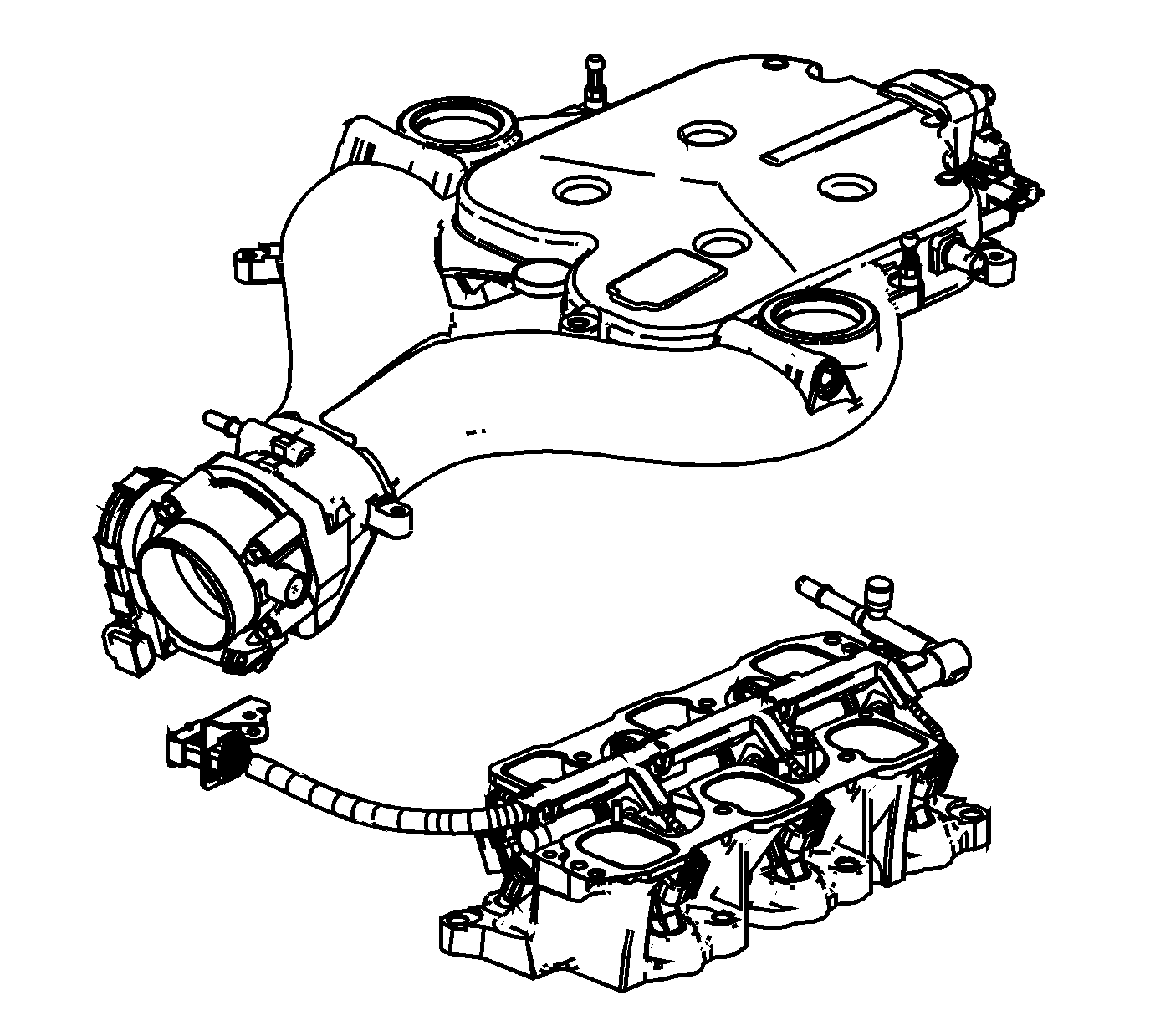
Upper to Lower Intake Manifold Disassemble Procedure


    Object Number: 1211049  Size: SH

    Important: Do not reuse the upper-to-lower intake manifold gasket and the intake manifold-to-cylinder head sealing gaskets.

  1. Remove the upper-to-lower intake manifold bolts.

  2. Object Number: 1318829  Size: SH
  3. Remove the fuel injector wiring harness bracket bolt from the upper intake manifold.

  4. Object Number: 1211055  Size: SH
  5. Remove the upper intake manifold from the lower intake manifold.

  6. Object Number: 1211059  Size: SH
  7. Remove and discard the upper-to-lower intake manifold gaskets.

Upper Intake Manifold Disassemble Procedure


    Object Number: 1211064  Size: SH
  1. Remove the throttle body bolts.
  2. Remove the throttle body.
  3. Remove and discard the throttle body gasket.

  4. Object Number: 1211071  Size: SH
  5. Remove the barometric pressure (BARO) sensor bolt.
  6. Remove the BARO sensor.

  7. Object Number: 1211080  Size: SH
  8. Remove the communicator valve bolts.
  9. Remove the communicator valve.

  10. Object Number: 1318830  Size: SH
  11. Remove the sight shield ball studs.

  12. Object Number: 1318832  Size: SH
  13. Remove the sight shield grommet.

Lower Intake Manifold Disassemble Procedure


    Object Number: 1211088  Size: SH
  1. Remove the fuel injector wiring harness.

  2. Object Number: 1211091  Size: SH
  3. Remove the fuel injector rail bolts.
  4. Remove the fuel injector rail.