GM Service Manual Online
For 1990-2009 cars only

    Object Number: 1199290  Size: SH
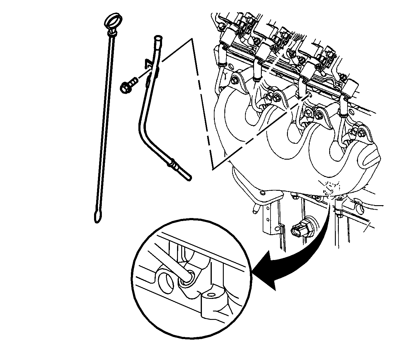
  1. Remove the oil level indicator from the tube.
  2. Remove the oil level indicator tube bolt from the right cylinder head.
  3. Remove the oil level indicator tube.
  4. Important: Inspect the O-ring seal for cuts or damage. The O-ring seal may be reused if not cut or damaged.

  5. Remove the O-ring seal from the tube, if required.