GM Service Manual Online
For 1990-2009 cars only

Removal Procedure

    Caution: Refer to Battery Disconnect Caution in the Preface section.


    Object Number: 1392497  Size: SH
  1. Disconnect the negative battery cable. Refer to Battery Negative Cable Disconnection and Connection .
  2. Notice: 

       • Carefully remove the fuel rail assembly in order to prevent damage to the injector electrical connector terminals and the injector spray tips. Support the fuel rail after the fuel rail is removed in order to avoid damaging the fuel rail components.
       • Prevent dirt and other contaminants from entering the open pipes and passages. Cap the fittings and plug the holes when servicing the fuel system.

  3. Remove the engine sight shield. Refer to Upper Intake Manifold Sight Shield Replacement .
  4. Relieve the fuel system pressure. Refer to the Fuel Pressure Relief .
  5. Clean the fuel rail assembly with a spray type engine cleaner, GM X-30A or equivalent, if necessary. Follow the package instructions. Do not soak the fuel rail in liquid cleaning solvent.

  6. Object Number: 1455623  Size: SH
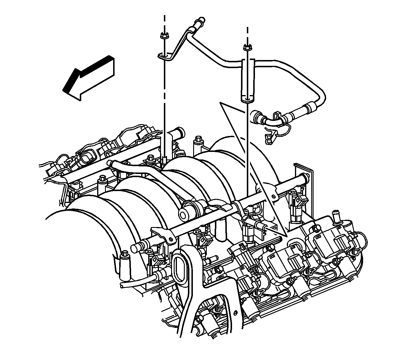
  7. Remove the engine compartment fuel line. Refer to Fuel Hose/Pipes Replacement - Engine Compartment .
  8. Disconnect the engine compartment evaporative emission (EVAP) line from the chassis EVAP line. Refer to Plastic Collar Quick Connect Fitting Service .
  9. Disconnect the fuel injector electrical connectors. Identify the connectors to their corresponding injectors in order to ensure the correct sequential injector firing order after reassembly.
  10. Remove the fuel injector wiring harness retainers from the fuel rail.

  11. Object Number: 260133  Size: MH
  12. Note the location of the fuel rail ground strap  (1) on the intake manifold. The fuel rail ground strap must be installed during assembly.

  13. Object Number: 222050  Size: SH
  14. Remove the fuel rail attaching bolts.
  15. Remove the fuel rail assembly.
  16. Remove the injector lower O-ring seal from the spray tip end of each injector.
  17. Discard the lower O-ring seals.

  18. Object Number: 217114  Size: SH
  19. Remove the fuel injectors, if necessary.
  20. Release the injector retainer clip.
  21. Remove the infector from the fuel rail.
  22. Remove the upper O-ring seal.

Installation Procedure


    Object Number: 217114  Size: SH
  1. Install the fuel injectors, if previously removed.
  2. Lubricate the upper O-ring seal with clean engine oil.
  3. Install the fuel injector to the fuel rail with the electrical connector facing outward.
  4. Secure the injector retainer clip.

  5. Object Number: 260133  Size: MH
  6. Note the location of the fuel rail ground strap (1) on the intake manifold. The fuel rail ground strap must be installed during assembly.

  7. Object Number: 222050  Size: SH
  8. Lubricate the new lower injector O-ring seals with clean engine oil.
  9. Install the new O-ring seals on the spray tip end of each injector.
  10. Caution: The fuel rail stop bracket must be installed onto the engine assembly. The stop bracket serves as a protective shield for the fuel rail in the event of a vehicle frontal crash. If the fuel rail stop bracket is not installed and the vehicle is involved in a frontal crash, fuel could be sprayed possibly causing a fire and personal injury from burns.

  11. Install the fuel rail assembly to the intake manifold.
  12. Apply a 5 mm (0.02 in) band of GM P/N 12345382 (Canadian P/N 10953489) threadlock or equivalent to the threads of the fuel rail bolts.
  13. Notice: Refer to Fastener Notice in the Preface section.

  14. Install the fuel rail attaching bolts.
  15. Tighten
    Tighten the fuel rail attaching bolts to 10 N·m (89 lb in).

  16. Install the fuel injector wire harness retainers to the fuel rail.
  17. Connect the fuel injector electrical connectors.
  18. • Install each connector on the proper injector in order to ensure the correct sequential injector firing order.
    • Rotate the injectors as required in order to avoid stretching the injector wiring harness.

    Object Number: 1455623  Size: SH
  19. Connect the engine compartment EVAP line to the chassis EVAP line. Refer to Plastic Collar Quick Connect Fitting Service .
  20. Install the engine compartment fuel line. Refer to Fuel Hose/Pipes Replacement - Engine Compartment .

  21. Object Number: 1392497  Size: SH
  22. Connect the negative battery cable. Refer to Battery Negative Cable Disconnection and Connection .
  23. Perform the following procedure in order to inspect for leaks:
  24. 16.1. Turn the ignition switch ON for 2 seconds.
    16.2. Turn the ignition switch OFF for 10 seconds.
    16.3. Turn the ignition switch ON.
    16.4. Inspect for fuel leaks.
  25. Install the engine sight shield. Refer to Upper Intake Manifold Sight Shield Replacement .