GM Service Manual Online
For 1990-2009 cars only

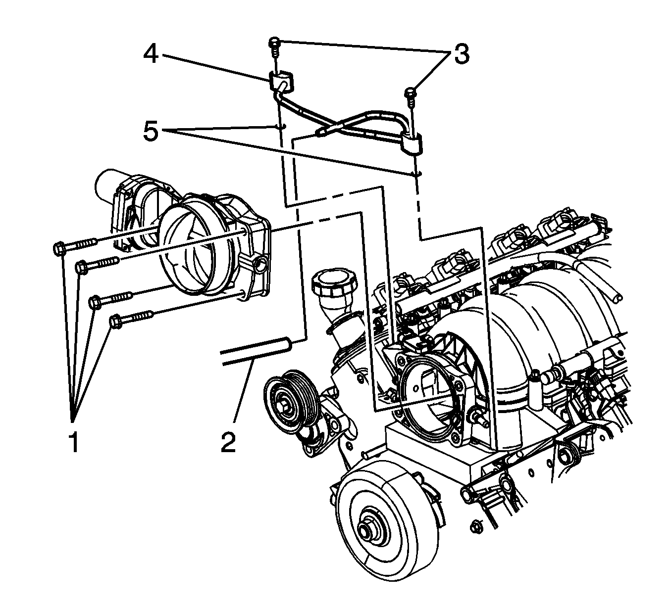
Removal Procedure

Important: Removal of the intake manifold is NOT required to service the coolant air bleed pipe, but is required to service the coolant air bleed pipe covers and/or gaskets.


    Object Number: 1480442  Size: SH
  1. Drain a gallon of coolant. Refer to Cooling System Draining and Filling .
  2. Remove the throttle body assembly (1). Refer to Throttle Body Assembly Replacement.
  3. Remove the coolant air bleed hose (2).
  4. Remove the coolant air bleed pipe mounting bolts (3).
  5. Remove the coolant air bleed pipe (4) and O-rings (5).

Installation Procedure


    Object Number: 1480442  Size: SH
  1. Position the coolant air bleed pipe (4) and O-rings (5) on the cylinder heads.
  2. Install the mounting bolts for the coolant air bleed pipe.
  3. Notice: Refer to Fastener Notice in the Preface section.

  4. Tighten the coolant air bleed pipe mounting bolts (3).
  5. Tighten
    Tighten the coolant air bleed pipe cover bolts to 12 N·m (106 lb in).

  6. Install the coolant air bleed hose (2).
  7. Install the throttle body assembly (1). Refer to Throttle Body Assembly Replacement.
  8. Refill the cooling system. Refer to Cooling System Draining and Filling.