GM Service Manual Online
For 1990-2009 cars only
Makes
🢒
Cadillac
🢒
2007
🢒
CTS
🢒
Diagnostic Navigation
🢒
Vehicle Diagnostic Information
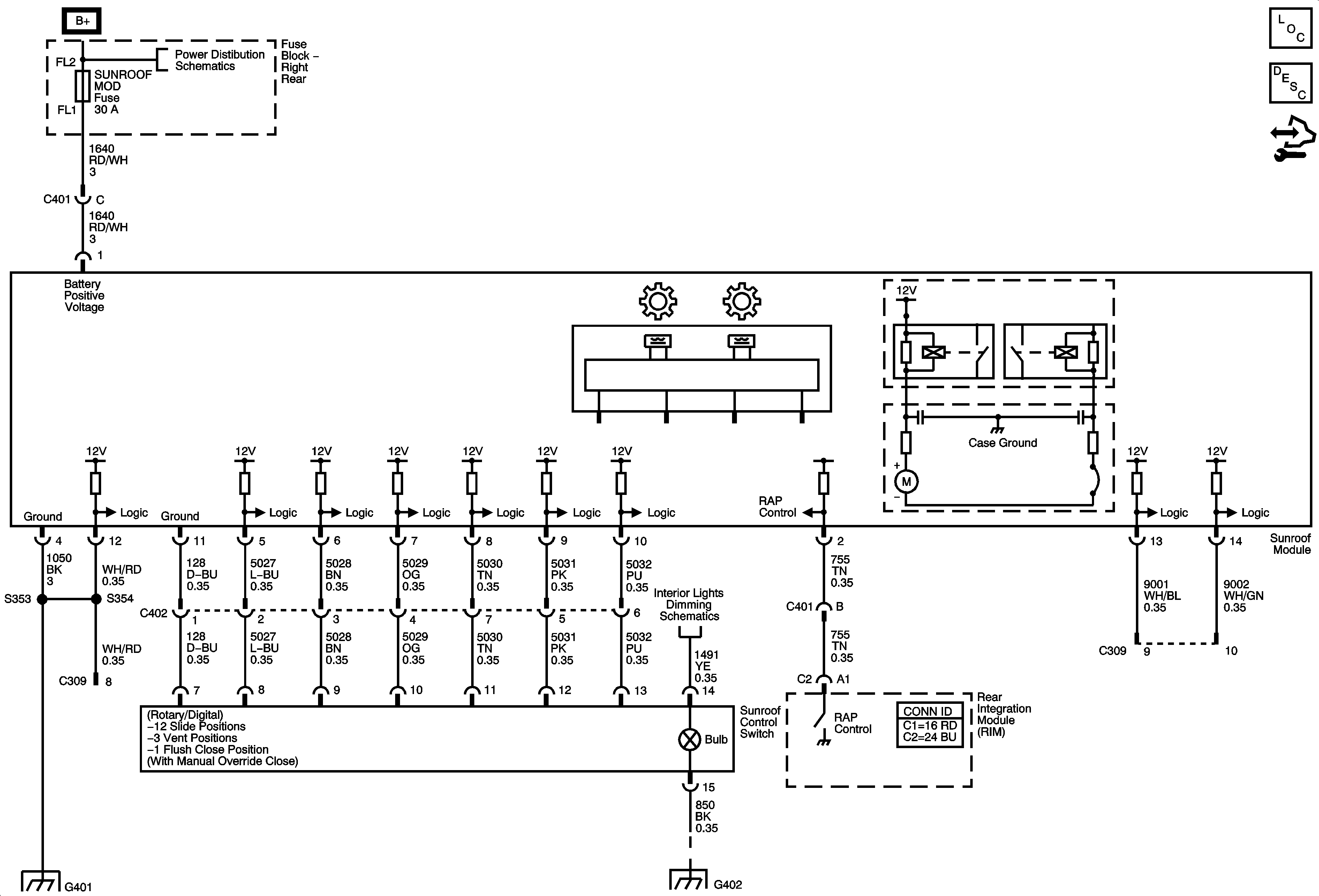
🢒 Sunroof Schematics
Power Sunroof (CF5) w/Jumper Harness
Master Electrical Component List
Sunroof Description and Operation
Control Module References
Right Rear Fuse Block B+ Bus
G401
G402 (1 of 2)
Power, Ground and Serial Data 1 of 2