GM Service Manual Online
For 1990-2009 cars only

Windshield Washer Solvent Container Replacement w/o CE4

Removal Procedure


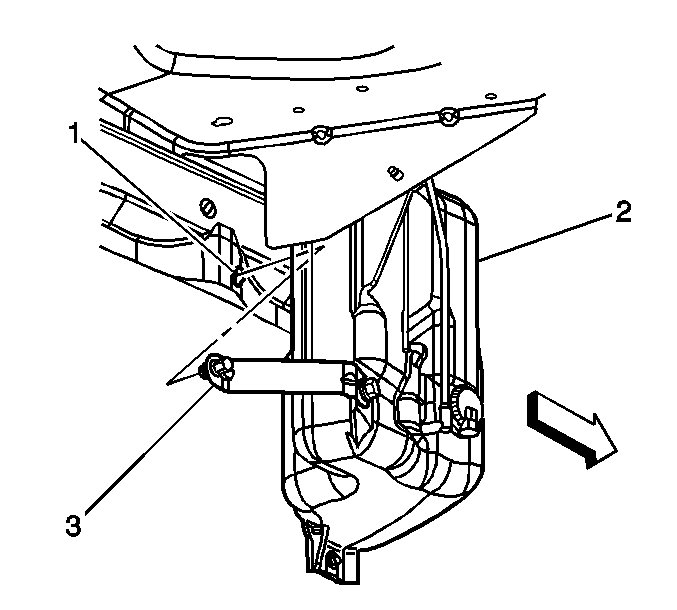
    Object Number: 776828  Size: SH
  1. Open the hood.
  2. Lift the corner of the condenser seal in order to access the bolt securing the washer solvent container neck to the upper tie bar.
  3. Remove the washer solvent container cap from the container.
  4. Remove the bolt (3) securing the washer solvent container fill neck (2) to the upper tie bar (1).

  5. Object Number: 738140  Size: SH
  6. Remove the lower air deflector. Refer to Front Air Deflector Replacement.
  7. Remove the front bumper fascia. Refer to Front Bumper Fascia Replacement.
  8. Remove the passenger side headlamp for LHD or the driver side headlamp for RHD. Refer to Headlamp Assembly or Headlamp Bulb and/or Cornering, Sidemarker, Park, Turn Signal Bulb Replacement.

  9. Object Number: 777928  Size: SH
  10. Drain the solvent from the washer solvent container.
  11. Disconnect the washer hose (8) from the washer pump (7).
  12. Disengage the electrical harness retainer clip from the washer solvent container (6).
  13. Disconnect the electrical connectors (4) from the washer pump and washer solvent level sensor.
  14. Remove the fasteners from the washer solvent container.

  15. Object Number: 776826  Size: SH
  16. Loosen the clinch nut (3) from the horizontal bracket to the body rail.
  17. Carefully lift the washer solvent container from the key hole slot (1) in the body rail.
  18. Guide the fill neck down through the radiator support.
  19. Remove the washer solvent container from the vehicle.

  20. Object Number: 497487  Size: SH
  21. Remove and transfer the following components from the washer solvent container:
  22. • The washer pump
    • The washer level sensor
    • The horizontal bracket
    • The washer container cap

Installation Procedure


    Object Number: 497487  Size: SH
  1. Install the following components to the washer solvent container:
  2. • The washer pump
    • The washer level sensor
    • The horizontal bracket
    • The washer container cap

    Object Number: 776826  Size: SH
  3. Position the washer solvent container filler neck up through the radiator support.
  4. Engage the electrical harness retainer clip to the washer solvent container.
  5. Engage the container over the stud on the tie bar outer reinforcement panel.
  6. Engage the clinch nut stud (3) to the key hole slot (1) in the body rail.

  7. Object Number: 777928  Size: SH
  8. Ensure the washer solvent container is positioned over the stud (3) on the tie bar outer reinforcement panel.
  9. Notice: Refer to Fastener Notice in the Preface section.

  10. Install the nuts (1,2,6) to the washer solvent container.
  11. Tighten
    Tighten the nuts (1,2,6) to 6 N·m (53 lb in).

  12. Tighten the clinch nut.
  13. Tighten
    Tighten the clinch nut to 6 N·m (53 lb in).

  14. Secure the horizontal bracket nut.
  15. Tighten
    Tighten the horizontal bracket nut to 6 N·m (53 lb in).

  16. Connect the washer hose (8) to the washer pump (7).
  17. Connect the electrical connector (4) to the washer pump.
  18. Connect the electrical connector to the washer solvent level sensor (5).
  19. Install the headlamp assembly. Refer to Headlamp Assembly or Headlamp Bulb and/or Cornering, Sidemarker, Park, Turn Signal Bulb Replacement.
  20. Install the front bumper fascia. Refer to Front Bumper Fascia Replacement.

  21. Object Number: 738140  Size: SH
  22. Install the lower air deflector. Refer to Front Air Deflector Replacement.

  23. Object Number: 776828  Size: SH
  24. Install the bolt (3) in order to secure the washer solvent container filler neck (2) to the upper tie bar (1).
  25. Tighten
    Tighten the bolt to 6 N·m (53 lb in).

  26. Reposition the condenser seal to the upper tie bar.
  27. Fill the washer solvent container.
  28. Install the washer solvent container cap to the washer solvent container.
  29. Close the hood.