GM Service Manual Online
For 1990-2009 cars only
Figure 1:

Battery and Fuse Blocks


Object Number: 1367736  Size: LF
(1)Fuse Block - Underhood
(2)Battery Positive Cable Connection to Fuse Block - Underhood
(3)Ground G105 (LHD)
(4)Battery Positive Cable (LHD)
(5)Battery (LHD)
(6)Battery Negative Cable (LHD)
(7)C103 (LHD)
(8)Fuse Block - Right Rear
(9)Fuse Block - Left Rear
(10)Battery (RHD)
(11)Battery Negative Cable (RHD)
(12)Ground G105 (RHD)
(13)C103 (RHD)
(14)Battery Positive Cable (RHD)
Figure 2:

Ground Locations


Object Number: 1535886  Size: MF
(1)G104
(2)G110
(3)G130 (LP1/LY7), G142 (LS2)
(4)G105 (LHD)
(5)G201
(6)G306
(7)G303
(8)G401
(9)G402
(10)G304
(11)G307
(12)G200
(13)G101
(14)G105 (RHD)
(15) G131 (LP1/LY7), G141 (LS2), G140 (LS2)
(16)G132 (LP1/LY7)
(17)G133 (LP1/LY7)
Figure 3:

Battery Negative Cable - 2.8L/3.6L (LP1/LY7)


Object Number: 1368965  Size: LF
(1)Ground G102
(2)Battery Negative Cable Connection to Battery
(3)Ground G105 (Attaches to Inner Fender Wall Near Battery)
(4)C103
Figure 4:

Engine Grounds - 2.8L/3.6L (LP1/LY7)


Object Number: 1368969  Size: LF
(1)Ground G130
(2)Ground G131
(3)Engine Control Module (ECM)
(4)Ground G132
(5)ECM Case Ground
(6)ECM Case Ground
(7)Engine Control Module (ECM)
(8)Ground G133
Figure 5:

Battery Negative Cable - 6.0L (LS2)


Object Number: 1368972  Size: LF
(1)Battery Negative Cable Connection to Battery
(2)C103
(3)Ground G105
(4)Ground G102
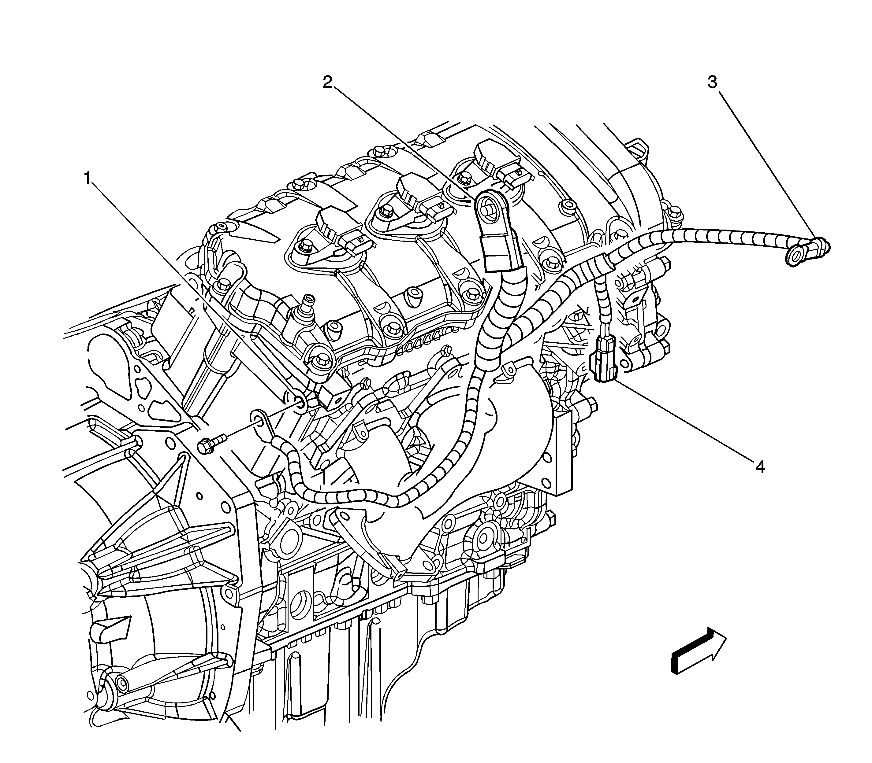
Figure 6:

Engine Grounds - 6.0L (LS2)


Object Number: 1751526  Size: LF
(1)Ground G141
(2)Ground G142
(3)Engine Oil Pressure (EOP) Sensor
(4)Ground G140
Figure 7:

Lower Left of the Engine Compartment


Object Number: 804233  Size: LF
(1)G101
(2)C105 (V8)
(3)C104 (V6) or C107 (V8)
(4)Wiring Harness Pass-through Grommet
Figure 8:

Passenger Compartment - Left Sail Panel


Object Number: 804273  Size: LF
(1)G303
(2)C308
(3)Inflatable Restraint Roof Rail Module - Driver Connector
(4)C305
(5)Rear Defogger Connector C1
Figure 9:

Passenger Compartment Grounds 1 of 2


Object Number: 1368983  Size: LF
(1)Body Harness Ground G201
(2)Body Harness Ground G303
(3)Body Harness Ground G304
(4)Body Harness Ground G200
Figure 10:

Passenger Compartment Grounds 2 of 2


Object Number: 1368984  Size: LF
(1)Body Harness Gound G307
(2)Body Harness Gound G306
Figure 11:

Rear Compartment Grounds


Object Number: 1368985  Size: LF
(1)Body Harness Ground G402
(2)Body Harness Ground G401
Figure 12:

Rear of the Vehicle


Object Number: 803970  Size: LF
(1)C421
(2)Rear Compartment Lid
(3)Rear Compartment Lid Release Actuator Connector
(4)Rear Compartment Lid Release Actuator
(5)S400
(6)Pass-through Grommet
(7)G401
(8)G402
(9)Pass-through Grommet
Figure 13:

Passenger Compartment - Right Sail Panel


Object Number: 1367799  Size: LF
(1)Inflatable Restraint Roof Rail Module - Passenger Connector
(2)Radio Antenna Coax Connector
(3)C311
(4)Cellular Antenna Coax Connector
(5)Cellular Antenna
(6)G303
(7)Rear Window Defogger Connector C2
(8)Rear Window Defogger Grid
(9)Splice S309
Figure 14:

Battery and Fuse Blocks


Object Number: 1367736  Size: LF
(1)Fuse Block - Underhood
(2)Battery Positive Cable Connection to Fuse Block - Underhood
(3)Ground G105 (LHD)
(4)Battery Positive Cable (LHD)
(5)Battery (LHD)
(6)Battery Negative Cable (LHD)
(7)C103 (LHD)
(8)Fuse Block - Right Rear
(9)Fuse Block - Left Rear
(10)Battery (RHD)
(11)Battery Negative Cable (RHD)
(12)Ground G105 (RHD)
(13)C103 (RHD)
(14)Battery Positive Cable (RHD)
Figure 15:

Ignition Key Alarm Switch


Object Number: 1347701  Size: LF
(1)Ignition Key Alarm Switch
(2)Ignition Switch
(3)Ignition Lock Cylinder Case