GM Service Manual Online
For 1990-2009 cars only
Makes
🢒
Cadillac
🢒
2007
🢒
CTS
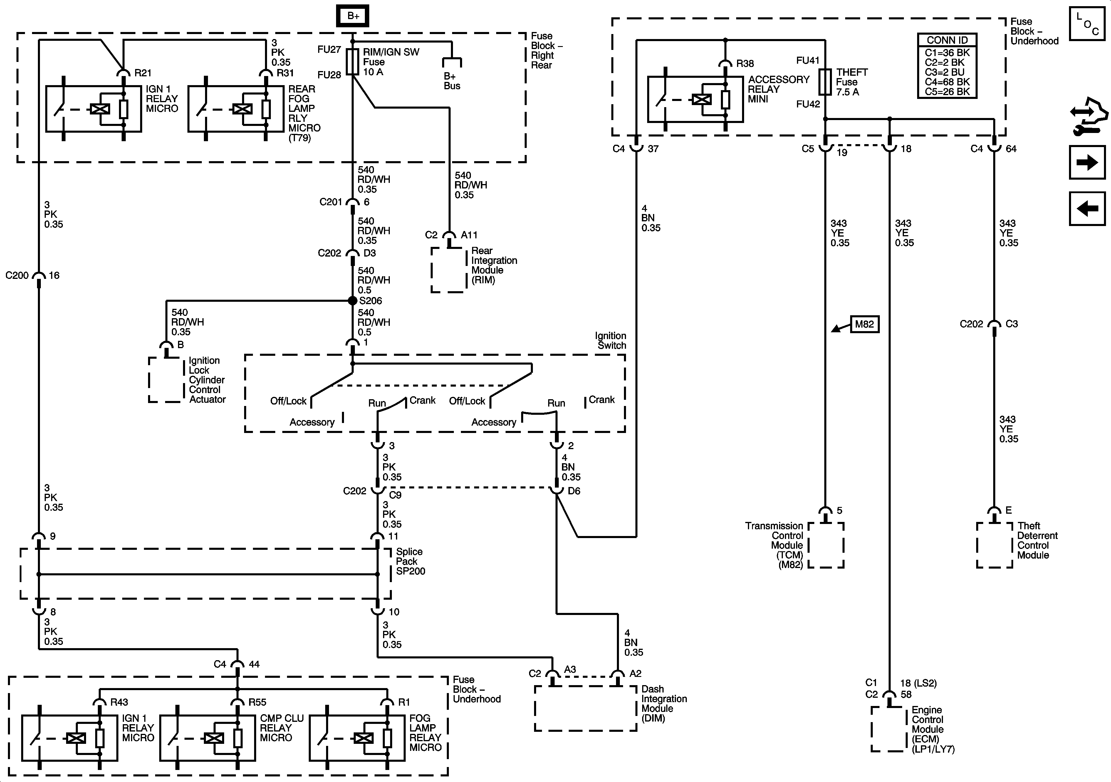
🢒 Ignition Switch - 2 of 2
Ignition Switch - 2 of 2
Ignition Switch 2 of 2
Master Electrical Component List
Control Module References
Underhood Fuse Block - PARK LAMP Relay/Fuses and DIMMING Fuse
Ignition Switch - 1 of 2
Underhood Fuse Block B+ Bus - 2 of 2