GM Service Manual Online
For 1990-2009 cars only
Makes
🢒
Cadillac
🢒
2007
🢒
CTS
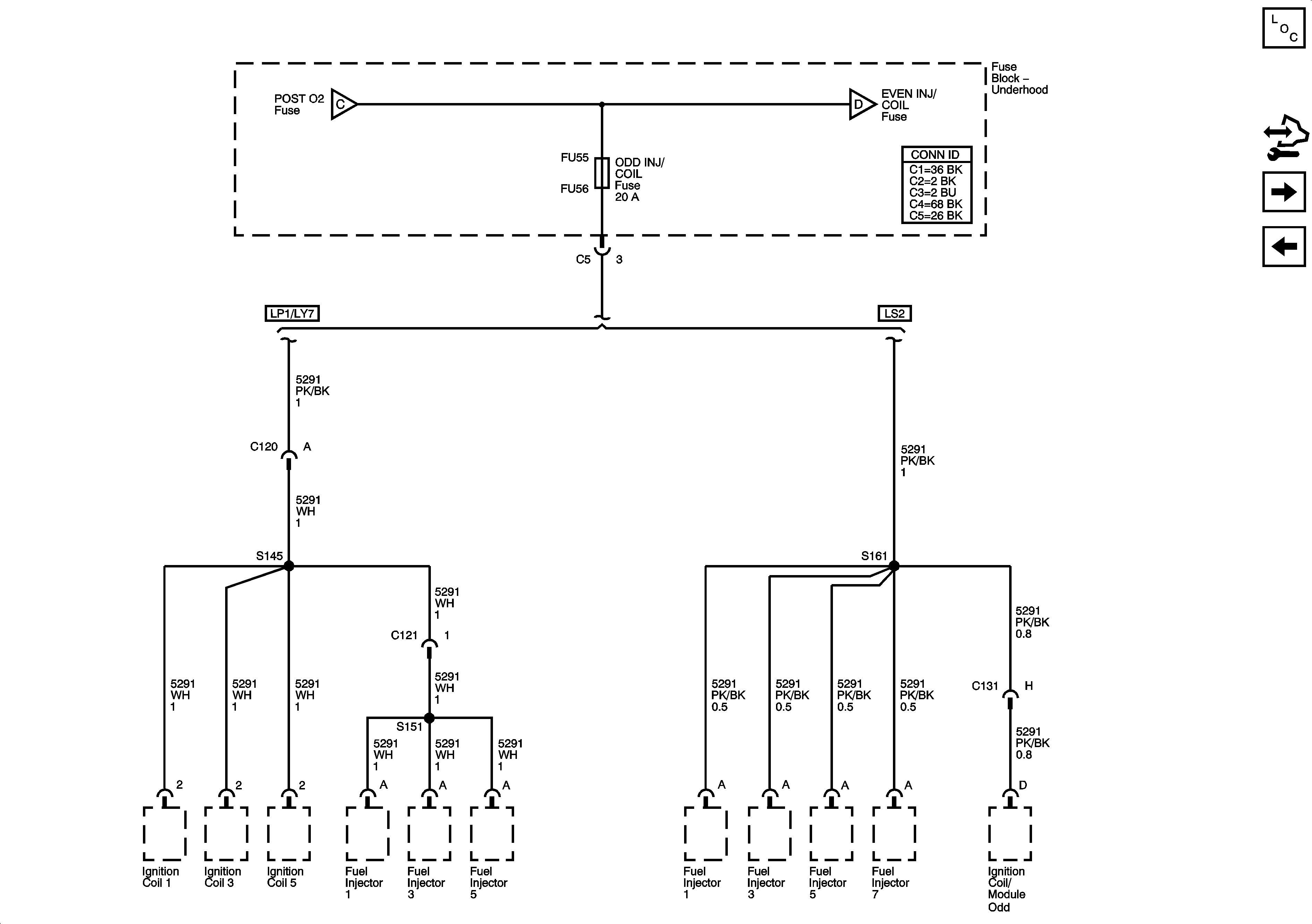
🢒 Underhood Fuse Block - ODD INJ/COIL Fuse
Underhood Fuse Block - ODD INJ/COIL Fuse
Underhood Fuse Block - ODD INJ/ COIL Fuse
Master Electrical Component List
Control Module References
Underhood Fuse Block EVEN INJ/COIL Fuse
Underhood Fuse Block - POST O2 Fuse
Underhood Fuse Block - POST O2 Fuse
Underhood Fuse Block EVEN INJ/COIL Fuse