GM Service Manual Online
For 1990-2009 cars only
Makes
🢒
Cadillac
🢒
2007
🢒
CTS
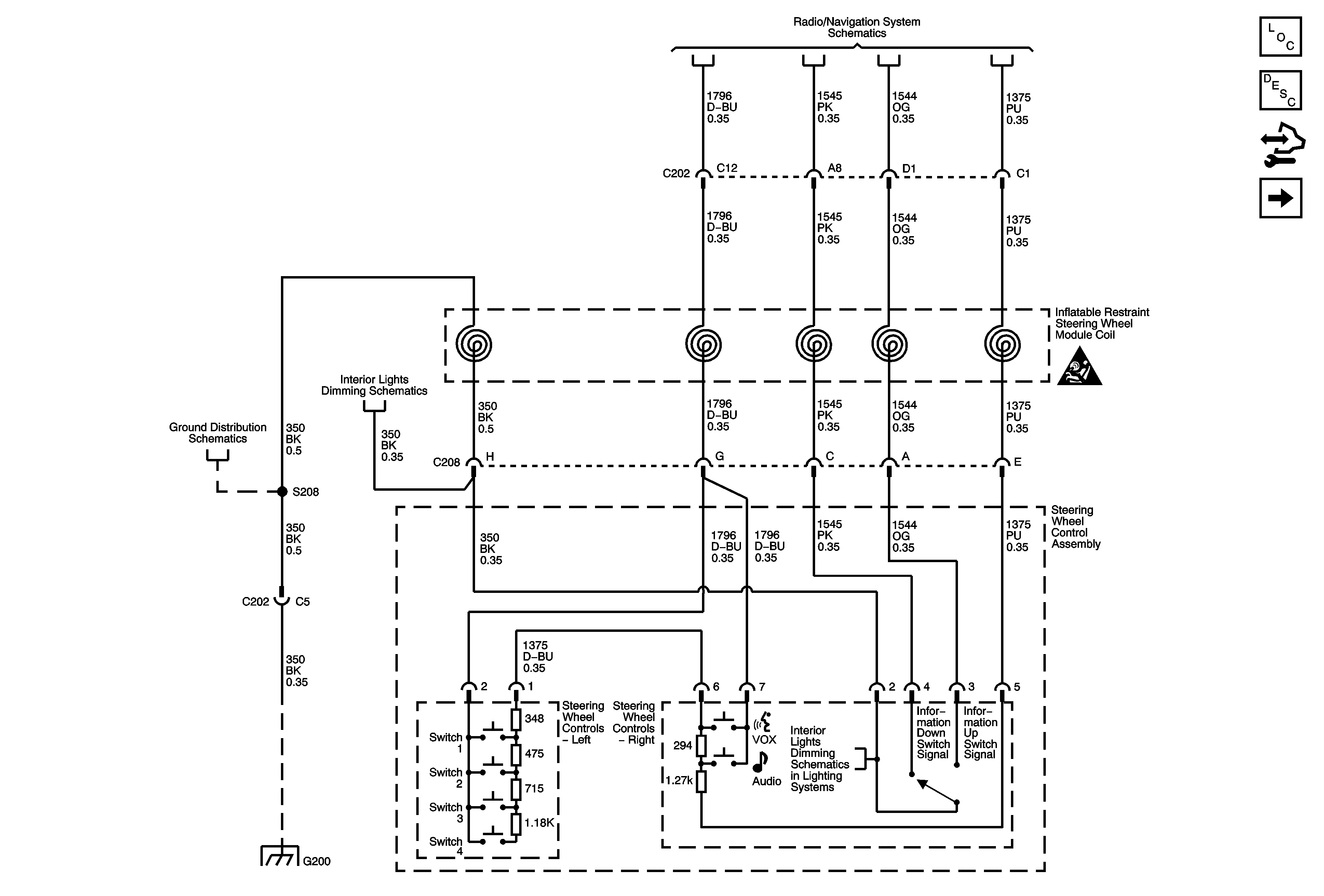
🢒 Steering Wheel Controls - LP1/LY7 (2.8L/3.6L)
Steering Wheel Controls - LP1/LY7 (2.8L/3.6L)
Steering Wheel Secondary/Configurable Controls 2.8L/3.6L (LP1/LY7)
Master Electrical Component List
Steering Wheel and Column Description and Operation
Control Module References
Steering Wheel Controls - 6.0L (LS2)
Power, Ground, Serial Data and Audio Signal Communication
G200
Steering Wheel Controls Dimming
Steering Wheel Controls Dimming
G200
Entertainment Schematic Icons