GM Service Manual Online
For 1990-2009 cars only
Makes
🢒
Cadillac
🢒
2007
🢒
CTS
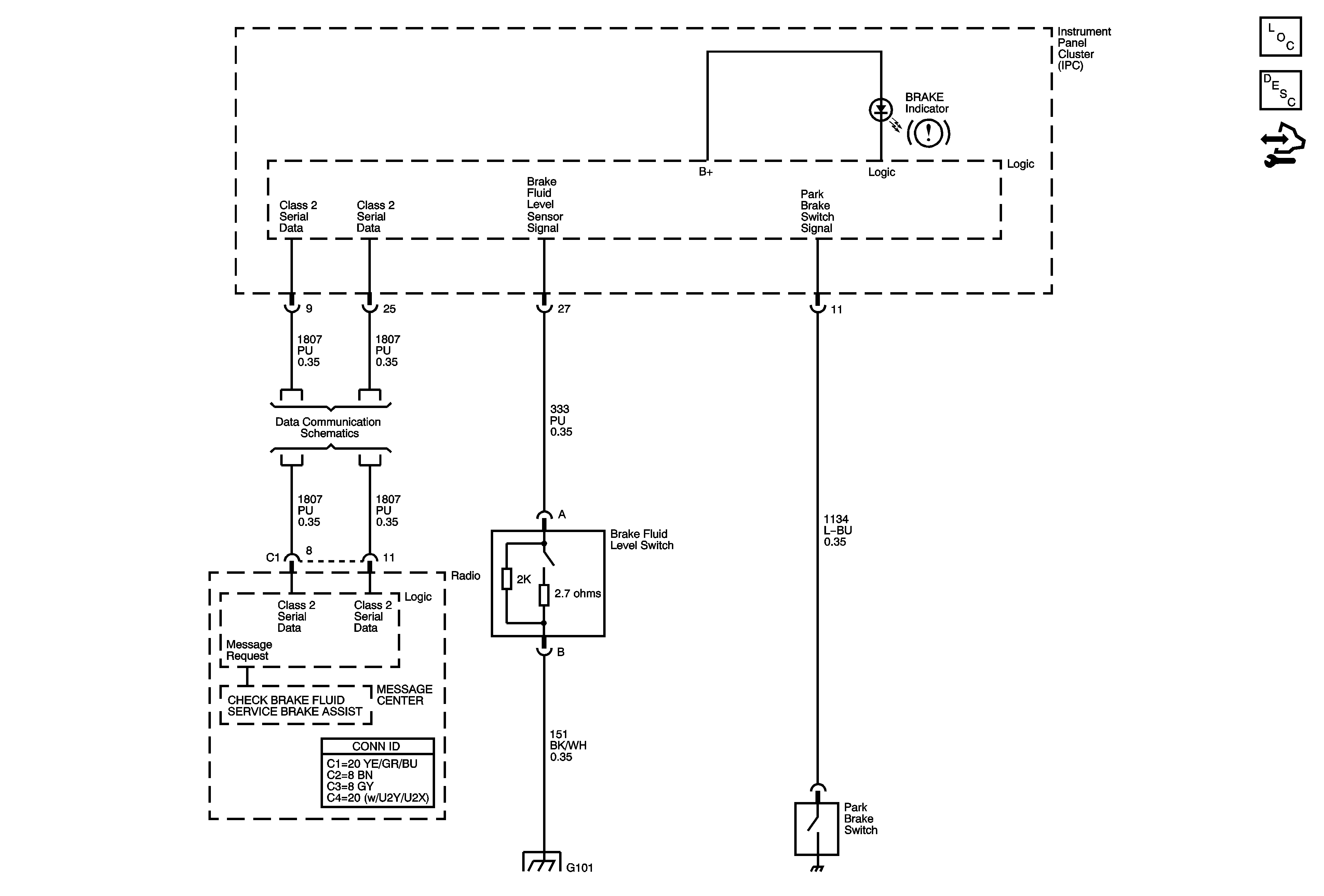
🢒 Hydraulic Brakes Schematics
Hydraulic Brakes Schematics
Master Electrical Component List
Hydraulic Brake System Description and Operation
Control Module References
Class 2 Serial Data Bus - LHD (2 of 2)
G101