GM Service Manual Online
For 1990-2009 cars only
Makes
🢒
Cadillac
🢒
2007
🢒
CTS
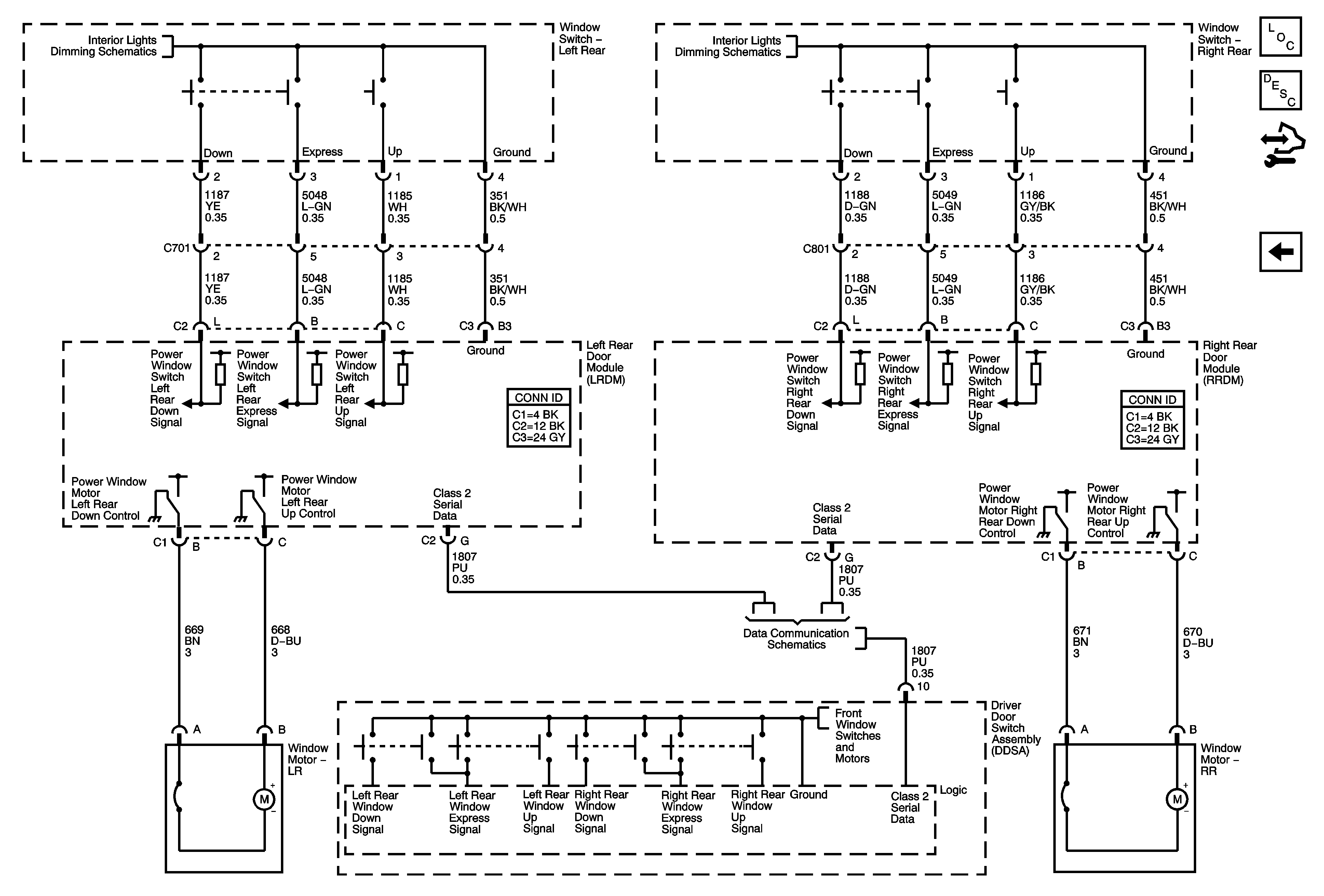
🢒 Rear Power Window Switches and Motors
Rear Power Window Switches and Motors
Rear Power Window Switches and Motors
Master Electrical Component List
Power Windows Description and Operation
Control Module References
Front Power Window Switches and Motor
Power, Ground and Serial Data 2 of 2
Power, Ground, and Serial Data - 2 of 2
Class 2 Serial Data Bus - LHD (1 of 2)
Front Power Window Switches and Motor