GM Service Manual Online
For 1990-2009 cars only
Makes
🢒
Cadillac
🢒
2007
🢒
CTS
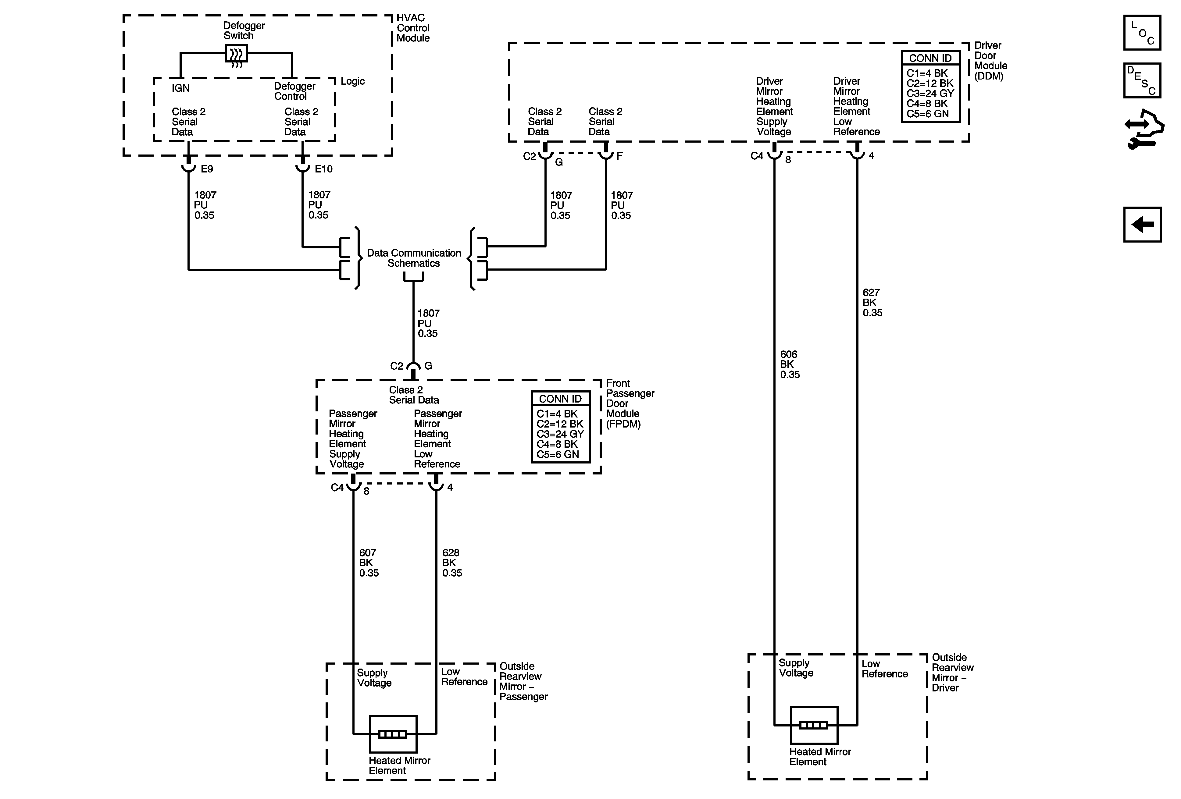
🢒 Heated Mirrors - Outside Rearview
Heated Mirrors - Outside Rearview
Heated Mirrors - Outside Rearview
Master Electrical Component List
Outside Mirror Description and Operation
Control Module References
Passenger Outside Rearview Mirror (A45)
Class 2 (2 of 2 - RHD)