GM Service Manual Online
For 1990-2009 cars only
Makes
🢒
Cadillac
🢒
2007
🢒
CTS
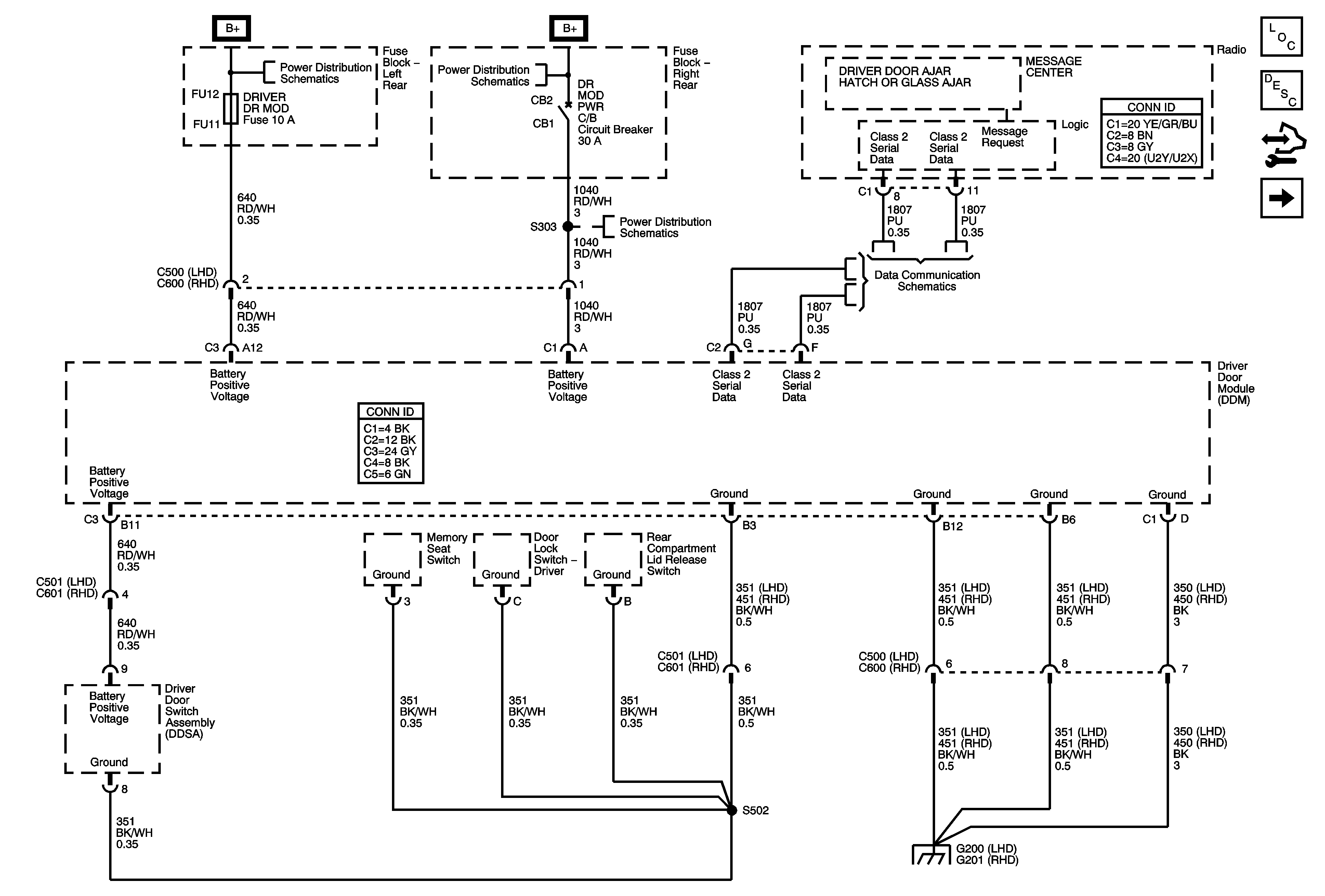
🢒 Driver Door Module (DDM) Power, Ground and Serial Data
Driver Door Module (DDM) Power, Ground and Serial Data
Driver Door Module (DDM) Power, Ground, and Serial Data
Master Electrical Component List
Power Door Locks Description and Operation
Control Module References
DDM Controlled, Monitored Subsystem References (1 of 2)
Underhood Fuse Block B+ BUS 2 of 2
Right Rear Fuse Block B+ Bus
Right Rear Fuse Block, DR MOD PWR Circuit Breaker Canister Vent, RIM/IGN SW., FRT HTD Seat MOD, and PWR Sander Fuses
Class 2 Serial Data Bus - LHD (2 of 2)
G200