GM Service Manual Online
For 1990-2009 cars only
Makes
🢒
Cadillac
🢒
2007
🢒
CTS
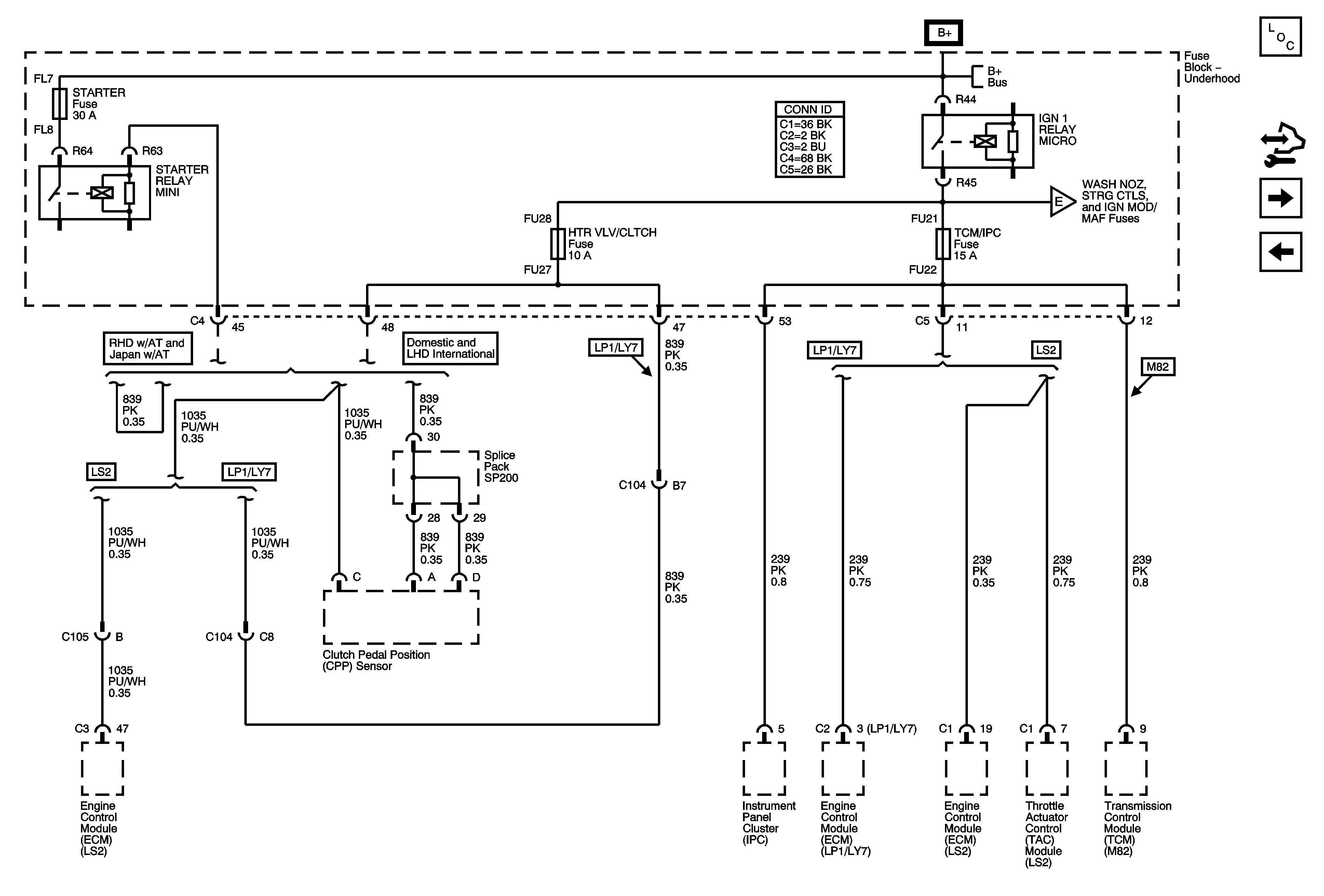
🢒 Underhood Fuse Block Starter Relay, IGN 1 Relay, HTR VLV/Clutch and TCM/IPC Fuses
Underhood Fuse Block Starter Relay, IGN 1 Relay, HTR VLV/Clutch and TCM/IPC Fuses
Underhood Fuse Block - STARTER Relay, IGN 1 Relay, HTR VLV/CLUTCH, and TCM/IPC Fuses
Master Electrical Component List
Control Module References
Underhood Fuse Block Wash noz, Strg (TL) and IGN MOD/MAF Fuses
Underhood Fuse Block Headlamp Relays/Fuses, Accessory relay, I/P Outlet, Outlet, Wiper Module, Wiperswitch, and Elec PRNDL Fuses
Underhood Fuse Block B+ BUS 2 of 2
Underhood Fuse Block Wash noz, Strg (TL) and IGN MOD/MAF Fuses