GM Service Manual Online
For 1990-2009 cars only
Makes
🢒
Cadillac
🢒
2007
🢒
CTS
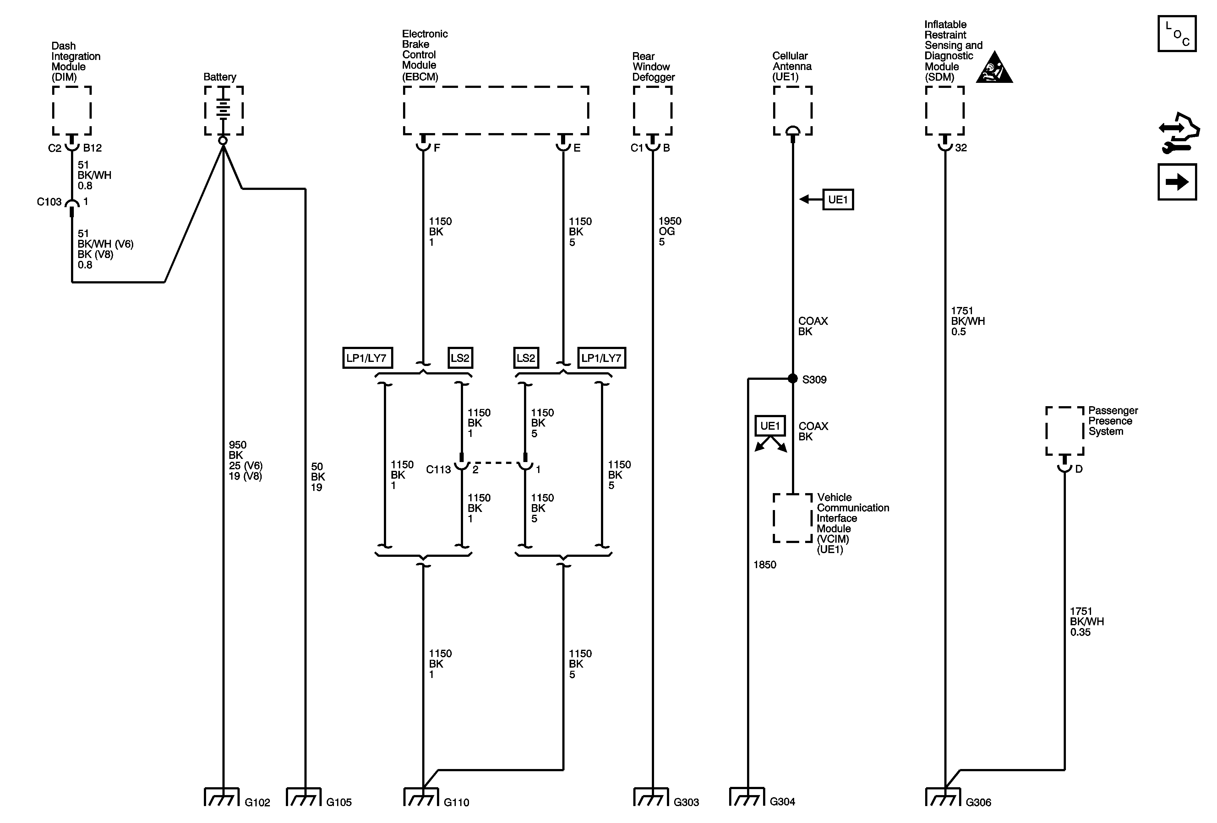
🢒 G102, G105, G110, G303, G304, and G306
G102, G105, G110, G303, G304, and G306
G102, G105, G110, G303, G304, and G306
Master Electrical Component List
Control Module References
G101
Power and Grounding Schematic Icons