GM Service Manual Online
For 1990-2009 cars only
Makes
🢒
Cadillac
🢒
2007
🢒
CTS
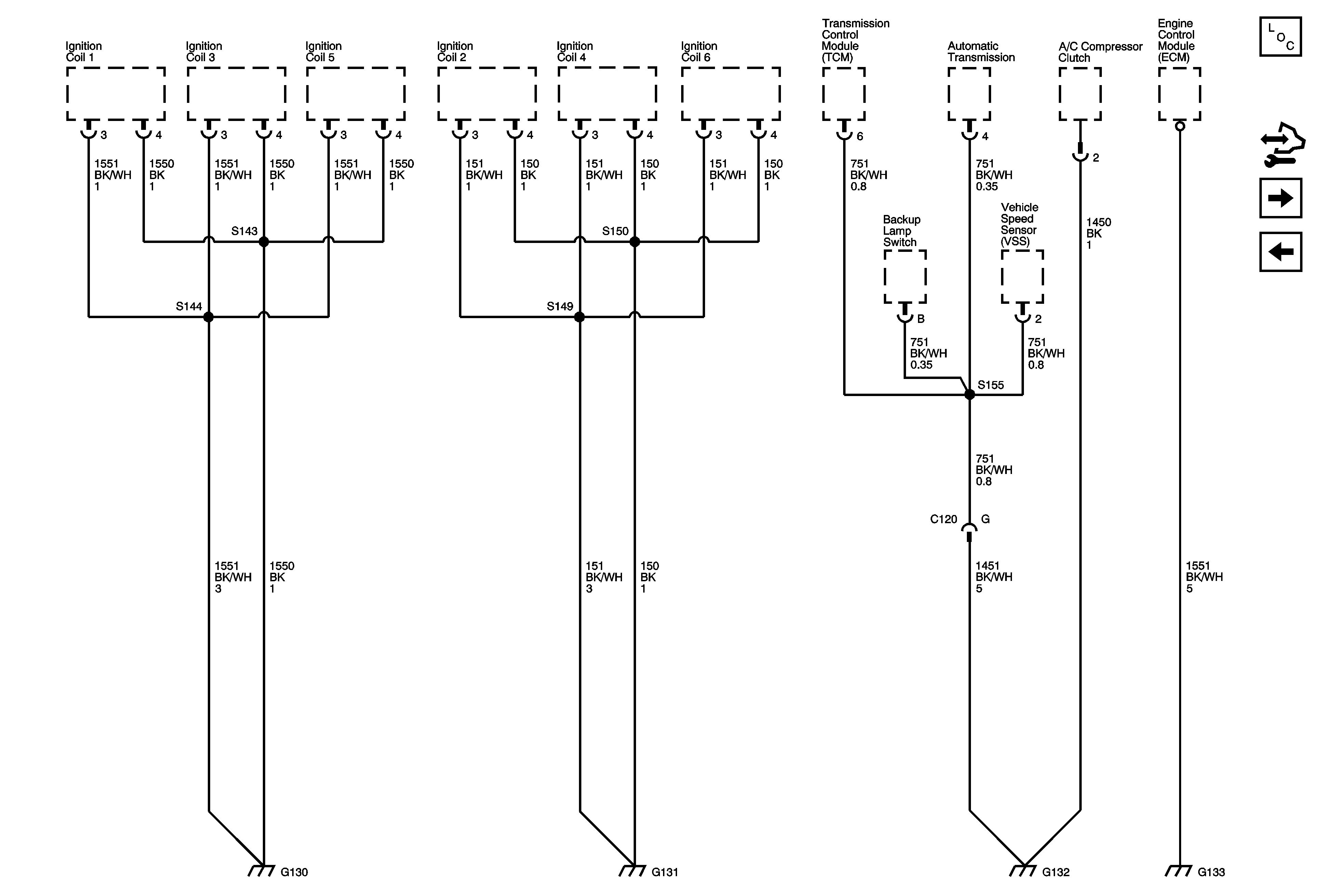
🢒 G130, G131, G132 and G133 (LP1/LY7)
G130, G131, G132 and G133 (LP1/LY7)
G130, G131, G132, and G133 (LP1/LY7)
Master Electrical Component List
Control Module References
G140, G141, and G142 (LS2)
G104 2 of 2