GM Service Manual Online
For 1990-2009 cars only

Object Number: 1970517  Size: SF

Callout

Component Name

Preliminary Procedure

Remove the windshield wiper transmission assembly. Refer to Windshield Wiper Transmission Replacement .

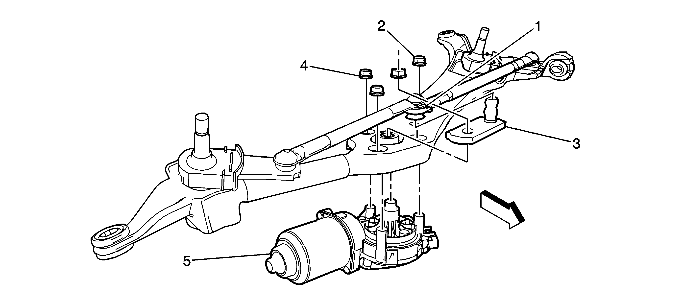
1

Transmission Drive Linkage

Using a J 39232 or equivalent, disconnect the wiper linkage ball sockets from the wipers transmission linkage.

Special Tools

J 39232 Wiper Linkage Separator

2

Windshield Wiper Crank Arm Nut

Notice: Refer to Fastener Notice in the Preface section.

Procedure

  1. Secure the wiper motor to the wiper transmission.
  2. Loosely install the wiper crank arm to the motor pivot shaft.
  3. Secure the transmission linkage to the crank arm ball sockets.
  4. Use the J 39529 or equivalent.
  5. Align the transmission linkage parallel with the transmission assembly.
  6. Secure the crank arm nut.

Tighten
32 N·m (24 lb ft)

Special Tools

J 39529 Wiper Linkage Installer

3

Windshield Wiper Crank Arm

4

Windshield Wiper Motor Bolt (Qty: 3)

Tighten
10 N·m (89 lb ft)

5

Windshield Wiper Motor

Tip
The new wiper motor will come pre-timed from the factory. Do not electrically charge the new motor unless the old motor is being re-installed.