GM Service Manual Online
For 1990-2009 cars only

Front Frame Replacement Rear Wheel Drive

Special Tools

J 39580 Engine Support Stand

Removal Procedure

  1. Install the engine support fixture. Refer to Engine Support Fixture .
  2. Raise and support the vehicle. Refer to Lifting and Jacking the Vehicle .
  3. Remove the front wheels. Refer to Tire and Wheel Removal and Installation .
  4. Remove the front compartment lower noise shield. Refer to Front Compartment Lower Noise Shield Replacement .

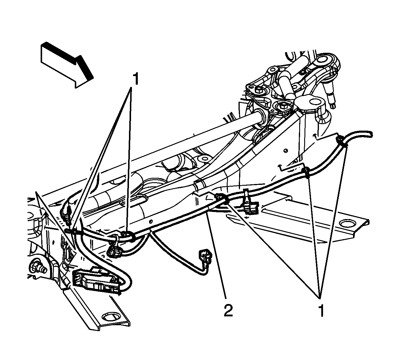
  5. Object Number: 1979776  Size: SH
  6. Remove the electrical harness retainers (1) securing the engine harness (2) to the frame.
  7. Remove the wheel speed sensor wire harness from the frame.
  8. Remove the brake pipes from the frame.
  9. Remove the brake pressure modulator valve from the bracket assembly. Refer to Brake Pressure Modulator Valve Replacement .
  10. Using mechanics wire, support the radiator and AC condenser assembly to the vehicle body.
  11. Remove the washer bottle bracket from the frame. Refer to Windshield Washer Solvent Container Replacement .
  12. Important: Mark the stabilizer shaft to ensure the correct position when reinstalling.

  13. Loosen the stabilizer shaft mounting bolts.
  14. Remove the lower stabilizer shaft link from the lower control arm. Refer to Stabilizer Shaft Link Replacement .
  15. Remove the power steering gear mounting bolts. Refer to Steering Gear Replacement .
  16. Using mechanics wire secure the power steering gear to the engine.
  17. Separate the outer tie rod from the steering knuckle. Refer to Steering Linkage Outer Tie Rod Replacement .
  18. Disconnect the lower ball joint from the steering knuckle. Refer to Lower Control Arm Replacement .
  19. Remove the shock module yokes from the lower control arms. Refer to Front Shock Absorber Yoke Replacement .
  20. Remove the engine mounts lower retaining nuts.

  21. Object Number: 1985489  Size: SH
  22. Install J 39580 under the frame.
  23. Lower the vehicle to the frame support table.
  24. Remove the frame mounting bolts (1, 2).
  25. With the aid of an assistant, carefully raise the body from the frame.
  26. Ensure when raising the body the following items are clear from the frame:
  27. • Brake pipes
    • Steering knuckles
    • Electrical wiring harnesses
  28. Remove the lower control arms. Refer to Lower Control Arm Replacement .
  29. Remove the stabilizer shaft. Refer to Stabilizer Shaft Replacement .
  30. With the aid of an assistant, remove the frame from the support fixture.

Installation Procedure

  1. Install the lower control arm to the frame. Refer to Lower Control Arm Replacement .
  2. Install the stabilizer shaft to the frame. Refer to Stabilizer Shaft Replacement .
  3. Do not tighten the stabilizer shaft mounting bolts at this time.

  4. With the aid of an assistant, position and secure the new frame assembly to the support fixture.
  5. With the aid of an assistant, carefully lower the body to the frame.
  6. Ensure the following components are clear from the frame:
  7. • The electrical harness
    • The steering knuckle assembly
    • The brake pipes

    Notice: Refer to Fastener Notice in the Preface section.


    Object Number: 1985489  Size: SH
  8. Install the frame mountings bolts (2).
  9. Tighten
    Tighten the bolts to 191 N·m (141 lb ft).

  10. Raise the vehicle.
  11. Install the engine mount lower retaining nuts.
  12. Tighten
    Tighten the nuts to 50 N·m (37 lb ft).

  13. Remove the J 39580 from under the vehicle.
  14. Remove the mechanics wire supporting the power steering gear.
  15. Install the shock module yokes to the lower control arms. Refer to Front Shock Absorber Yoke Replacement .
  16. Install the power steering gear mounting bolts. Refer to Steering Gear Replacement .
  17. Install the ball joint to the steering knuckle. Refer to Lower Control Arm Replacement .
  18. Install the outer tie rod to the steering knuckle. Refer to Steering Linkage Outer Tie Rod Replacement .
  19. Important: Ensure correct position from the previously marked spots.

  20. Tighten the stabilizer shaft bolts.
  21. Tighten
    Tighten the bolts to 60 N·m (44 lb ft).

  22. Install the stabilizer shaft link to the lower control arms. Refer to Stabilizer Shaft Link Replacement .
  23. Install the brake pressure modulator valve to the bracket. Refer to Brake Pressure Modulator Valve Replacement .
  24. Install the brake pipes to the frame.
  25. Install the washer bottle bracket to the frame. Refer to Windshield Washer Solvent Container Replacement .
  26. Remove the mechanics wire supporting the radiator.
  27. Install the wheel speed sensor wire harness to the frame.

  28. Object Number: 1979776  Size: SH
  29. Install the electrical harness retainers (1) securing the engine harness (2) to the frame.
  30. Install the front compartment lower noise shield. Refer to Front Compartment Lower Noise Shield Replacement .
  31. Install the front tires and wheels . Refer to Tire and Wheel Removal and Installation .
  32. Lower the vehicle.
  33. Remove the engine support fixture. Refer to Engine Support Fixture .
  34. Align the vehicle. Refer to Wheel Alignment Measurement .

Front Frame Replacement All Wheel Drive

Special Tools

J 39580 Engine Support Stand

Removal Procedure

  1. Install the engine support fixture. Refer to Engine Support Fixture .
  2. Raise and support the vehicle. Refer to Lifting and Jacking the Vehicle .
  3. Remove the front wheels. Refer to Tire and Wheel Removal and Installation .
  4. Remove the front compartment lower noise shield. Refer to Front Compartment Lower Noise Shield Replacement .

  5. Object Number: 1979775  Size: SH
  6. Remove the electrical harness retainers (1) securing the engine harness (2) to the frame.
  7. Remove the wheel speed sensor wire harness from the frame.
  8. Remove the brake pipes from the frame.
  9. Remove the brake pressure modulator valve from the bracket assembly. Refer to Brake Pressure Modulator Valve Replacement .
  10. Using mechanics wire, support the radiator and AC condenser assembly to the vehicle body.
  11. Important: Mark the stabilizer shaft to ensure the correct position when reinstalling.

  12. Loosen the stabilizer shaft mounting bolts.
  13. Remove the antilock brake system wire harness from the sway bar links.
  14. Remove the lower stabilizer shaft link from the lower control arm. Refer to Stabilizer Shaft Link Replacement .
  15. Remove the power steering gear mounting bolts. Refer to Steering Gear Replacement .
  16. Using mechanics wire secure the power steering gear to the engine.
  17. Remove the lower control arms. Refer to Lower Control Arm Replacement .
  18. Remove the power steering and brake line retainers from the frame.
  19. Remove the engine mounts lower retaining nuts.

  20. Object Number: 1985491  Size: SH
  21. Install J 39580 under the frame.
  22. Lower the vehicle to the frame support table.
  23. Remove the frame mounting bolts (1, 2).
  24. With the aid of an assistant, carefully raise the body from the frame.
  25. Ensure when raising the body the following items are clear from the frame.
  26. • Brake pipes
    • Steering knuckles
    • Electrical wiring harnesses
  27. Remove the stabilizer shaft. Refer to Stabilizer Shaft Replacement .
  28. With the aid of an assistant, remove the frame from the support fixture.

Installation Procedure

  1. Install the stabilizer shaft to the frame. Refer to Stabilizer Shaft Replacement .
  2. Do not tighten the stabilizer shaft mounting bolts at this time.

  3. With the aid of an assistant, position and secure the new frame assembly to the support fixture.
  4. With the aid of an assistant, carefully lower the body to the frame.
  5. Ensure the following components are clear from the frame.
  6. • The electrical harness
    • The steering knuckle assembly
    • The brake pipes

    Notice: Refer to Fastener Notice in the Preface section.


    Object Number: 1985491  Size: SH
  7. Install the frame mountings bolts (2).
  8. Tighten
    Tighten the bolts to 191 N·m (141 lb ft).

  9. Raise the vehicle.
  10. Install the engine mount lower retaining nuts (2).
  11. Tighten
    Tighten the nuts to 50 N·m (37 lb ft).

  12. Remove the J 39580 from under the vehicle.
  13. Install the power steering and brake line retainers to the frame.
  14. Remove the mechanics wire supporting the power steering gear.
  15. Install the power steering gear mounting bolts. Refer to Steering Gear Replacement .
  16. Install the lower control arms. Refer to Lower Control Arm Replacement .
  17. Important: Ensure correct position from the previously marked spots.

  18. Tighten the stabilizer shaft bolts.
  19. Tighten
    Tighten the bolts to 60 N·m (44 lb ft).

  20. Install the stabilizer shaft link to the lower control arms. Refer to Stabilizer Shaft Link Replacement .
  21. Install the brake pressure modulator valve to the bracket. Refer to Brake Pressure Modulator Valve Replacement .
  22. Install the brake pipes to the frame.
  23. Remove the mechanics wire supporting the radiator.
  24. Install the wheel speed sensor wire harness to the frame.

  25. Object Number: 1979775  Size: SH
  26. Install the electrical harness retainers (1) securing the engine harness (2) to the frame.
  27. Install the front compartment lower noise shield. Refer to Front Compartment Lower Noise Shield Replacement .
  28. Install the front tires and wheels . Refer to Tire and Wheel Removal and Installation .
  29. Lower the vehicle.
  30. Remove the engine support fixture. Refer to Engine Support Fixture .
  31. Align the vehicle. Refer to Wheel Alignment Measurement .