GM Service Manual Online
For 1990-2009 cars only

Intake Manifold Removal LY7/LP1


    Object Number: 946063  Size: SH
  1. Disconnect and remove the brake booster hose from the upper intake manifold.

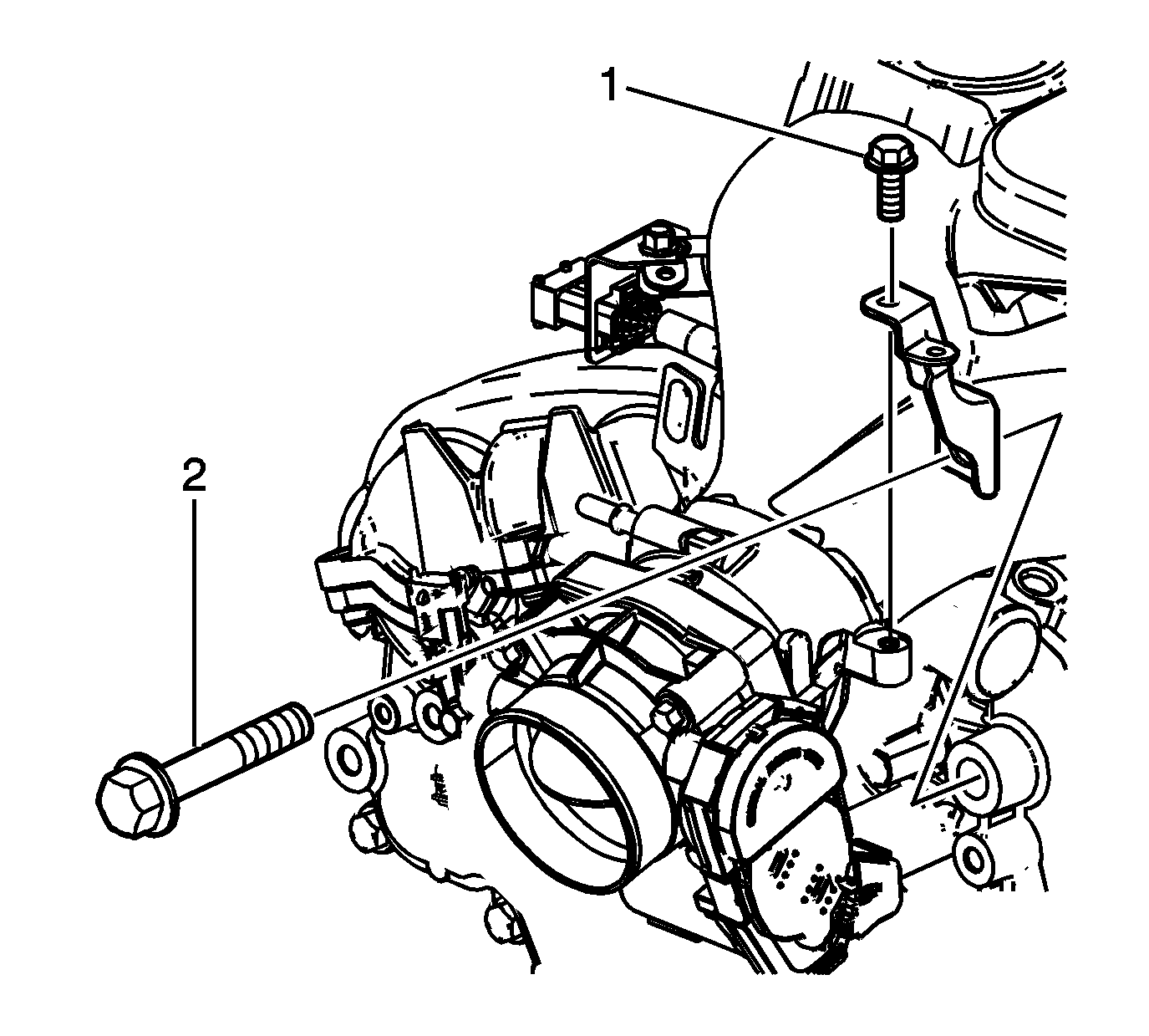
  2. Object Number: 1888115  Size: SH
  3. Remove the intake manifold brace bolts (1 and 2).
  4. Remove the intake manifold brace.

  5. Object Number: 1888119  Size: SH
  6. Remove the PCV tube assembly bracket bolts.
  7. Disconnect and remove the PCV tube assembly from the upper intake manifold and right camshaft cover.

  8. Object Number: 1888122  Size: SH
  9. Disconnect the evaporative emission (EVAP) hose from the upper intake manifold and EVAP solenoid.

  10. Object Number: 1888125  Size: SH
  11. Remove the EVAP solenoid bolt.
  12. Remove the EVAP solenoid.

  13. Object Number: 1888129  Size: SH
  14. Remove the intake manifold bolts.
  15. Remove the intake manifold assembly.

  16. Object Number: 1888133  Size: SH
  17. Remove the lower intake manifold gasket.

Intake Manifold Removal LLT


    Object Number: 1977836  Size: SH
  1. Disconnect and remove the brake booster hose from the intake manifold.

  2. Object Number: 1977839  Size: SH
  3. Remove the intake manifold brace bolts (1 and 2).
  4. Remove the intake manifold brace.

  5. Object Number: 1977846  Size: SH
  6. Disconnect and remove the positive crankcase ventilation (PCV) tube from the intake manifold and right camshaft cover.

  7. Object Number: 1977851  Size: SH
  8. Remove the EVAP hose from the intake manifold and EVAP solenoid.

  9. Object Number: 1977854  Size: SH
  10. Remove the EVAP solenoid bolt.
  11. Remove the EVAP solenoid.

  12. Object Number: 1977856  Size: SH
  13. Remove the intake manifold bolts.
  14. Remove the intake manifold assembly.

  15. Object Number: 1977858  Size: SH
  16. Remove and discard the lower intake manifold gasket.