GM Service Manual Online
For 1990-2009 cars only

    Object Number: 2004256  Size: SH
  1. Remove the oil filter cap.

  2. Object Number: 2004257  Size: SH
  3. Remove and properly dispose of the oil filter cartridge.
  4. Re-install the oil filter cap.

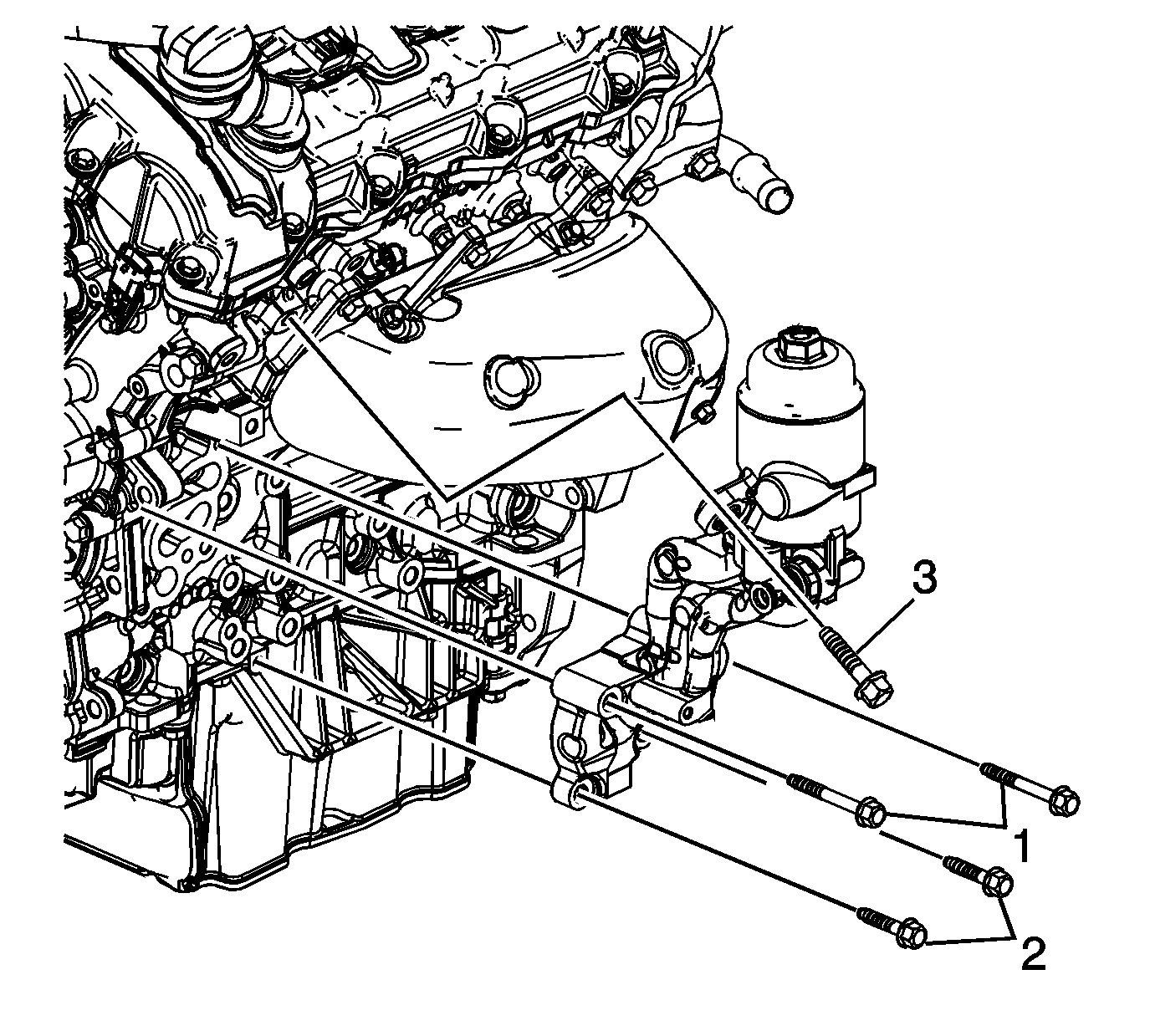
  5. Object Number: 2004259  Size: SH
  6. Remove the oil filter adapter bolts (1-3) from the engine block.
  7. Remove the oil filter adapter.

  8. Object Number: 945915  Size: SH
  9. Remove and discard the oil filter adapter gasket.