GM Service Manual Online
For 1990-2009 cars only
Makes
🢒
Cadillac
🢒
2008
🢒
CTS
🢒
Diagnostic Navigation
🢒
Vehicle Diagnostic Information
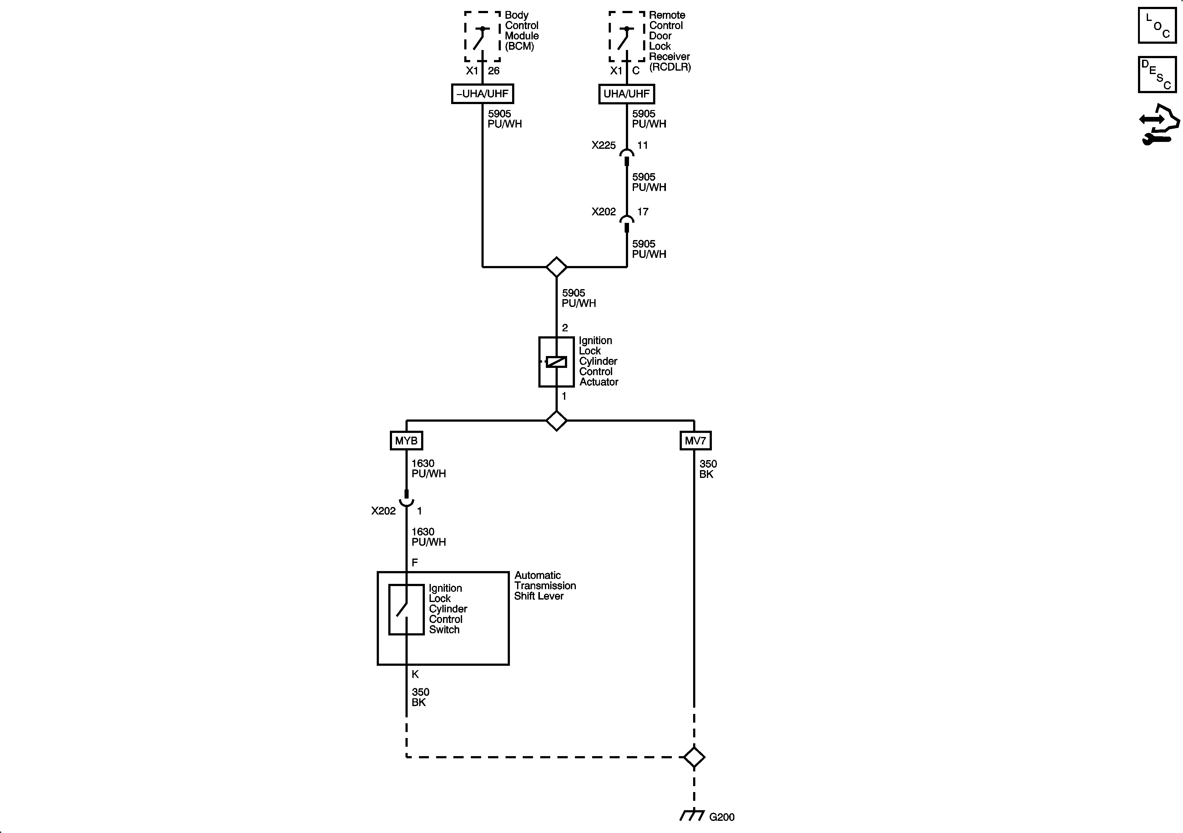
🢒 Column Lock Schematics
Master Electrical Component List
Electronic Park Lock Description and Operation
Control Module References