GM Service Manual Online
For 1990-2009 cars only
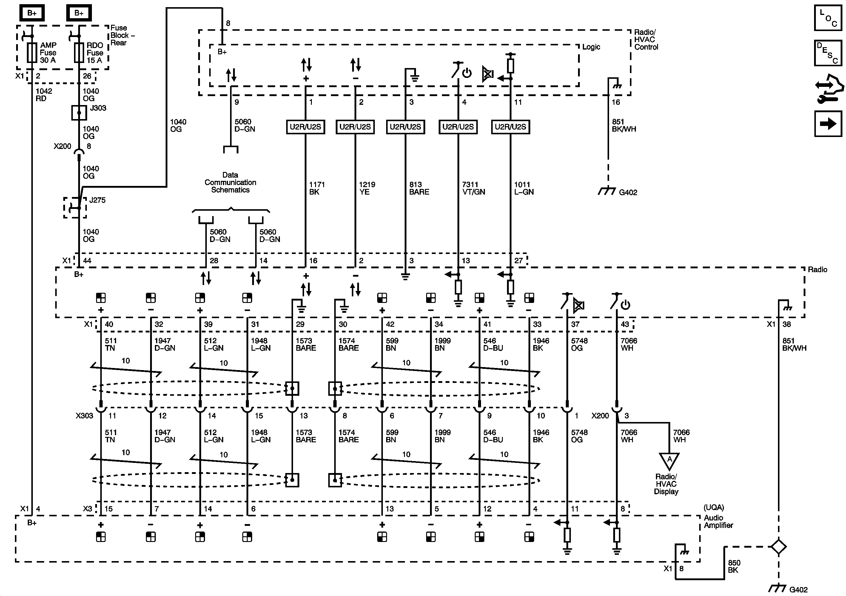
Figure 1:

Radio, Amp, Radio/HVAC Control (U2R/U2S) Power, Ground and Communication (UQA)


Object Number: 1931334  Size: FS
Master Electrical Component List
Radio/Audio System Description and Operation
Control Module References
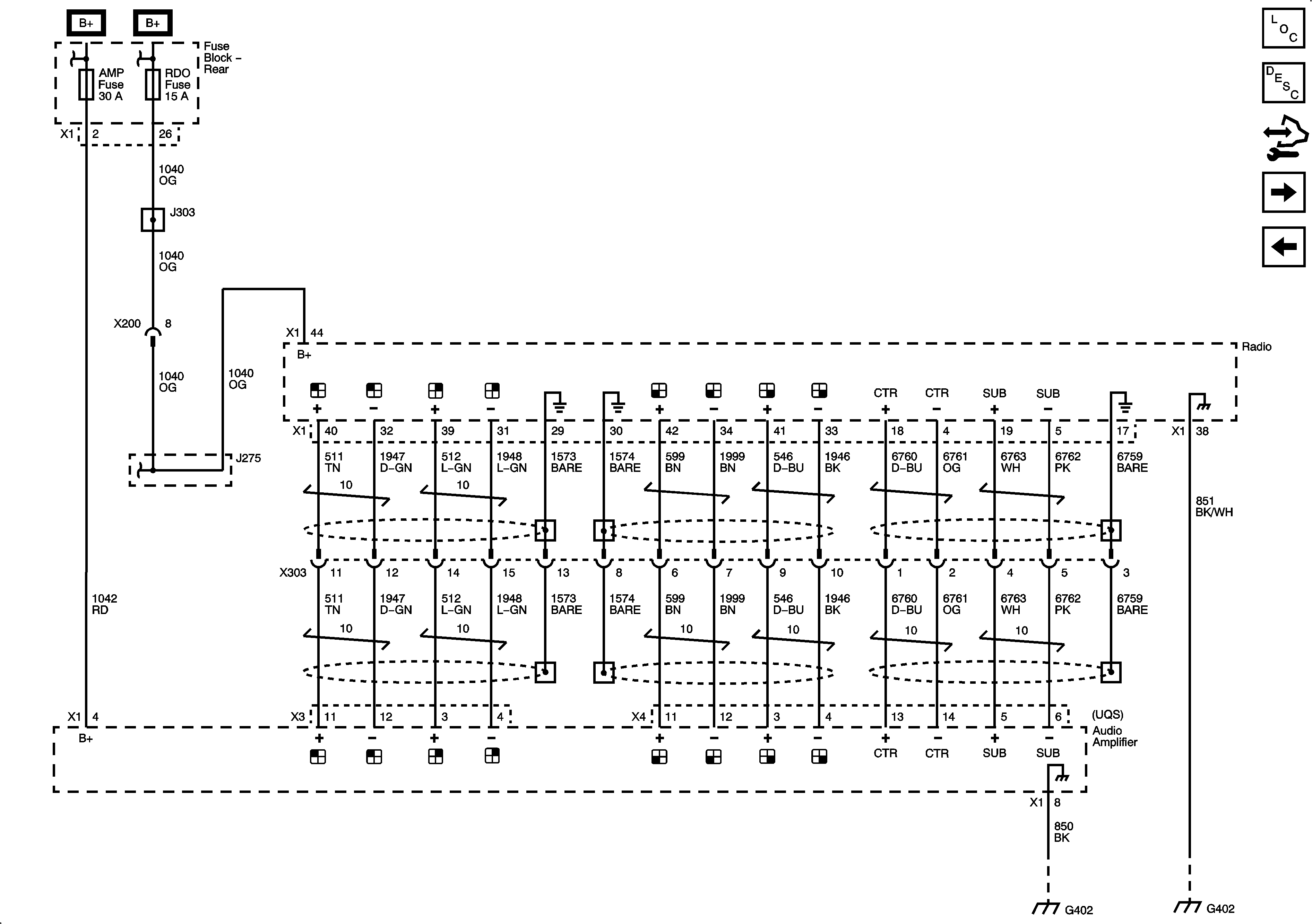
Radio, Amp Power, Ground and Communication (UQS)
Figure 2:

Radio, Amp Power, Ground and Communication (UQS)


Object Number: 1931373  Size: FS
Master Electrical Component List
Radio/Audio System Description and Operation
Control Module References
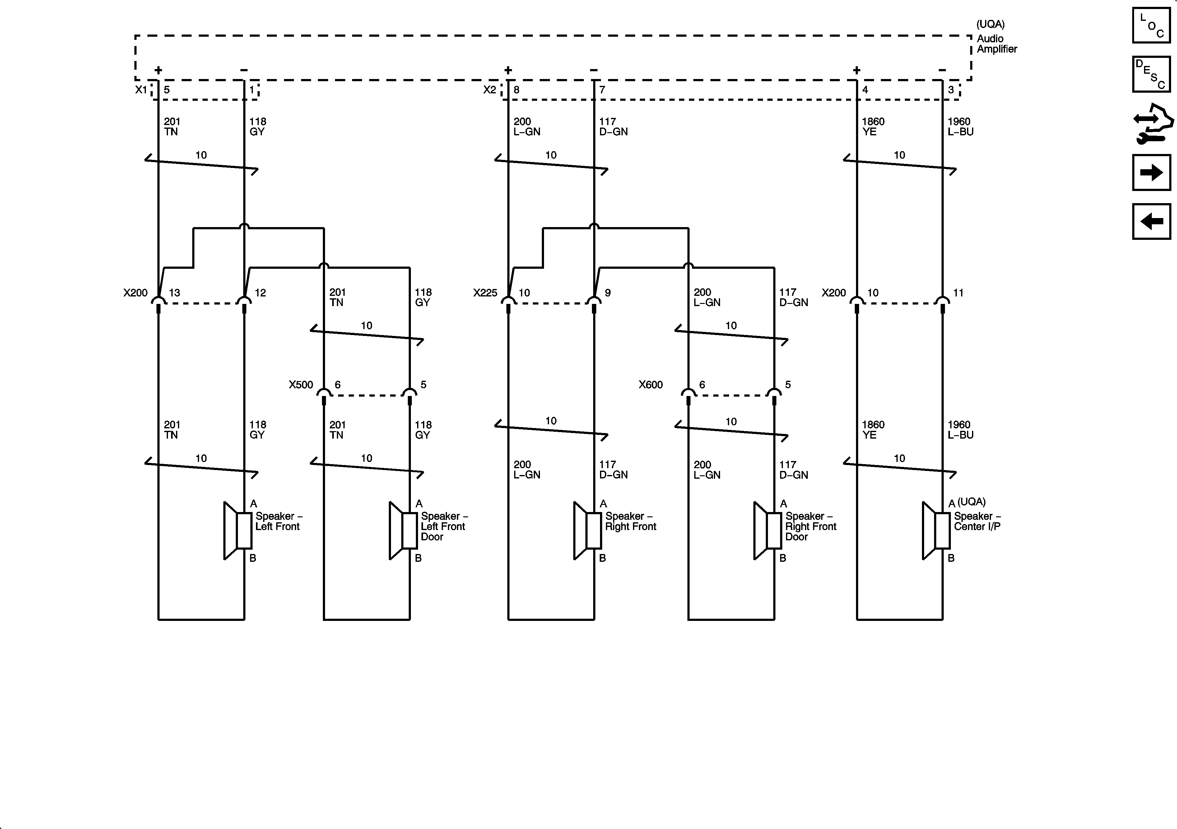
Speakers (UQA) 1 of 2
Radio, Amp, Radio/HVAC Control (U2R/U2S) Power, Ground and Communication (UQA)
Figure 3:

Speakers (UQA) 1 of 2


Object Number: 1931381  Size: FS
Master Electrical Component List
Radio/Audio System Description and Operation
Control Module References
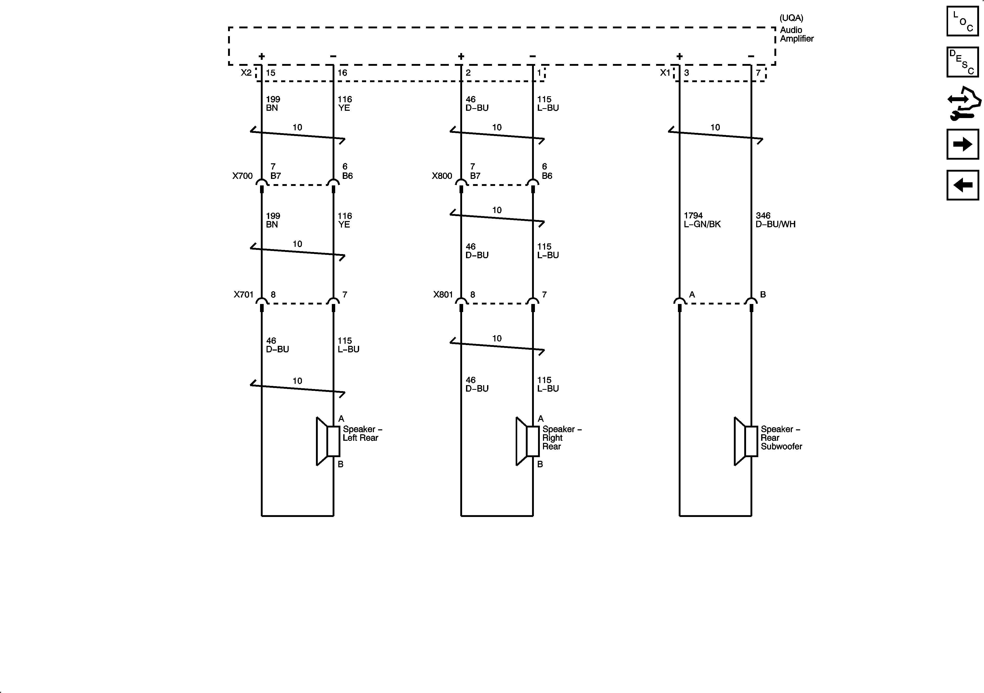
Speakers (UQA) 2 of 2
Radio, Amp Power, Ground and Communication (UQS)
Figure 4:

Speakers (UQA) 2 of 2


Object Number: 1931387  Size: FS
Master Electrical Component List
Radio/Audio System Description and Operation
Control Module References
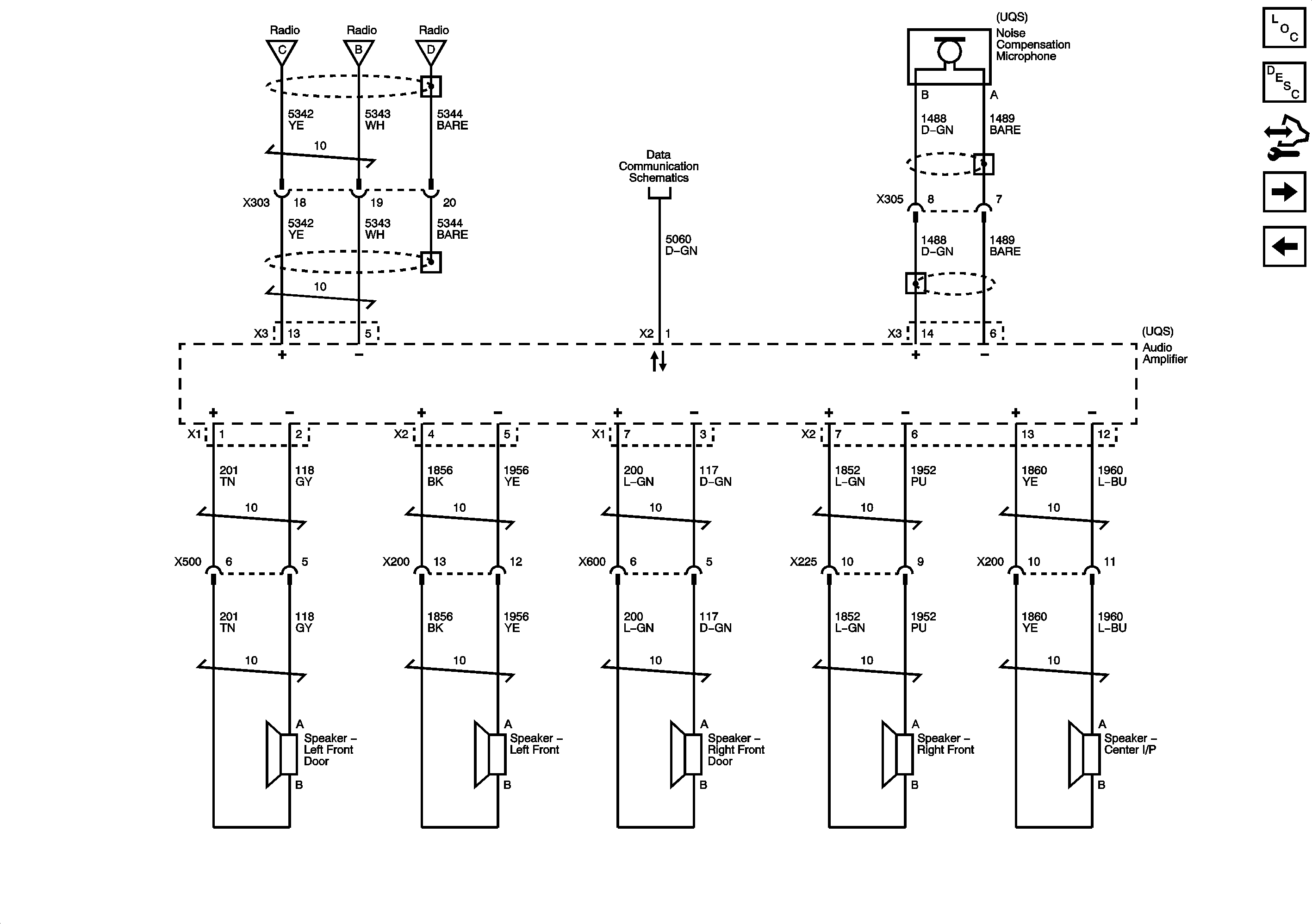
Noise Compensation Microphone, Navigation Audio Inputs, and Speakers (UQS) 1 of 2
Speakers (UQA) 1 of 2
Figure 5:

Noise Compensation Microphone, Navigation Audio Inputs, and Speakers (UQS) 1 of 2


Object Number: 1931446  Size: FS
Master Electrical Component List
Radio/Audio System Description and Operation
Control Module References
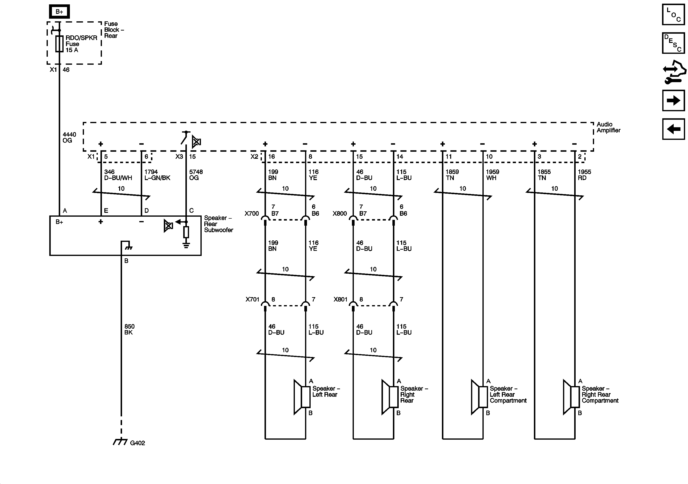
Speakers (UQS) 2 of 2
Speakers (UQA) 2 of 2
Figure 6:

Speakers (UQS) 2 of 2


Object Number: 1931471  Size: FS
Master Electrical Component List
Radio/Audio System Description and Operation
Control Module References
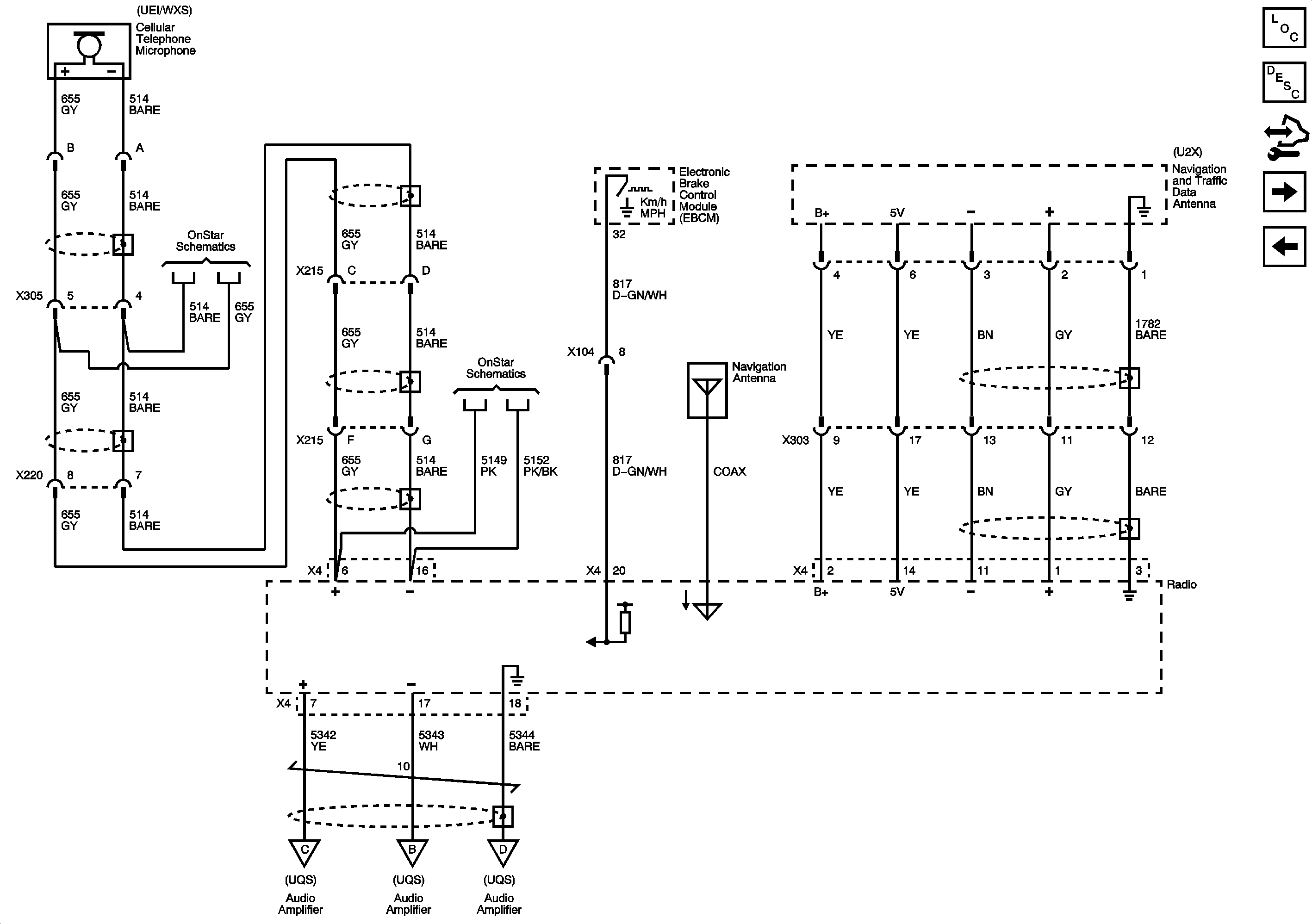
Cellular/Navigation Microphone, Traffic Receiver (U2X)
Noise Compensation Microphone, Navigation Audio Inputs, and Speakers (UQS) 1 of 2
Figure 7:

Cellular/Navigation Microphone, Traffic Receiver (U2X)


Object Number: 1931477  Size: FS
Master Electrical Component List
Radio/Audio System Description and Operation
Control Module References
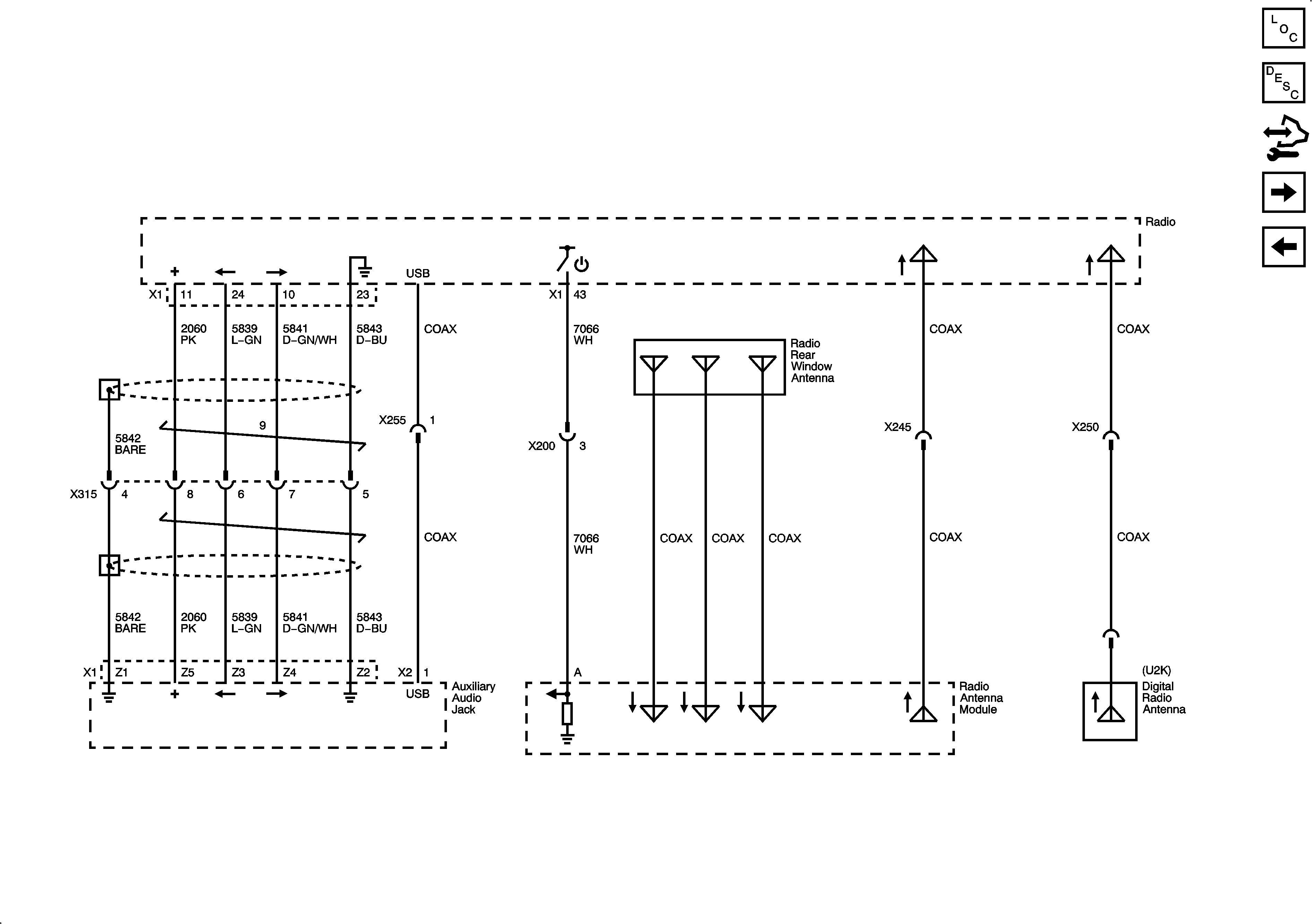
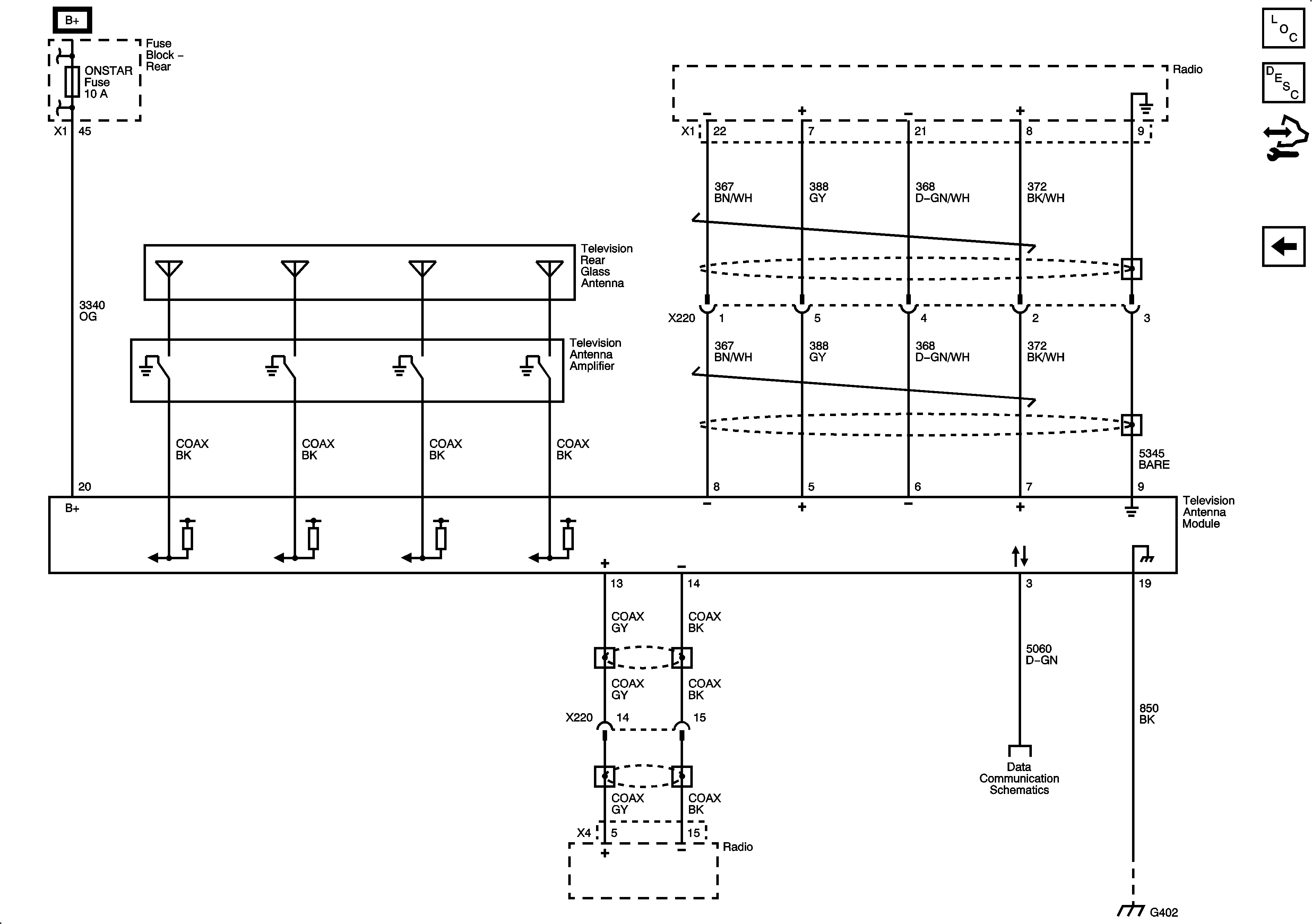
Antenna Signals
Speakers (UQS) 2 of 2
Figure 8:

Antenna and Auxiliary Audio Signals


Object Number: 1931516  Size: FS
Master Electrical Component List
Radio/Audio System Description and Operation
Control Module References
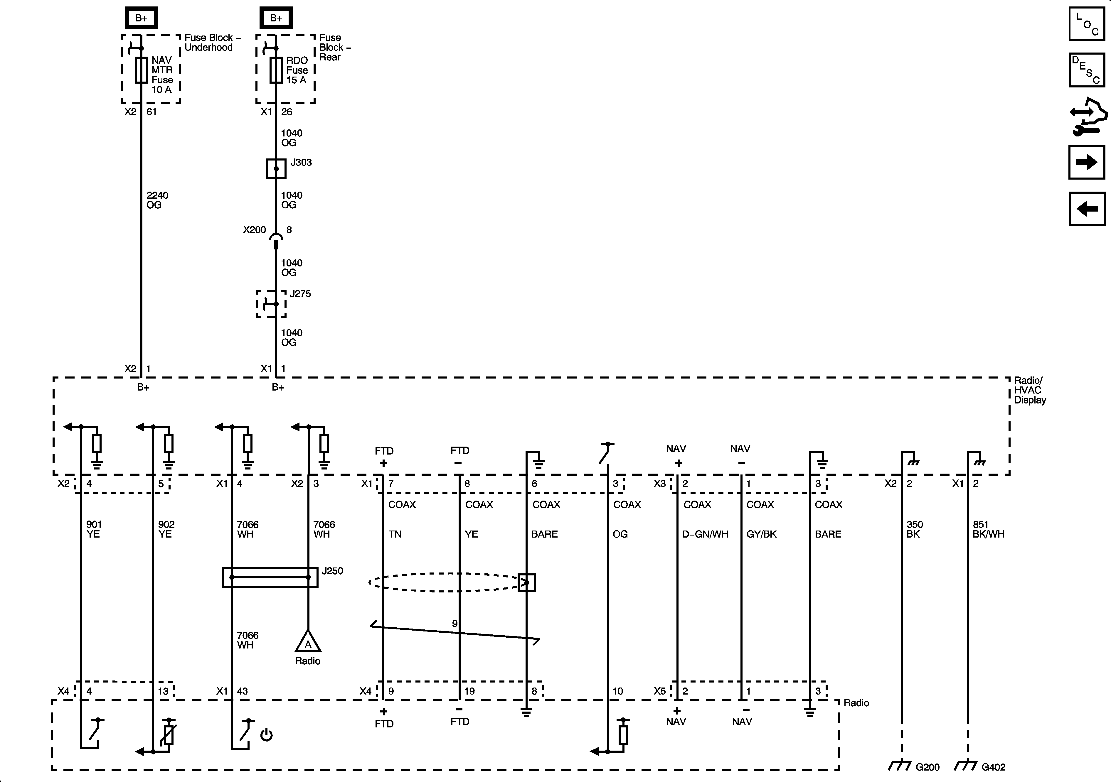
Radio/HVAC Display
Cellular/Navigation Microphone, Traffic Receiver (U2X)
Figure 9:

Radio/HVAC Display


Object Number: 1931527  Size: FS
Master Electrical Component List
Radio/Audio System Description and Operation
Control Module References
U2X\U2Y
Antenna Signals
Figure 10:

U2X/U2Y


Object Number: 2038688  Size: FS
Master Electrical Component List
Navigation System Description and Operation
Control Module References
Radio/HVAC Display