GM Service Manual Online
For 1990-2009 cars only
Figure 1:

G101


Object Number: 1931264  Size: FS
Master Electrical Component List
Control Module References
G102
Figure 2:

G102


Object Number: 1931267  Size: FS
Master Electrical Component List
Control Module References
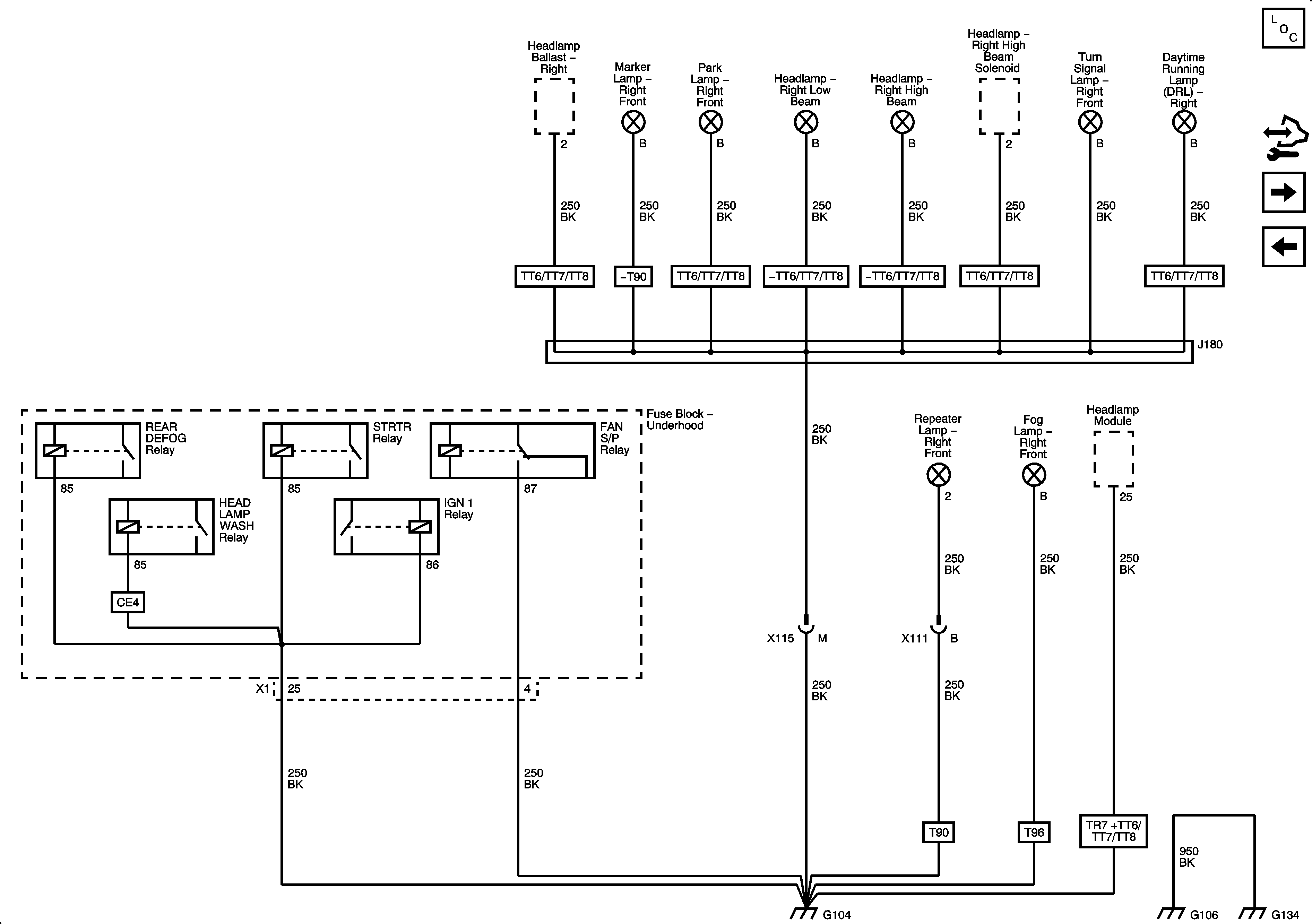
G104, G106 and G134
G101
Figure 3:

G104, G106 and G134


Object Number: 1931268  Size: FS
Master Electrical Component List
Control Module References
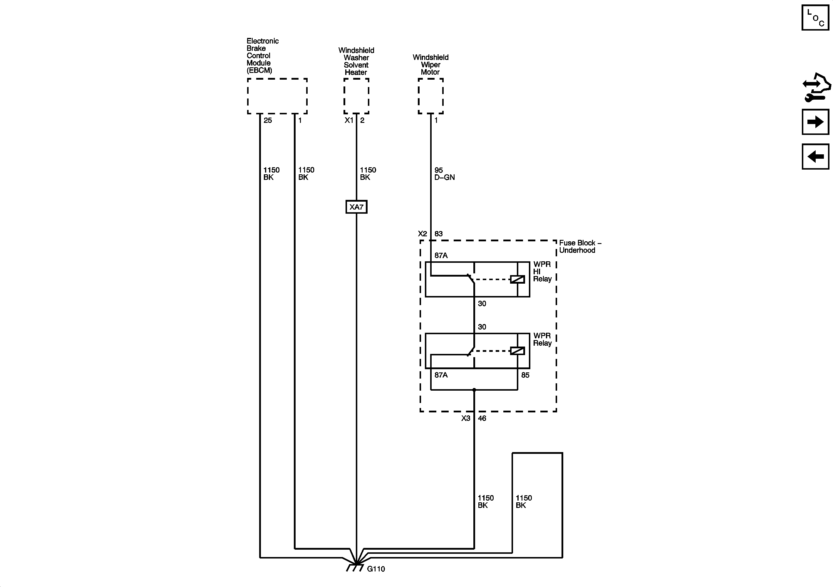
G110
G102
Figure 4:

G110


Object Number: 1931282  Size: FS
Master Electrical Component List
Control Module References
G130 and G131
G104, G106 and G134
Figure 5:

G130 and G131


Object Number: 1931288  Size: FS
Master Electrical Component List
Control Module References
G132
G110
Figure 6:

G132


Object Number: 1931314  Size: FS
Master Electrical Component List
Control Module References
G200 (1 of 3)
G130 and G131
Figure 7:

G200 (1 of 3)


Object Number: 1931319  Size: FS
Master Electrical Component List
Control Module References
G200 (2 of 3)
G132
Figure 8:

G200 (2 of 3)


Object Number: 1931333  Size: FS
Master Electrical Component List
Control Module References
G200 (3 of 3)
G200 (1 of 3)
Figure 9:

G200 (3 of 3)


Object Number: 1931350  Size: FS
Master Electrical Component List
Control Module References
G201 (1 of 2)
G200 (2 of 3)
Figure 10:

G201 (1 of 2)


Object Number: 1931364  Size: FS
Master Electrical Component List
Control Module References
G201 (2 of 2)
G200 (3 of 3)
Figure 11:

G201 (2 of 2)


Object Number: 1931374  Size: FS
Master Electrical Component List
Control Module References
G401 (1 of 3)
G201 (1 of 2)
Figure 12:

G401 (1 of 3)


Object Number: 1931380  Size: FS
Master Electrical Component List
Control Module References
G401 (2 of 3)
G201 (2 of 2)
Figure 13:

G401 (2 of 3)


Object Number: 1931383  Size: FS
Master Electrical Component List
Control Module References
G401 (2 of 3)
G401 (1 of 3)
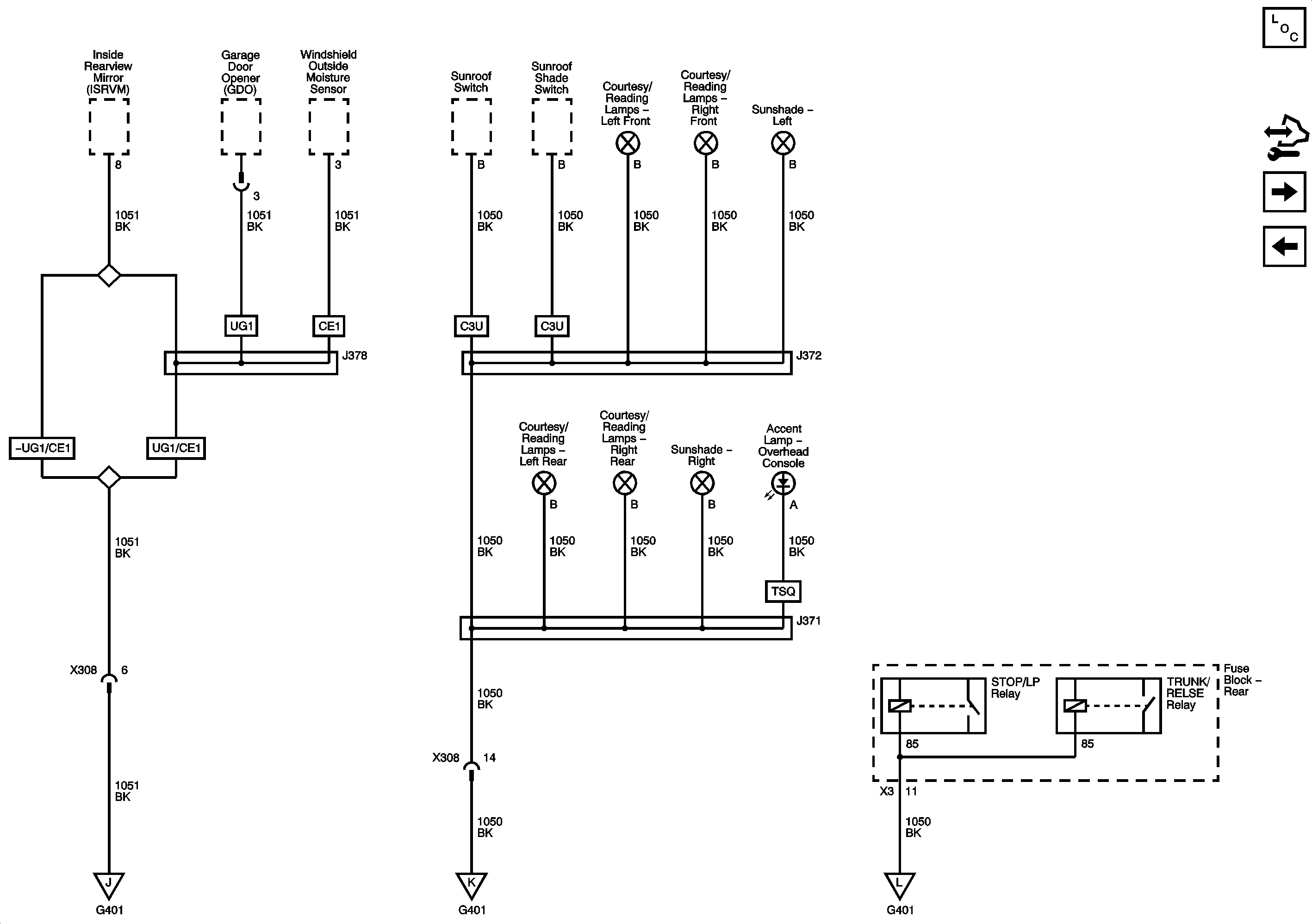
Figure 14:

G401 (3 of 3)


Object Number: 1931396  Size: FS
Master Electrical Component List
Control Module References
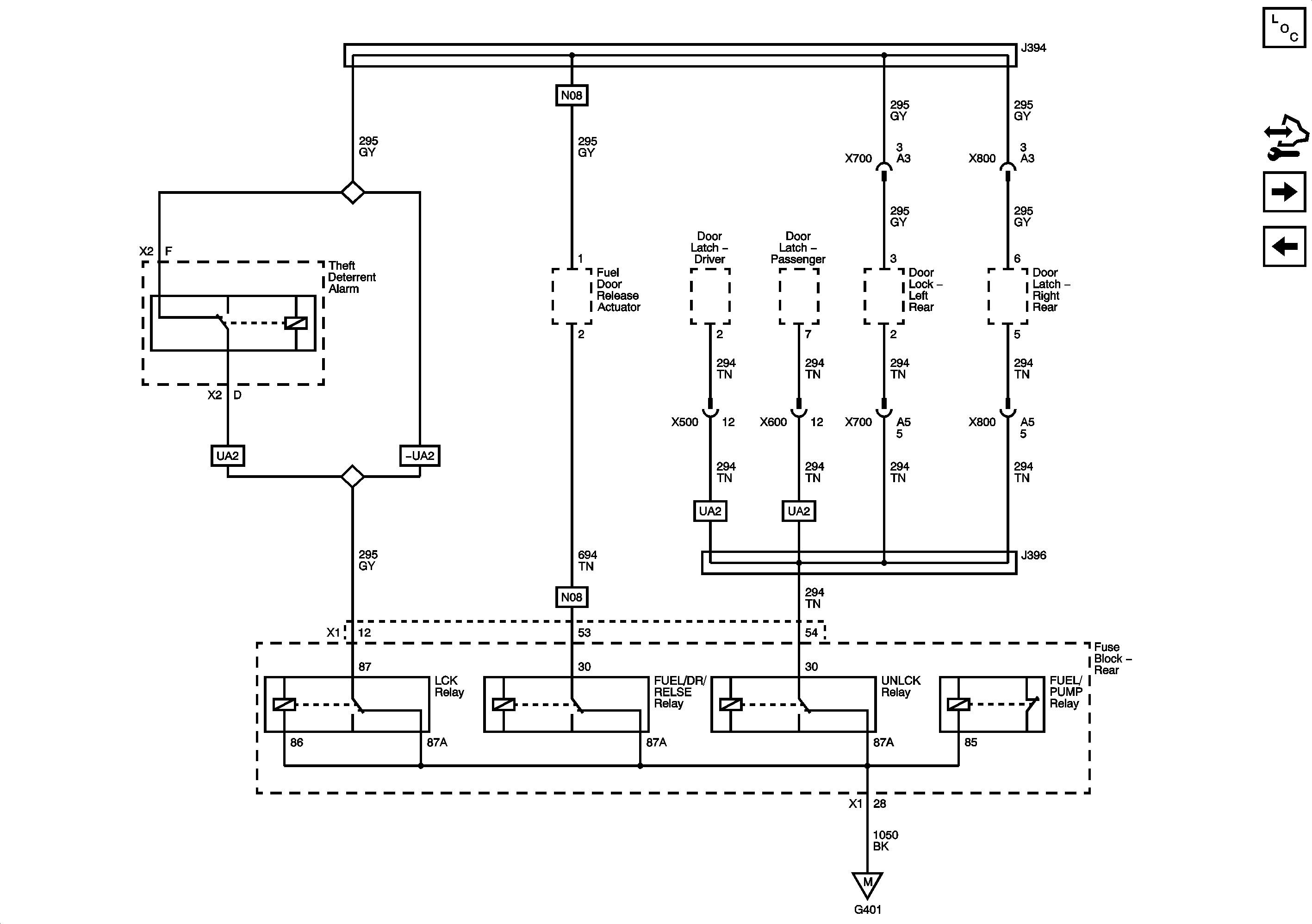
G402
G401 (2 of 3)
Figure 15:

G402


Object Number: 1931439  Size: FS
Master Electrical Component List
Control Module References
G401 (2 of 3)