GM Service Manual Online
For 1990-2009 cars only

Removal Procedure

  1. Raise and support the vehicle. Refer to Lifting and Jacking the Vehicle.
  2. Remove the tires and wheels. Refer to Tire and Wheel Removal and Installation.
  3. Remove the rear propeller shaft. Refer to Rear Propeller Shaft Replacement.
  4. Drain the rear differential, if needed. Refer to Axle Lubricant Change.
  5. Important: It is only necessary to remove only one of the rear wheel drive shafts from the vehicle. Remove and support the remaining wheel drive shaft.

  6. Remove the rear wheel drive shaft from the rear differential. Refer to Rear Wheel Drive Shaft Replacement.
  7. Place a transmission jack stand under the rear differential assembly.
  8. Secure the rear differential assembly to the transmission jack stand.

  9. Object Number: 1970358  Size: MH
  10. Remove the two front differential mounting bolts (1).

  11. Object Number: 1970363  Size: SH
  12. Remove the rear mounting bolt (1) and nut (2) for the differential.

  13. Object Number: 1970369  Size: MH
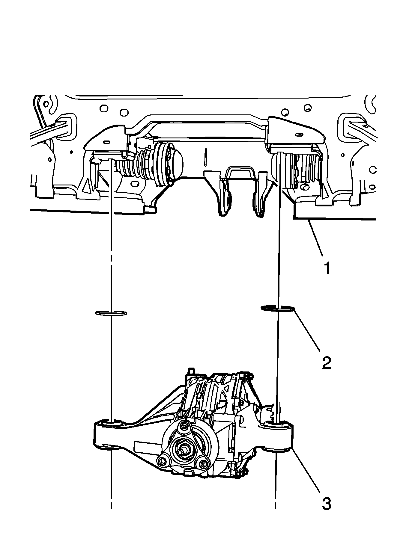
  14. Lower the rear differential assembly (3) from the rear frame (1) and remove from the vehicle.
  15. If replacing the rear differential assembly, remove the rear differential damper assembly. Refer to Differential Carrier Dampener and Bracket Replacement.
  16. Replace the insulators (2) if found to be damaged or missing.

Installation Procedure

  1. If installing a new rear differential, install the rear differential damper assembly. Refer to Differential Carrier Dampener and Bracket Replacement.

  2. Object Number: 1970369  Size: MH
  3. Install the new insulators (2), if needed.
  4. Install the rear differential assembly (3) in the rear frame (1).
  5. Notice: Refer to Fastener Notice in the Preface section.


    Object Number: 1970363  Size: SH
  6. Install the rear differential mounting bolt (1) and nut (2).
  7. Tighten
    Tighten the rear differential mounting bolt (1) to 220 N·m (162 lb ft).


    Object Number: 1970358  Size: MH
  8. Install the rear differential front mounting bolts (1).
  9. Tighten
    Tighten the rear differential mounting bolt (1) to 175 N·m (129 lb ft).

  10. Remove the transmission jack stand.
  11. Install the rear wheel drive shafts. Refer to Rear Wheel Drive Shaft Replacement.
  12. Install the rear propeller shaft. Refer to Rear Propeller Shaft Replacement.
  13. Fill the differential with fluid, if needed. Refer to Axle Lubricant Change.
  14. Install the tires and wheels. Refer to Tire and Wheel Removal and Installation.
  15. Remove the support and lower the vehicle.