GM Service Manual Online
For 1990-2009 cars only
Makes
🢒
Cadillac
🢒
2008
🢒
CTS
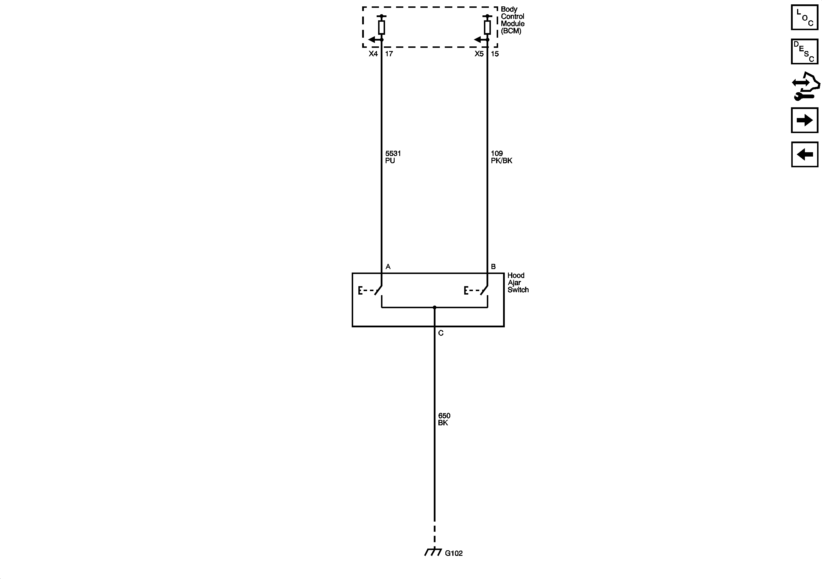
🢒 Hood Ajar Switch
Hood Ajar Switch
Hood Ajar Switch
Master Electrical Component List
Keyless Entry System Description and Operation with RPO Y41
Control Module References
Garage Door Opener - UG1
Power, Grounds, Antennas, Indicator and Release Switch