GM Service Manual Online
For 1990-2009 cars only
Figure 1:

G101


Object Number: 2081163  Size: FS
Figure 2:

G102


Object Number: 2081168  Size: FS
Figure 3:

G104, G106 and G134


Object Number: 2081173  Size: FS
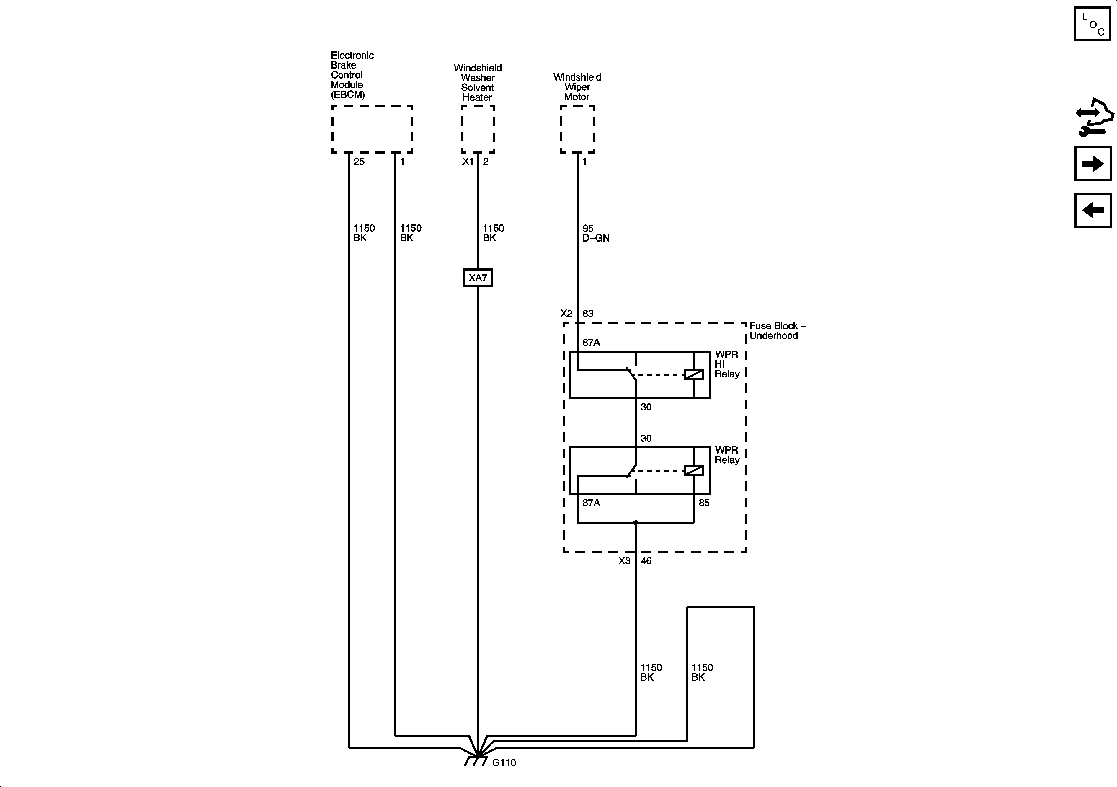
Figure 4:

G110


Object Number: 2081178  Size: FS
Figure 5:

G130 and G131


Object Number: 2081180  Size: FS
Figure 6:

G132


Object Number: 2081184  Size: FS
Figure 7:

G200 (1 of 3)


Object Number: 2081188  Size: FS
Figure 8:

G200 (2 of 3)


Object Number: 2081195  Size: FS
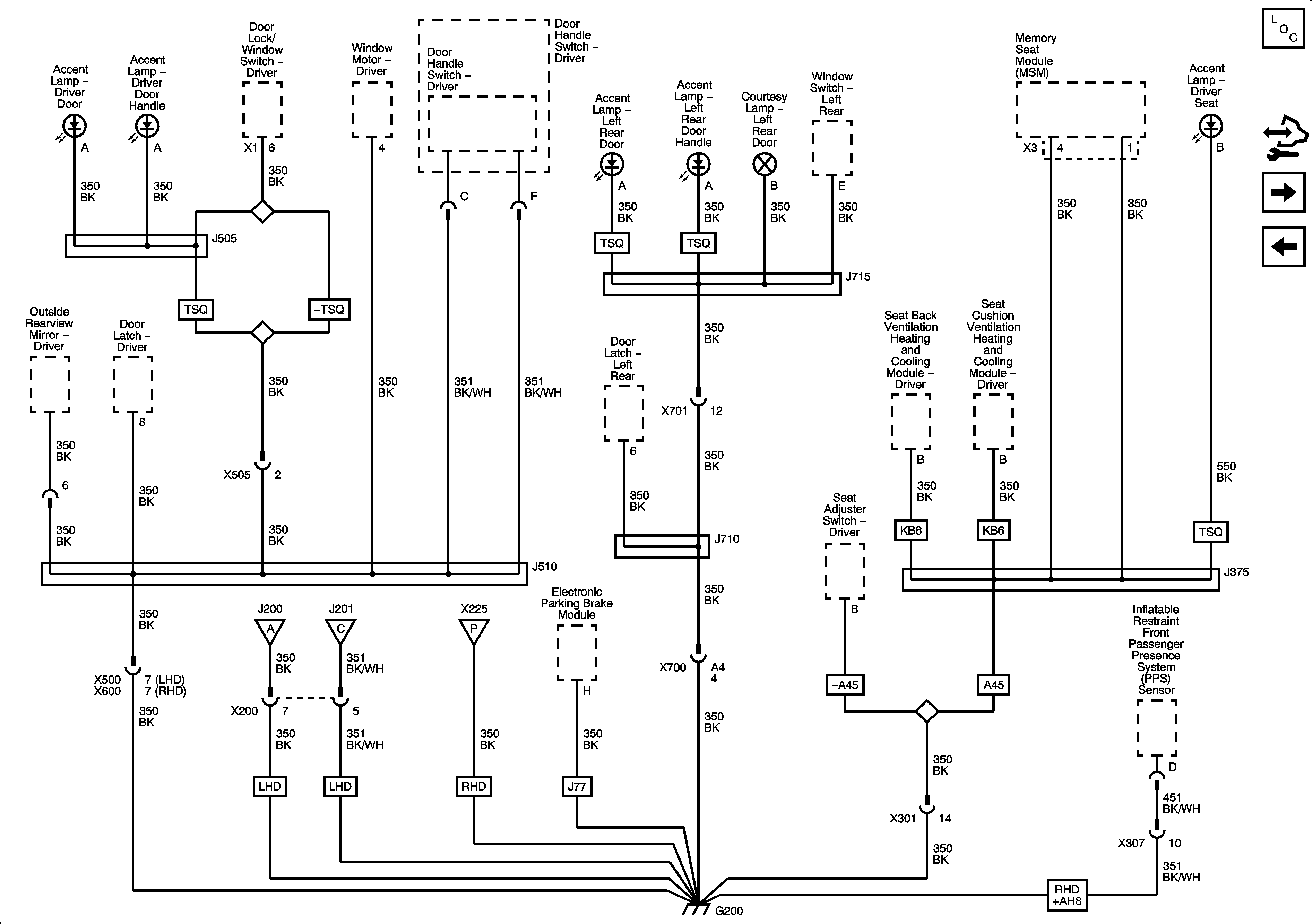
Figure 9:

G200 (3 of 3)


Object Number: 2081198  Size: FS
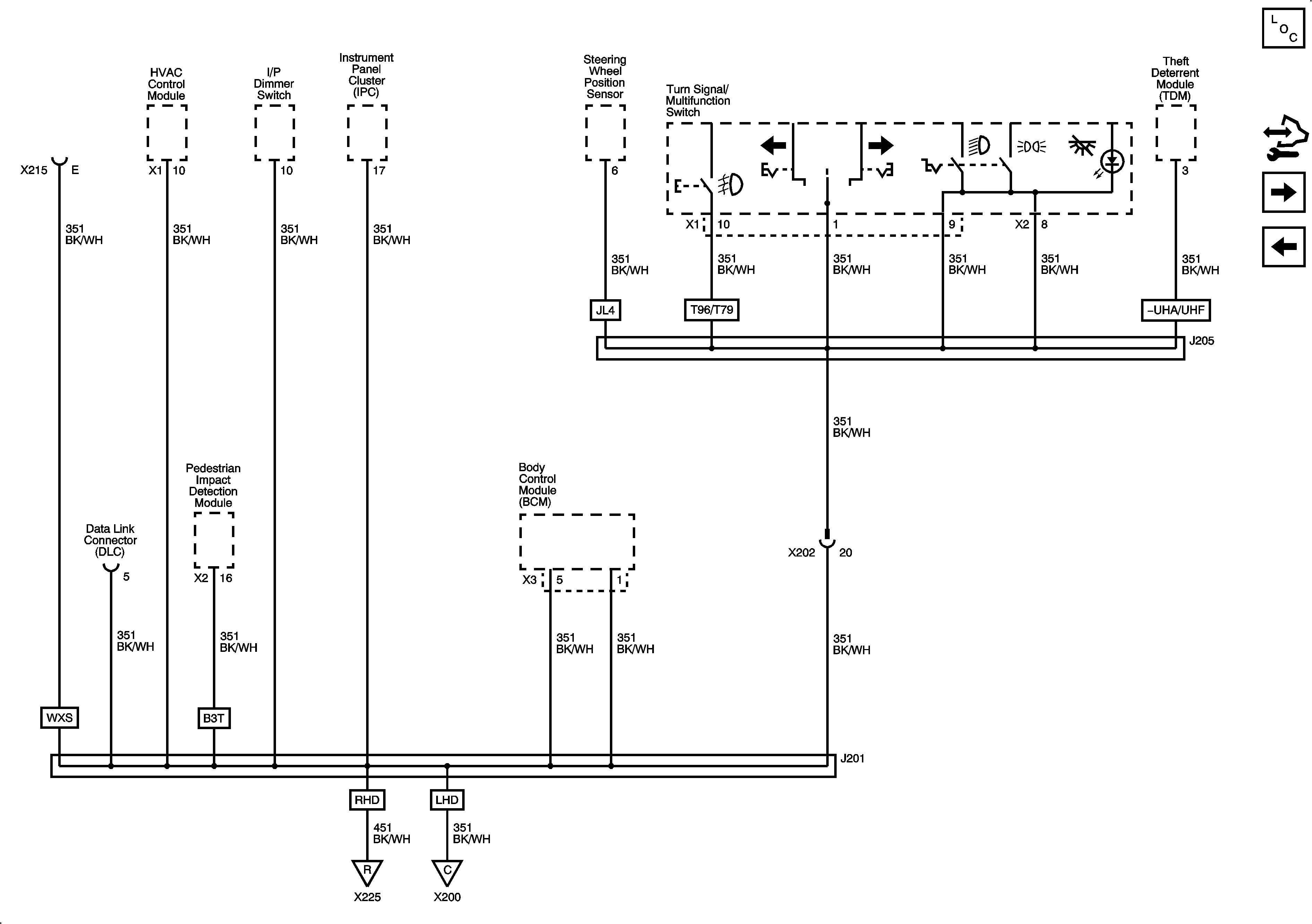
Figure 10:

G201 (1 of 2)


Object Number: 2081201  Size: FS
Figure 11:

G201 (2 of 2)


Object Number: 2081209  Size: FS
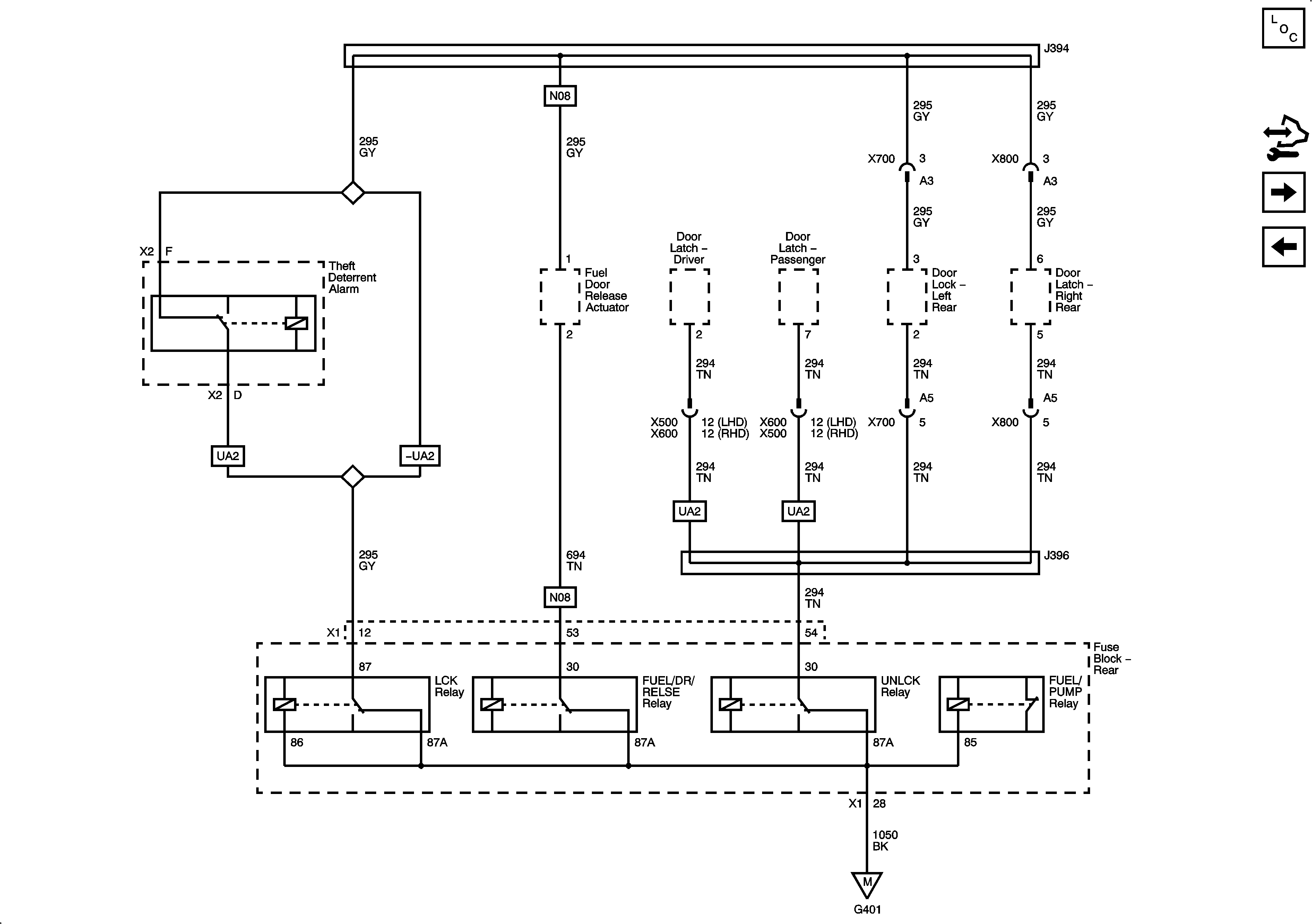
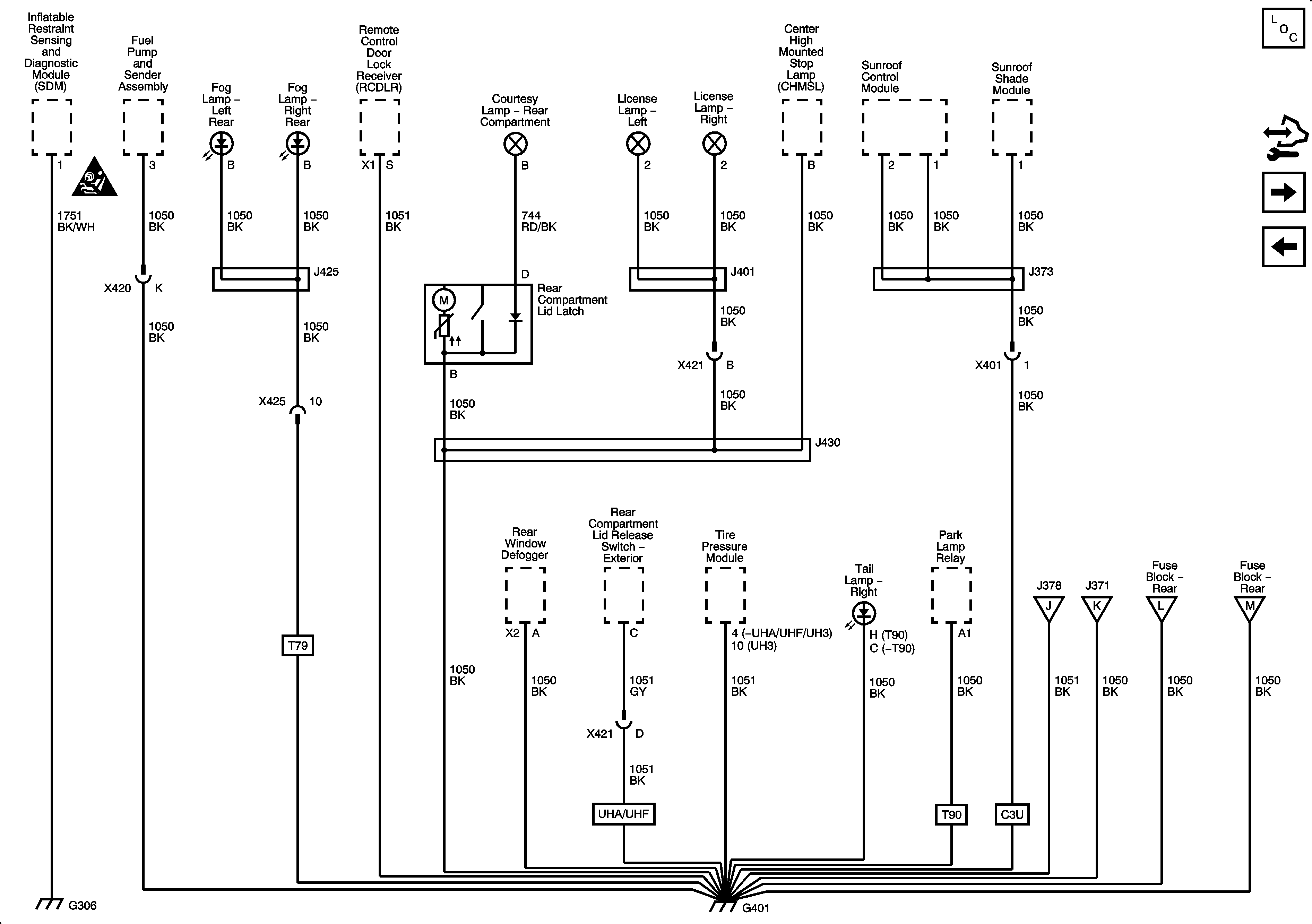
Figure 12:

G401 (1 of 3)


Object Number: 2081212  Size: FS
Figure 13:

G401 (2 of 3)


Object Number: 2081214  Size: FS
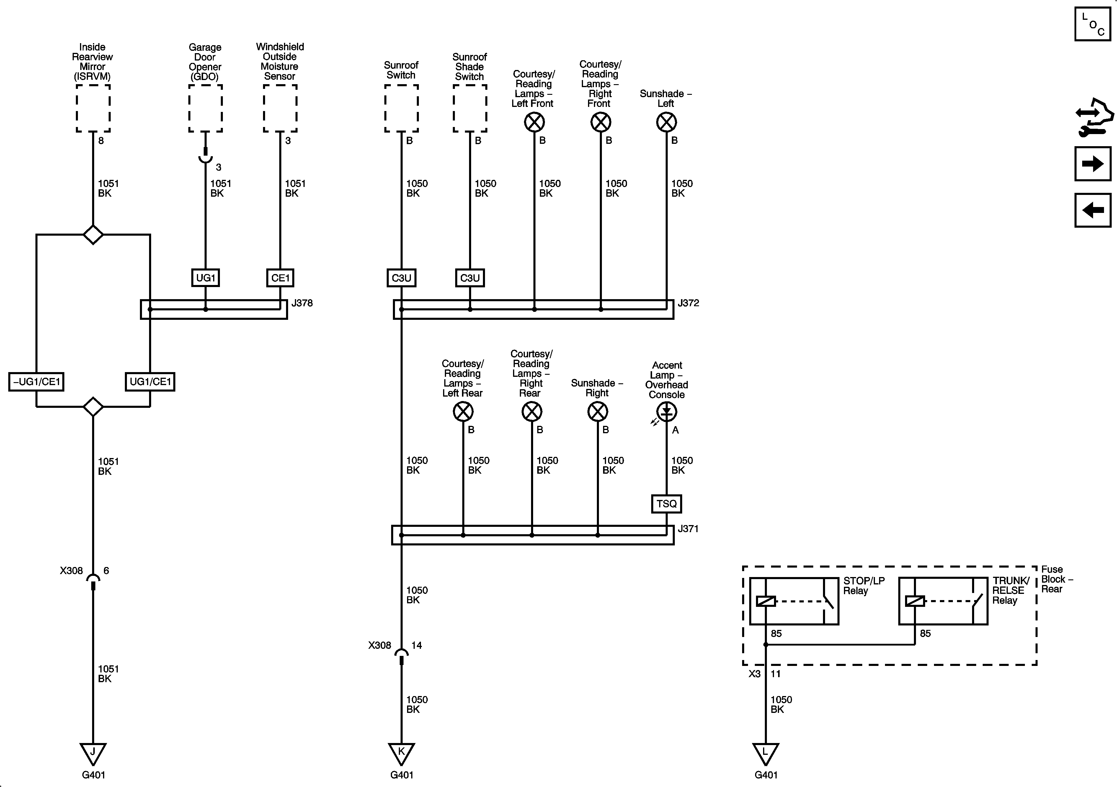
Figure 14:

G401 (3 of 3)


Object Number: 2081217  Size: FS
Figure 15:

G402


Object Number: 2081219  Size: FS