GM Service Manual Online
For 1990-2009 cars only
Figure 1:

Supercharger/Upper Engine


Object Number: 2156290  Size: LF
(1)Evaporative (EVAP) Emission Canister Purge Tube
(2)Positive Crankcase Ventilation (PCV) Tube - Fresh Air
(3)Supercharger Cover Bolts
(4)Supercharger Cover
(5)Supercharger Cover Seal
(6)Supercharger Insulator Seal
(7)Supercharger Bolts
(8)Supercharger
(9)Supercharger Gasket
(10)Supercharger Gasket Rivet
(11)Engine Coolant Air Bleed Plug
(12)Engine Coolant Air Bleed Pipe Bolt
(13)Engine Coolant Air Bleed Pipe
(14)Engine Coolant Air Bleed Pipe Seal
(15)Engine Coolant Air Bleed Pipe
(16)Valley Cover Bolt
(17)Engine Oil Pressure Sensor
(18)Valley Cover
(19)PCV Hose - Dirty Air
(20)Valley Cover Seal
(21)Valley Cover Gasket
(22)Engine Block
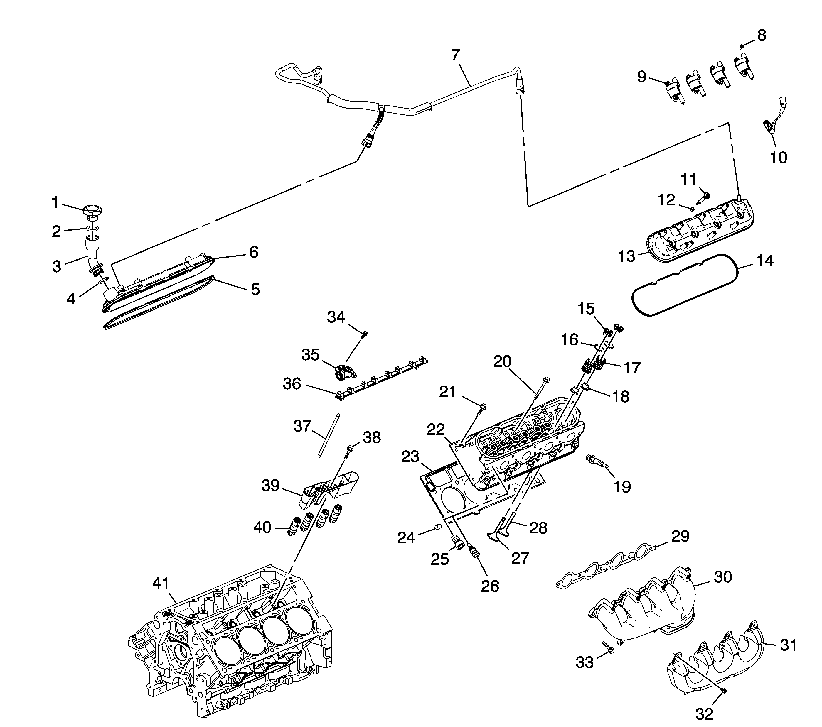
Figure 2:

Cylinder Head/Upper Engine


Object Number: 2173541  Size: LF
(1)Oil Cap
(2)Oil Cap O-ring Seal
(3)Oil Fill Tube
(4)Oil Fill Tube O-ring Seal
(5)Valve Rocker Arm Cover Gasket
(6)Valve Rocker Arm Cover
(7)Positive Crankcase Ventilation (PCV) Tube - Fresh Air
(8)Bolt
(9)Ignition Coil
(10)Spark Plug Wire
(11)Bolt
(12)Bolt Grommet
(13)Valve Rocker Arm Cover
(14)Valve Rocker Arm Cover Gasket
(15)Valve Stem Key
(16)Valve Spring Cap
(17)Valve Spring
(18)Valve Stem Oil Seal
(19)Spark Plug
(20)Cylinder Head Bolt - M11
(21)Cylinder Head Bolt - M8
(22)Cylinder Head
(23)Cylinder Head Gasket
(24)Cylinder Head Locating Pin
(25)Cylinder Head Plug
(26)Coolant Temperature Sensor
(27)Exhaust Valve
(28)Intake Valve
(29)Exhaust Manifold Gasket
(30)Exhaust Manifold
(31)Exhaust Manifold Heat Shield
(32)Exhaust Manifold Heat Shield Bolt
(33)Exhaust Manifold Bolt
(34)Bolt
(35)Valve Rocker Arm
(36)Valve Rocker Arm Pivot Support
(37)Valve Pushrod
(38)Bolt
(39)Valve Lifter Guide
(40)Valve Lifter
(41)Engine Block
Figure 3:

Front of Engine


Object Number: 2173543  Size: LF
(1)Bolt
(2)Water Inlet Housing
(3)Water Inlet Seal
(4)Engine Coolant Thermostat
(5)Water Pump
(6)Water Pump Gasket
(7)Bolt
(8)Bolt
(9)Balancer Weight - Crankshaft Balancer - Manual Transmission
(10)Crankshaft Balancer
(11)Crankshaft Front Oil Seal
(12)Camshaft Position (CMP) Sensor Wire Harness Bolt
(13)CMP Sensor Wire Harness
(14)CMP Sensor Bolt
(15)CMP Sensor Seal
(16)CMP Sensor
(17)Bolt
(18)Engine Front Cover
(19)Engine Front Cover Gasket
(20)Bolt
(21)Timing Chain Tensioner
(22)Timing Chain
(23)Crankshaft Balancer Washer
(24)Crankshaft Sprocket
(25)Bolt
(26)Camshaft Sprocket
(27)Bolt
(28)Camshaft Retainer
(29)Camshaft Sprocket Locating Pin
(30)Camshaft
(31)Camshaft Bearings
(32)Engine Block
(33)Oil Pump Suction Pipe Nut
(34)Oil Pump Suction Pipe
(35)Oil Pump Suction Pipe Bolt
(36)Oil Pump O-ring Seal
(37)Oil Pressure Relief Valve Bore Plug
(38)Oil Pressure Relief Valve Spring
(39)Oil Pressure Relief Valve
(40)Oil Pump Driven Gear
(41)Oil Pump Drive Gear
(42)Oil Pump Cover
(43)Oil Pump Cover Bolt
(44)Oil Pump
(45)Oil Pump Bolt
Figure 4:

Rear of Engine


Object Number: 2053958  Size: MF
(1)Engine Block
(2)Crankshaft Rear Oil Seal Housing Gasket
(3)Crankshaft Rear Oil Seal Housing
(4)Bolt
(5)Crankshaft Rear Oil Seal
(6)Flexplate - Automatic Transmission
(7)Transmission Pilot Bearing - Manual Transmission
(8)Balance Weight - Flywheel - Manual Transmission
(9)Flywheel - Manual Transmission
(10)Bolt
(11)Clutch Pressure Plate Locating Pin - Manual Transmission
(12)Clutch Drive Plate - Manual Transmission
(13)Clutch Pressure Plate - Manual Transmission
(14)Bolt
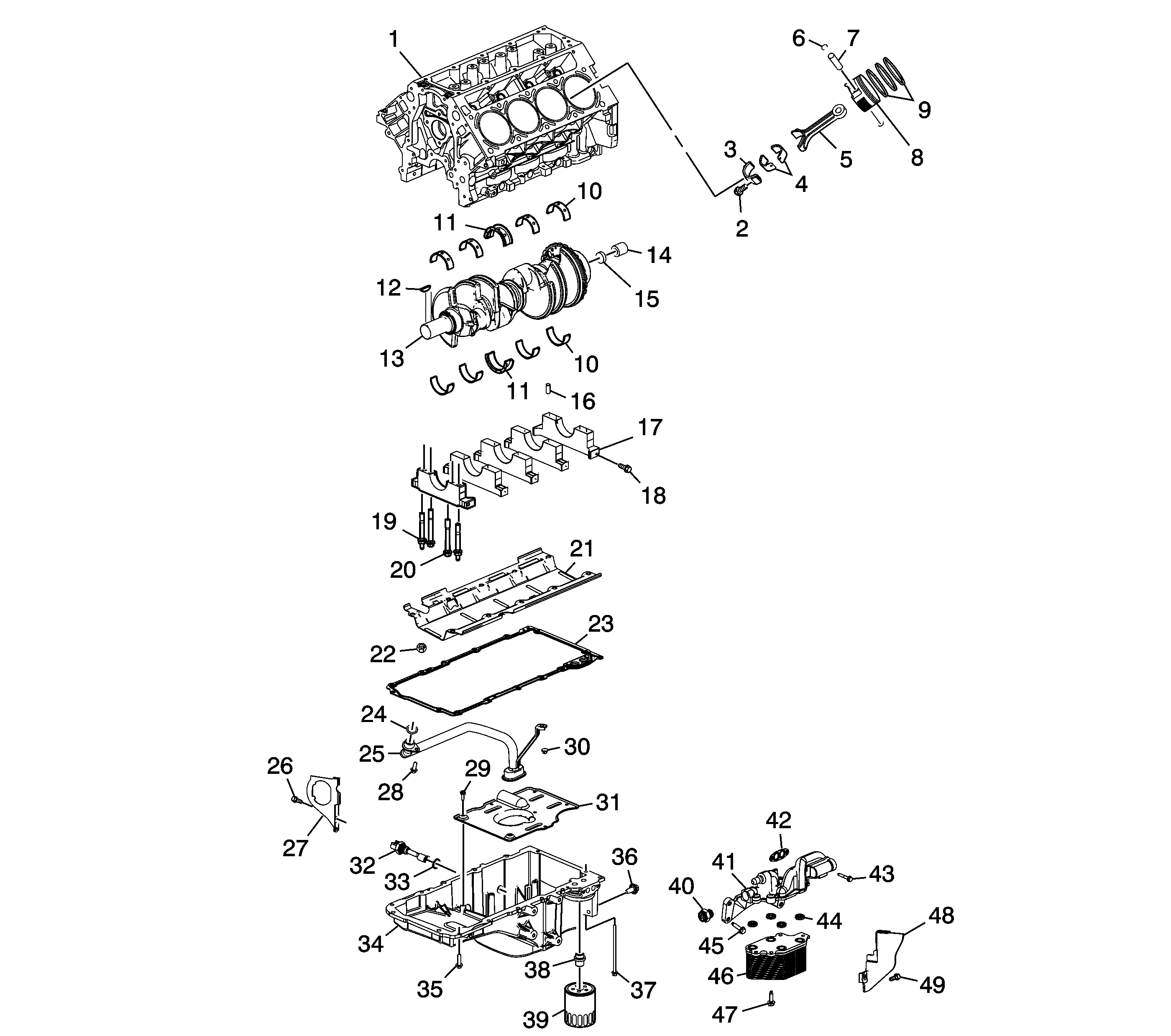
Figure 5:

Lower Engine Assembly


Object Number: 2156292  Size: LF
(1)Engine Block
(2)Bolt
(3)Connecting Rod Cap
(4)Connecting Rod Bearing
(5)Connecting Rod
(6)Piston Pin Retainer
(7)Piston Pin
(8)Piston
(9)Piston Ring Set
(10)Crankshaft Bearing
(11)Crankshaft Bearing - Thrust
(12)Crankshaft Sprocket Key
(13)Crankshaft
(14)Transmission Pilot Bearing - Manual Transmission
(15)Crankshaft Hole Plug
(16)Crankshaft Bearing Cap Locating Pin
(17)Crankshaft Bearing Cap
(18)Bolt - M8
(19)Stud - M10
(20)Bolt - M10
(21)Crankshaft Oil Deflector
(22)Crankshaft Oil Deflector Nut
(23)Oil Pan Gasket
(24)Oil Pump Suction Pipe Seal
(25)Oil Pump Suction Pipe
(26)Bolt
(27)Engine Cover - Right
(28)Oil Pump Suction Pipe Bolt
(29)Oil Pan Baffle Bolt
(30)Oil Pump Suction Pipe Nut
(31)Oil Pan Baffle
(32)Engine Oil Level Sensor
(33)Engine Oil Level Sensor Seal
(34)Oil Pan
(35)Oil Pan Bolt
(36)Oil Pan Drain Plug
(37)Oil Pan Bolt
(38)Oil Filter Fitting
(39)Oil Filter
(40)Engine Oil Cooler Coolant Fitting
(41)Engine Oil Cooler Housing
(42)Engine Oil Cooler Gasket
(43)Engine Oil Cooler-to-Oil Pan Bolt - M6
(44)Engine Oil Cooler Core Seal
(45)Engine Oil Cooler-to-Oil Pan Bolt - M8
(46)Engine Oil Cooler Core
(47)Engine Oil Cooler Core-to-Housing Bolt
(48)Oil Pan Cover - Left
(49)Bolt
Figure 6:

Engine Block Plugs/Sensors


Object Number: 2085637  Size: LF
(1)Engine Block Oil Gallery Plug - Front
(2)Engine Block Oil Gallery Plug Seal
(3)Engine Block Oil Gallery Plug - Side
(4)Engine Block Coolant Heater Seal
(5)Engine Block Coolant Heater
(6)Knock Sensor
(7)Bolt
(8)Engine Block Oil Gallery Plug - Side
(9)Engine Block Oil Gallery Plug Seal
(10)Engine Block
(11)Transmission Locating Pin
(12)Engine Block Oil Gallery Plug Seal
(13)Engine Block Oil Gallery Plug - Rear
(14)Piston Oil Nozzle
(15)Crankshaft Position (CKP) Sensor Seal
(16)CKP Sensor
(17)CKP Sensor Bolt
(18)Engine Block Coolant Drain Hole Plug Seal
(19)Engine Block Coolant Drain Hole Plug - Side
Figure 7:

Supercharger Cover Assembly


Object Number: 2156295  Size: LF
(1)Charge Air Cooler Cover
(2)Charge Air Cooler Cover Bolt
(3)Barometric Pressure Sensor Bolt
(4)Barometric Pressure Sensor
(5)Barometric Pressure Sensor Seal
(6)Isolator Pad Bolt
(7)Isolator Pad
(8)Charge Air Cooler Coolant Pipe Seal
(9)Charge Air Cooler Coolant Outlet Pipe Assembly Seal
(10)Charge Air Cooler Coolant Outlet Pipe Assembly
(11)Charge Air Cooler Coolant Outlet Pipe Assembly Bolt
(12)Supercharger Air Outlet Pressure Sensor Bolt
(13)Supercharger Air Outlet Pressure Sensor
(14)Supercharger Air Outlet Pressure Sensor Seal
(15)Intake Air Temperature Sensor
(16)Charge Air Cooler
(17)Charge Air Cooler Bolt
(18)Charge Air Cooler Cover Seal
Figure 8:

Supercharger Assembly


Object Number: 2156297  Size: LF
(1)Fuel Injector Wiring Harness
(2)Multiport Fuel Injection Fuel Rail
(3)Fuel Rail Service Port Cap
(4)Fuel Injector Seal
(5)Fuel Injector Retainer
(6)Fuel Injector
(7)Fuel Injection Fuel Rail Bolt
(8)Fuel Injector Fuel Rail Stud
(9)Fuel Injector Wiring Harness
(10)Charge Air Cooler Insulator
(11)Fuel Injector Wiring Harness Connector Bracket - Right
(12)Fuel Injector Wiring Harness Connector Bracket Bolt
(13)Supercharger Bolt
(14)Fuel Injector Wiring Harness Connector Bracket - Left
(15)Supercharger
(16)Intake Manifold Gasket
(17)Intake Manifold Gasket Rivet
(18)Throttle Body Bolt
(19)Throttle Body
(20)Throttle Body Seal
(21)Charge Air Bypass Valve Vacuum Tube
(22)Supercharger Bypass Actuator
(23)Charge Air Bypass Valve w/Bracket
(24)Supercharger Bypass Actuator Bolt
(25)Charge Air Bypass Valve Bolt
(26)Charge Air Bypass Valve Tube
(27)Bypass Valve Actuator Tube
(28)Evaporative Emission Canister Purge Valve
(29)Evaporative Emission Canister Purge Valve Seal
(30)Supercharger Inlet Air Pressure Sensor Bolt
(31)Supercharger Inlet Air Pressure Sensor
(32)Supercharger Inlet Air Pressure Sensor Seal
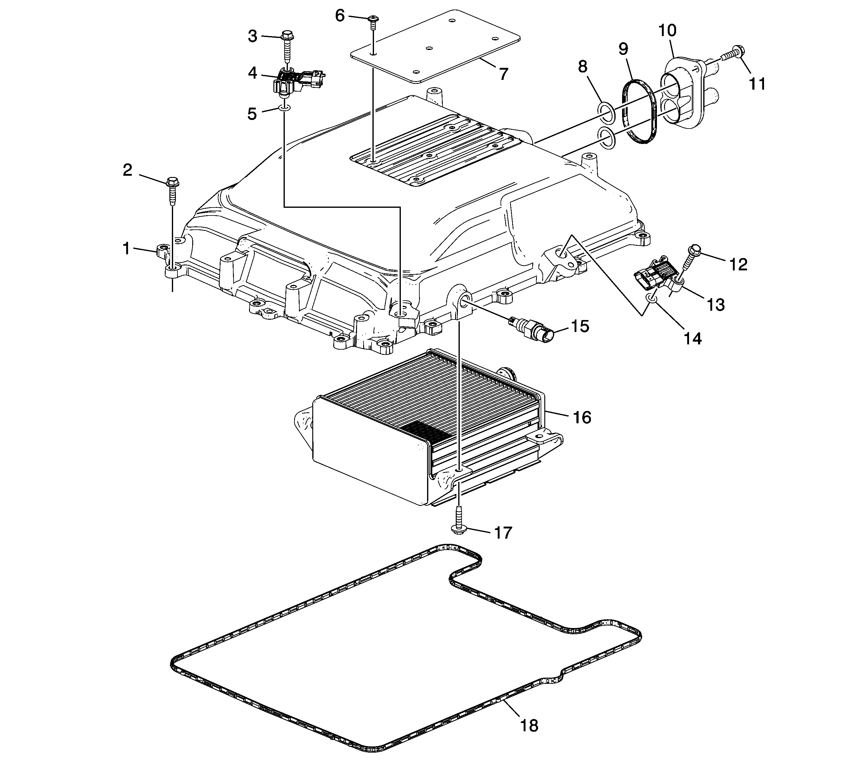
Figure 9:

Oil Pump Assembly


Object Number: 1272779  Size: SF
(408)Bolt
(409)Oil Pump Housing Cover
(410)Oil Pump Drive Gear
(412)Oil Pump Driven Gear
(413)Oil Pump
(414)Oil Pump Pressure Relief Valve
(415)Oil Pump Pressure Relief Valve Spring
(416)Oil Pump Housing Plug