GM Service Manual Online
For 1990-2009 cars only

    Object Number: 2142312  Size: SH
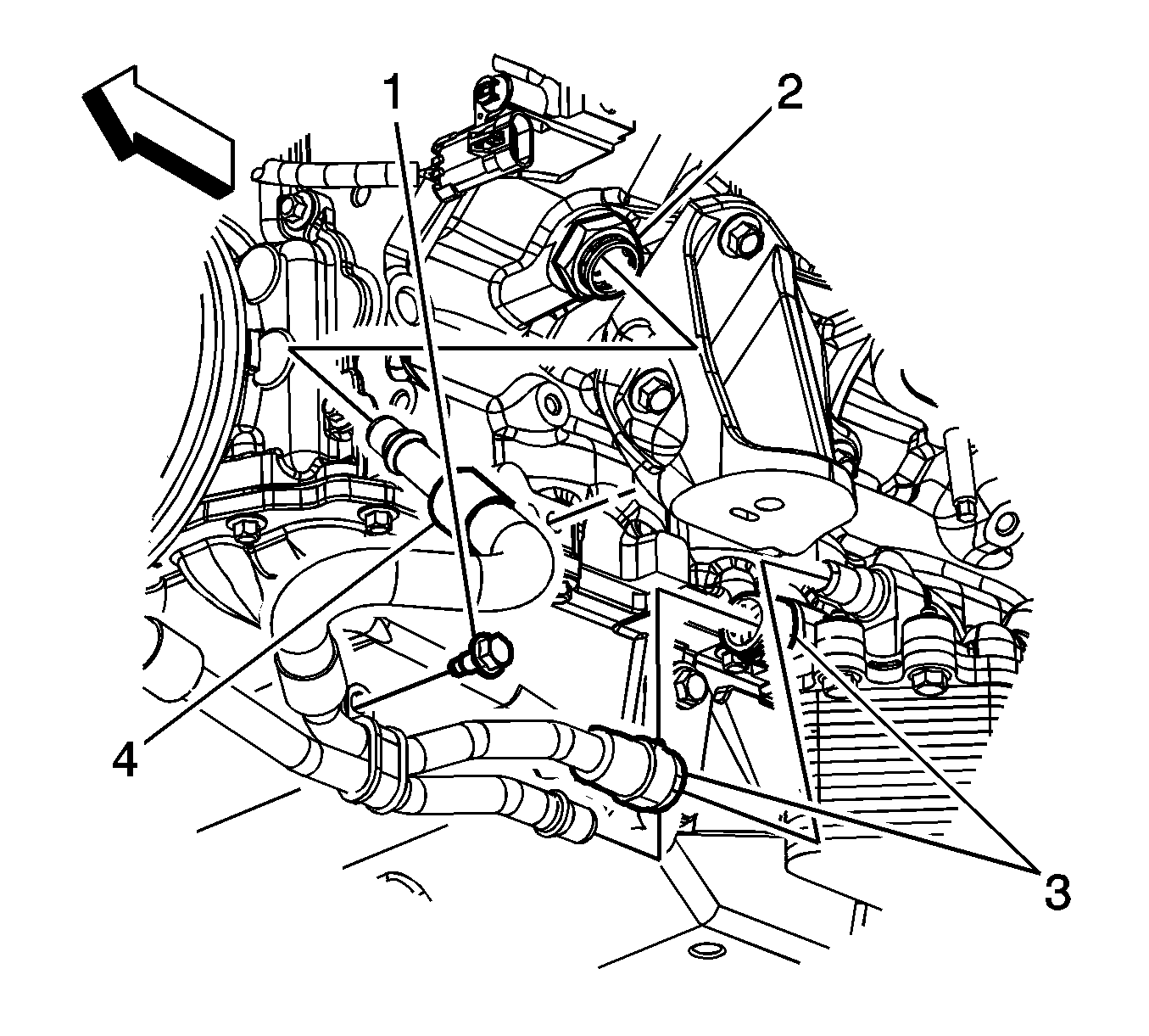
  1. Remove the engine oil cooler coolant fitting (2).

  2. Object Number: 63164  Size: SH
  3. Remove the engine block right rear coolant drain hole plug and seal.

  4. Object Number: 1552550  Size: SH
  5. Remove the engine block left front oil gallery plug (116) and seal (117).

  6. Object Number: 1552551  Size: SH
  7. Remove the engine block left rear oil gallery plug (112) and seal (113).
  8. If the block plug and coolant heater sealing washers are not damaged, they may be used during assembly.


    Object Number: 1669843  Size: SH
  9. Remove the engine block rear oil gallery plug (111) and seal.
  10. Inspect the O-ring seal of the rear oil gallery plug.
  11. If the O-ring seal is not cut or damaged, the plug and O-ring seal may be used during assembly.


    Object Number: 1552553  Size: SH

    Note: Remove the front oil gallery plug, only if service is required. If the front oil gallery plug is removed, a NEW oil gallery plug must be installed.

  12. Remove the engine block front oil gallery plug (101).

  13. Object Number: 1402136  Size: SH
  14. Remove the left side knock sensor (718) and bolt (739).

  15. Object Number: 1402140  Size: SH
  16. Remove the right side knock sensor (718) and bolt (739).

  17. Object Number: 2085658  Size: SH
  18. Remove the piston oil nozzles (1) from the block - 6.2L LS9/LSA.