GM Service Manual Online
For 1990-2009 cars only
Makes
🢒
Cadillac
🢒
2009
🢒
CTS
🢒
Diagnostic Navigation
🢒
Vehicle Diagnostic Information
🢒 Radio/Navigation System Schematics
Figure
1:
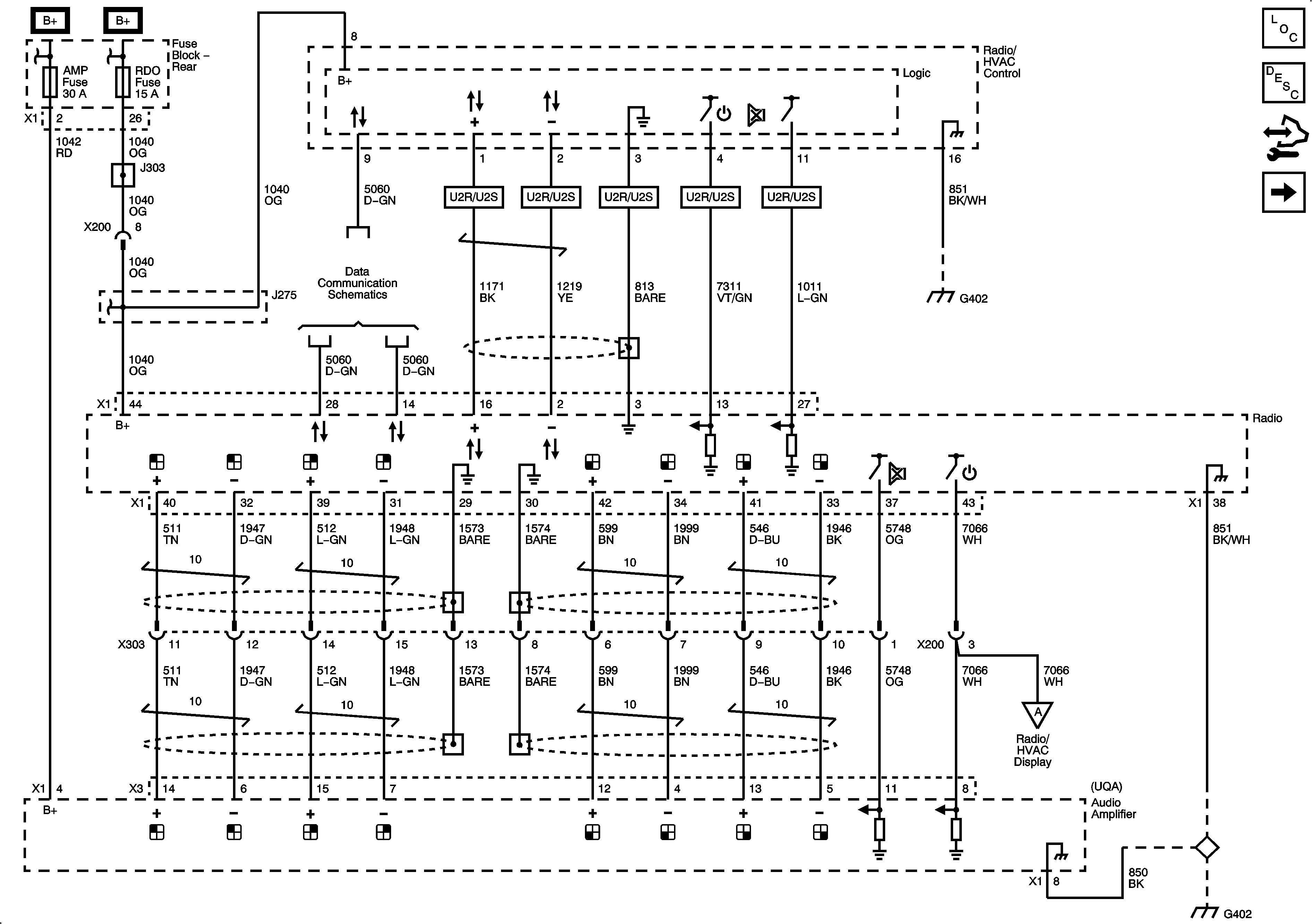
Radio, Amp, Radio/HVAC Control (U2R/U2S) Power, Ground and Communication (Left Hand Drive with UQA)
Figure
2:
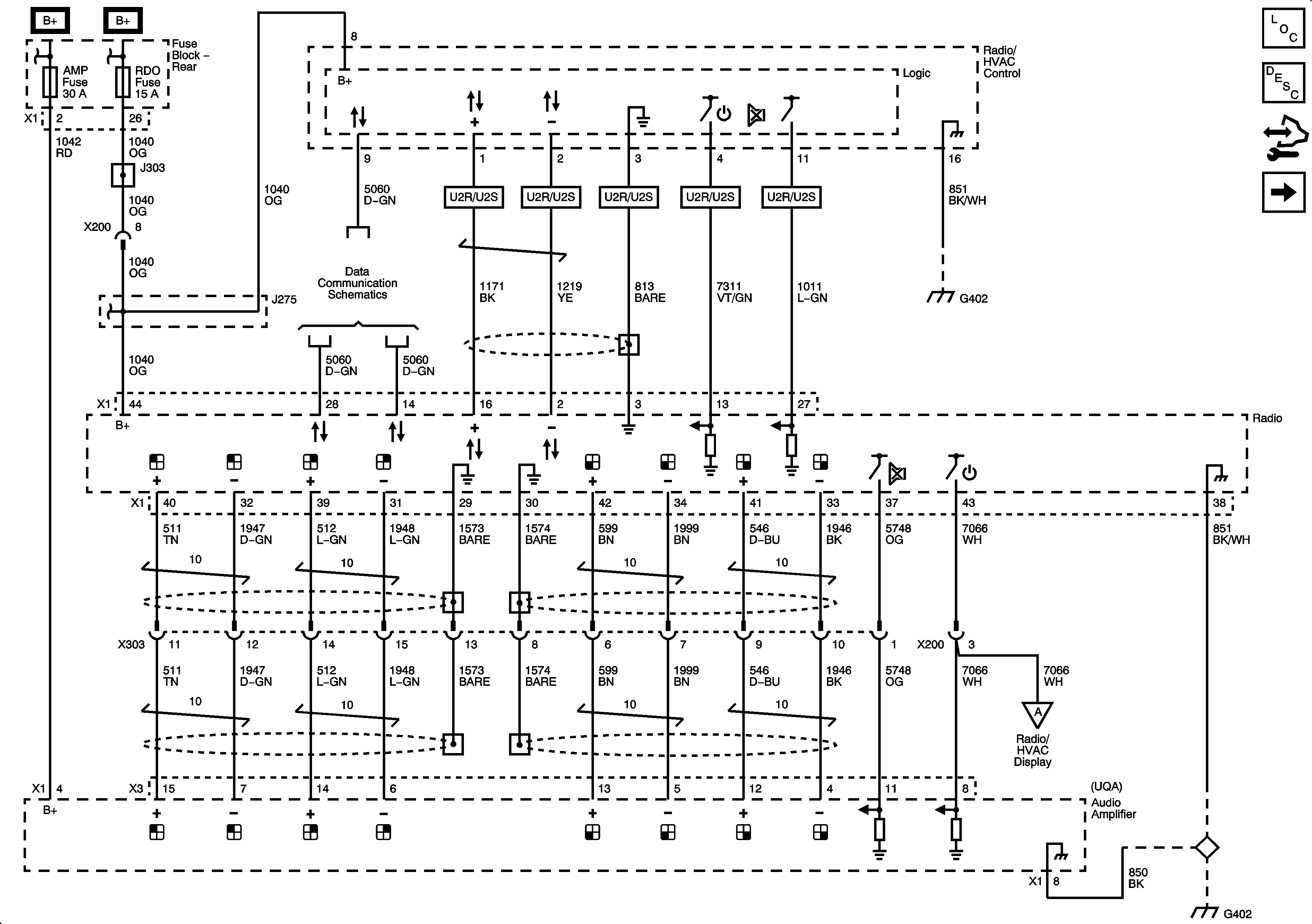
Radio, Amp, Radio/HVAC Control (U2R/U2S) Power, Ground and Communication (Right Hand Drive with UQA)
Figure
3:
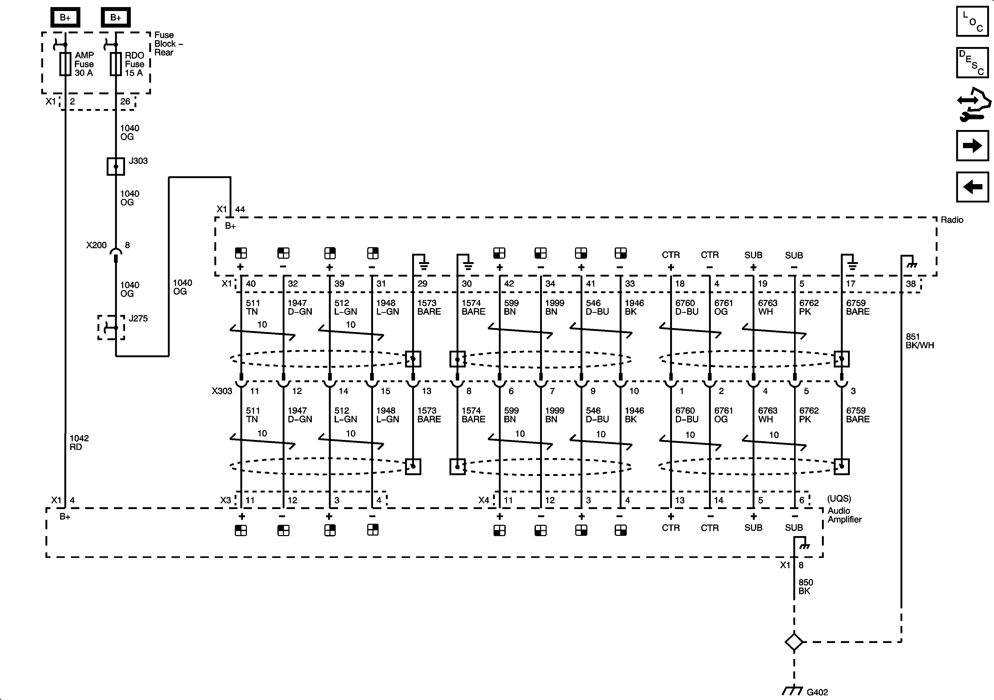
Radio, Amp Power, Ground and Communication (UQS)
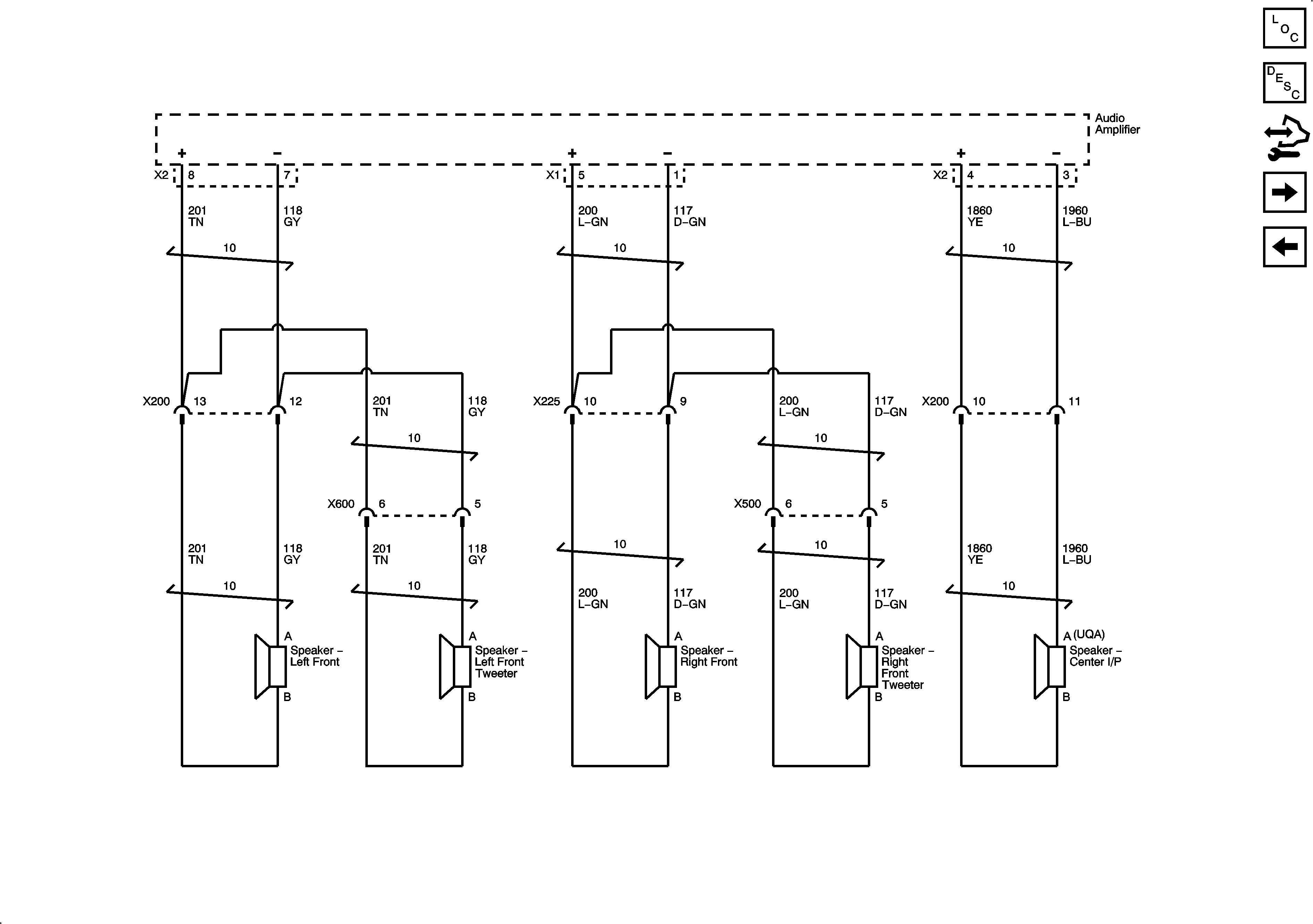
Figure
4:
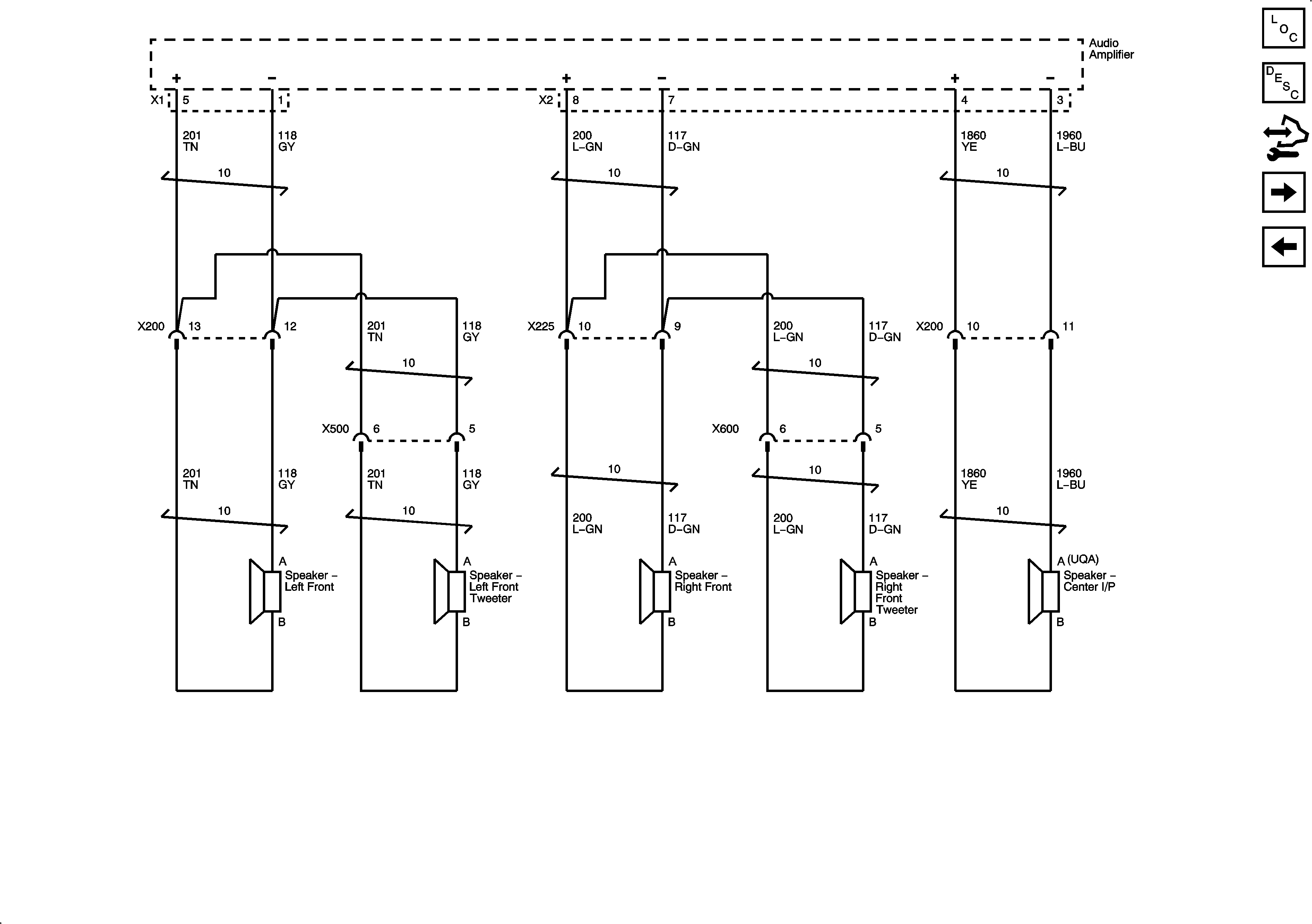
Front Speakers (Left Hand Drive with UQA)
Figure
5:
Front Speakers (Right Hand Drive with UQA)
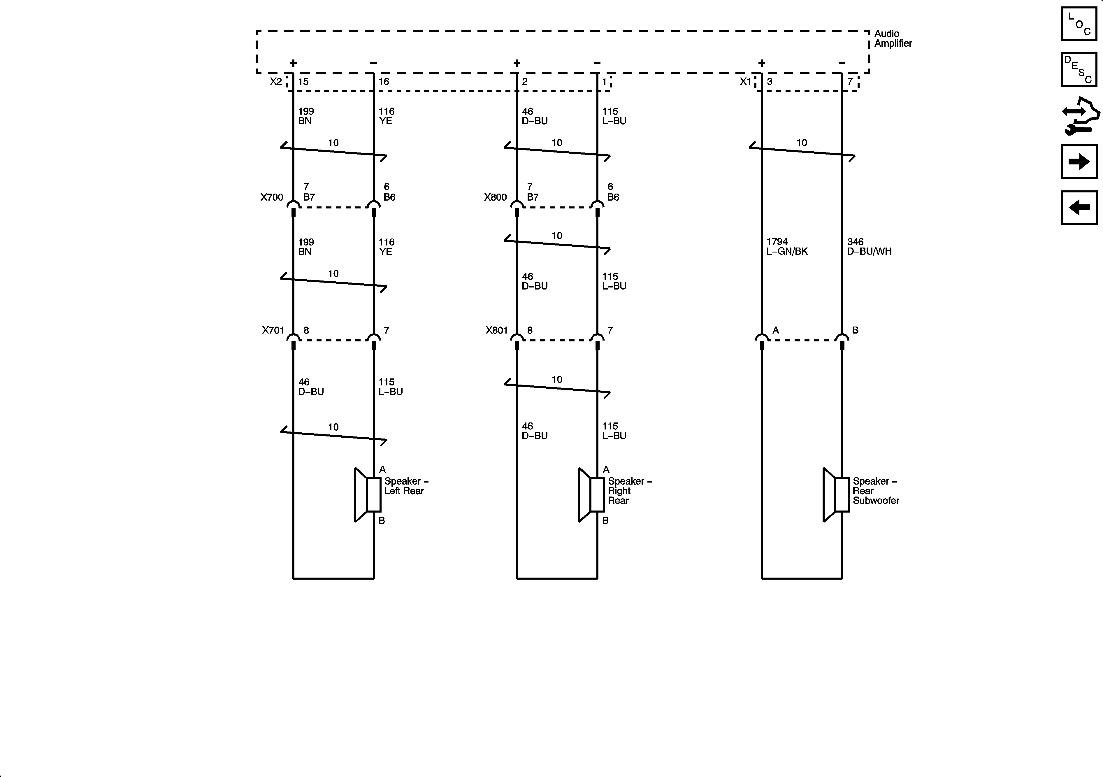
Figure
6:
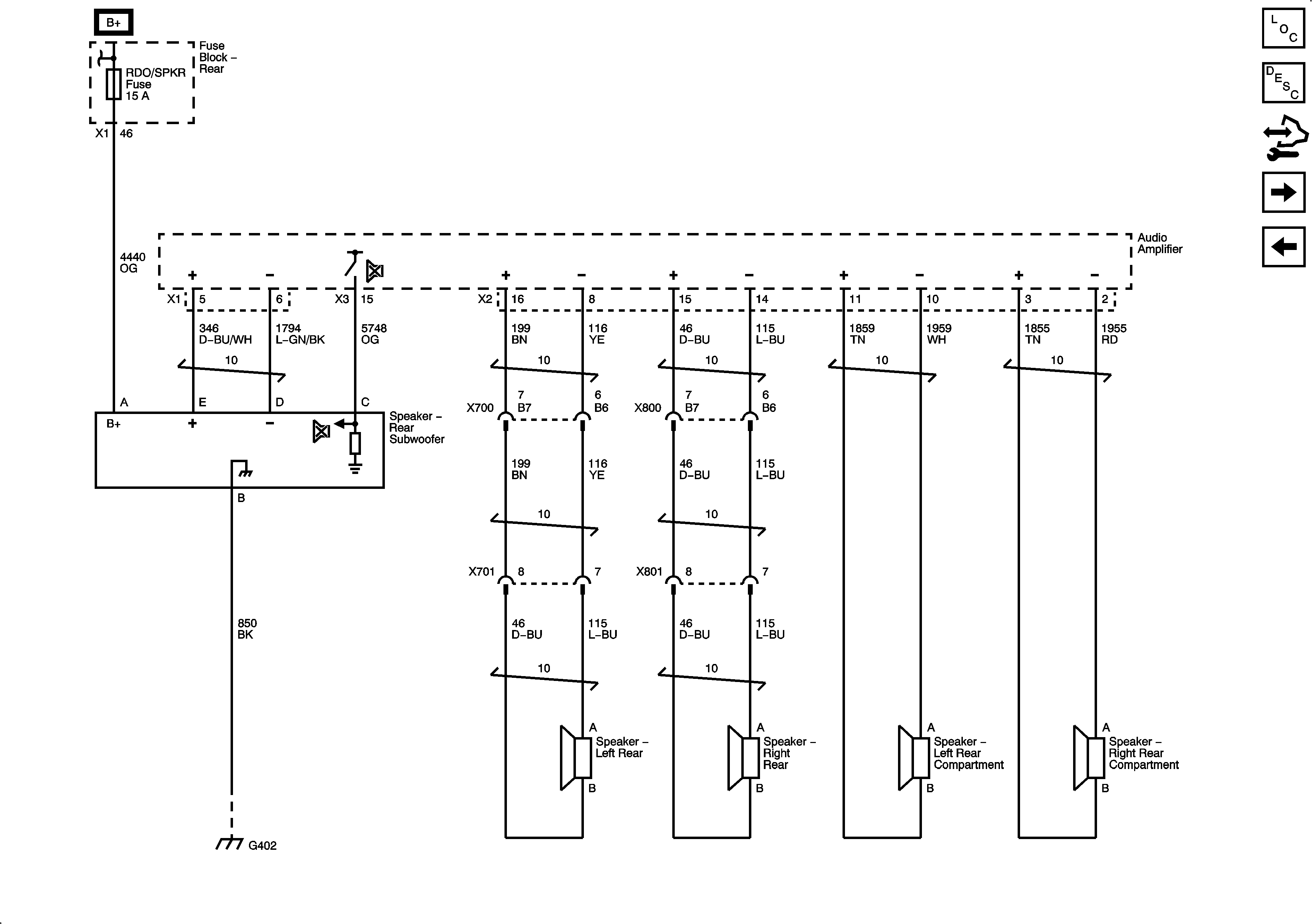
Rear Speakers (UQA)
Figure
7:
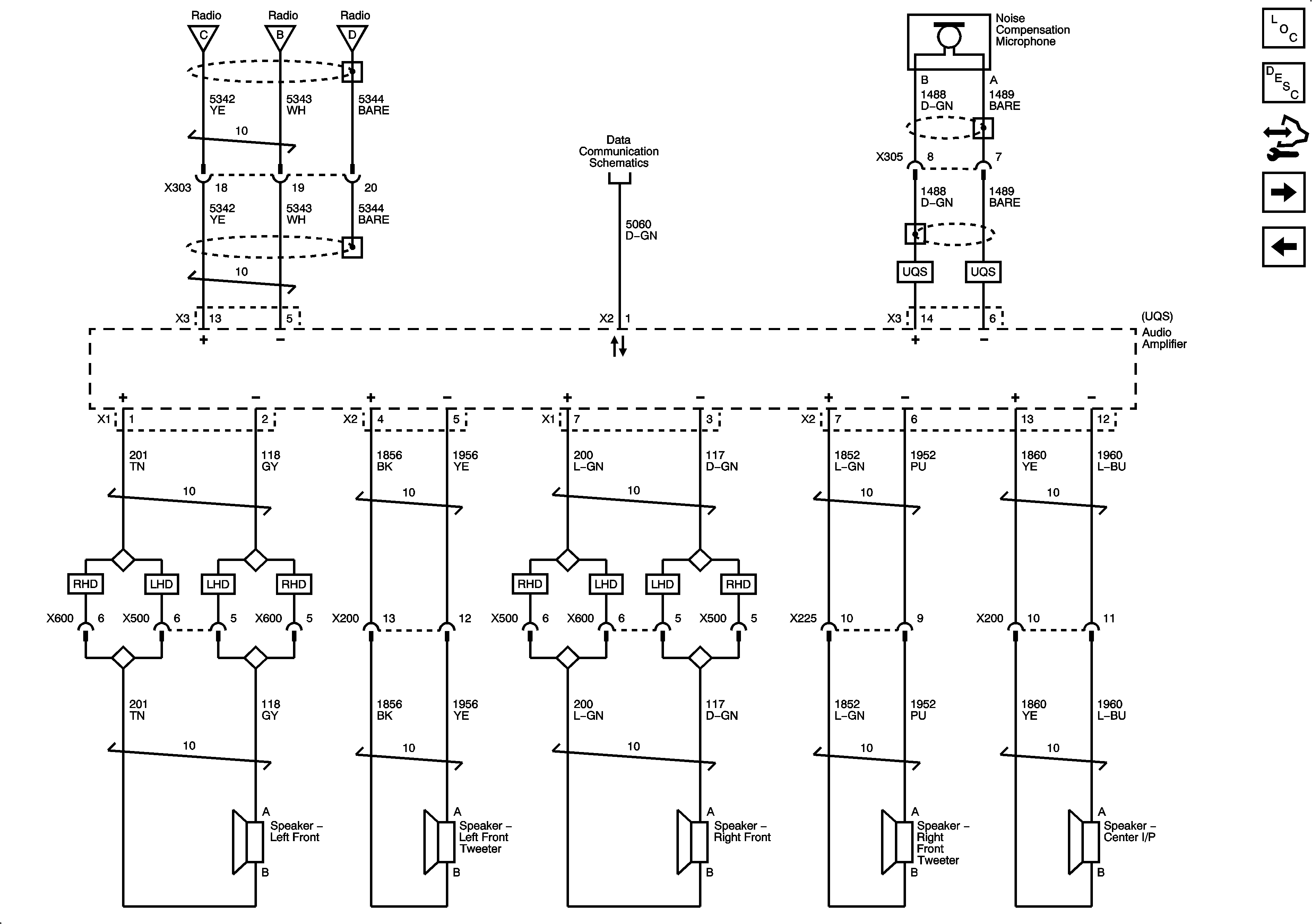
Noise Compensation Microphone, Navigation Audio Inputs, and Speakers (UQS) 1 of 2
Figure
8:
Speakers (UQS) 2 of 2
Figure
9:
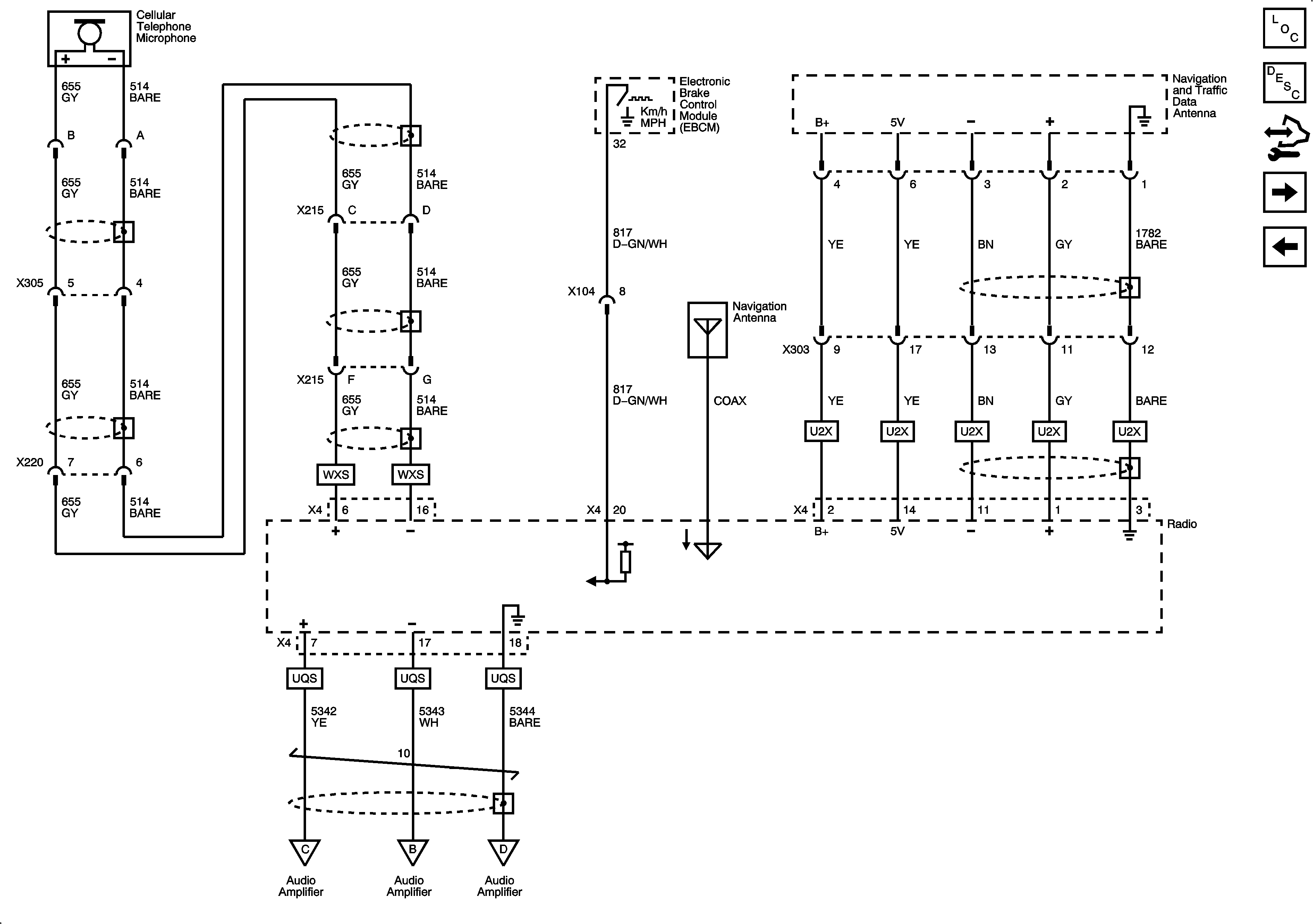
Cellular/Navigation Microphone, Traffic Receiver (U2X)
Figure
10:
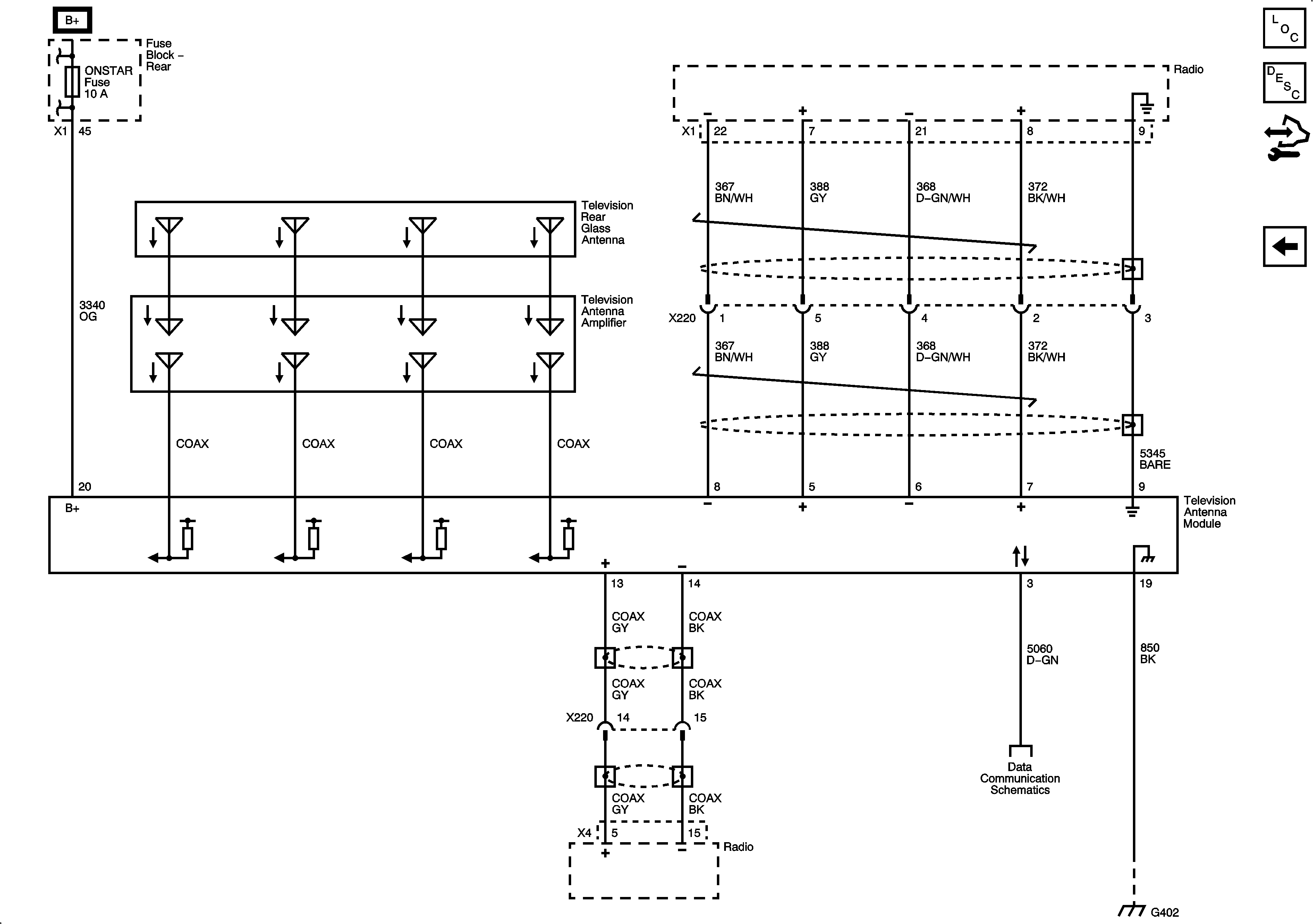
Antenna Signals
Figure
11:
Radio/HVAC Display
Figure
12:
U2X/U2Y