GM Service Manual Online
For 1990-2009 cars only
Makes
🢒
Cadillac
🢒
2009
🢒
CTS
🢒
Diagnostic Navigation
🢒
Vehicle Diagnostic Information
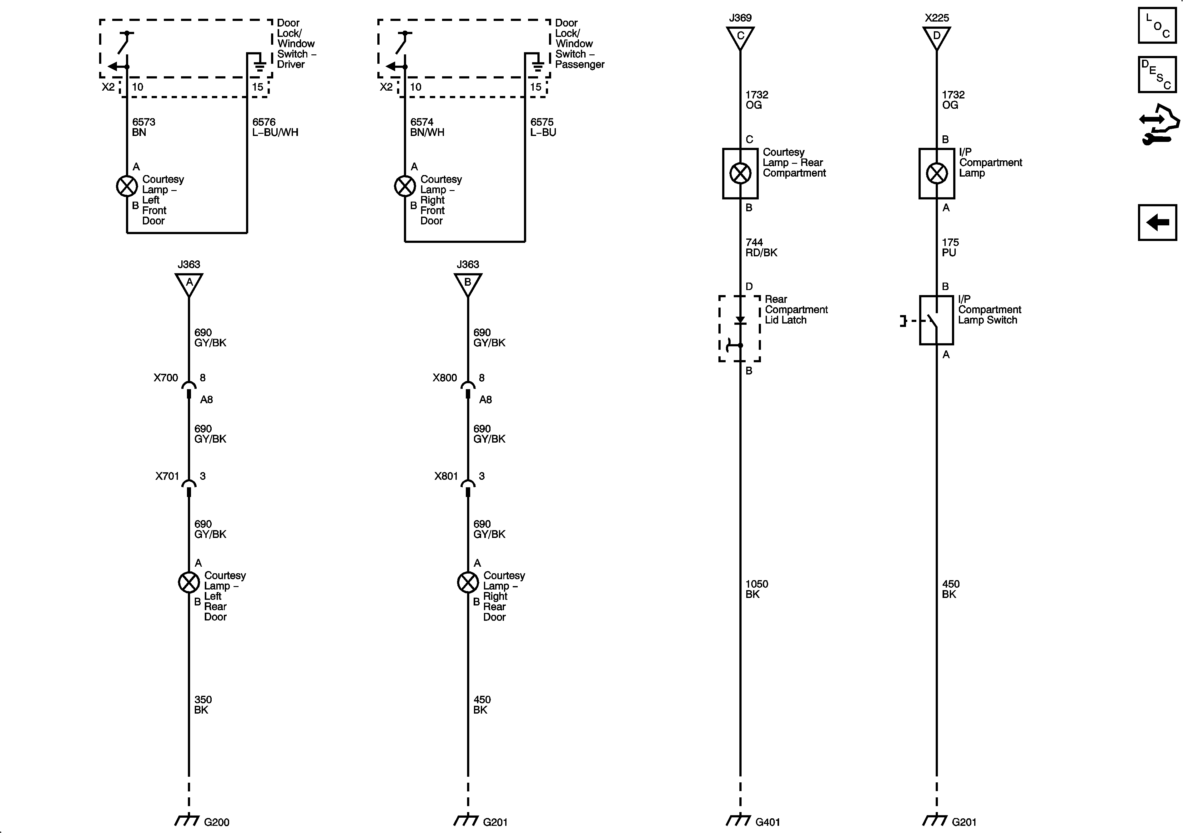
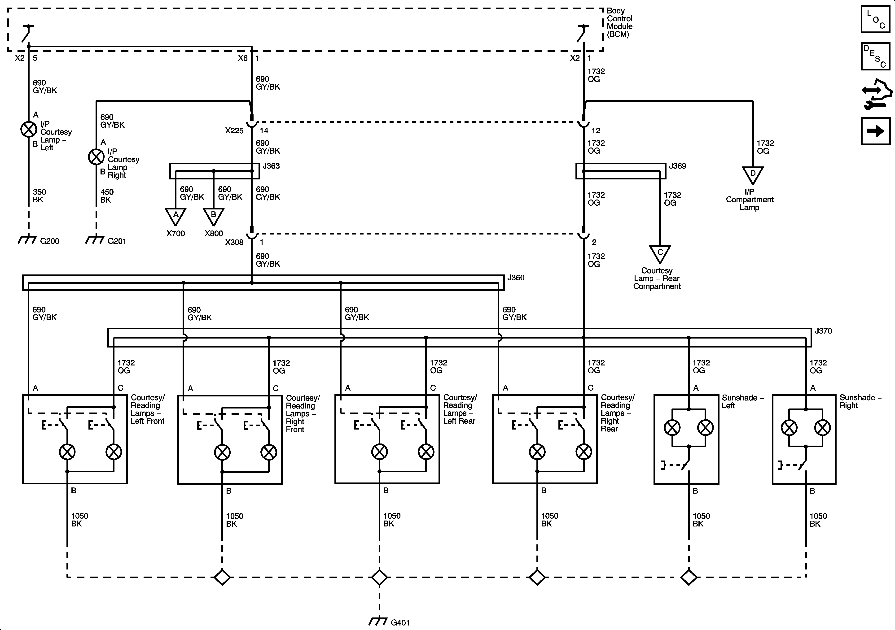
🢒 Interior Lights Schematics
Figure
1:
Courtesy/Reading and Sunshade Lamps 1 of 2
Figure
2:
Courtesy Lamps 2 of 2