GM Service Manual Online
For 1990-2009 cars only
Makes
🢒
Cadillac
🢒
2009
🢒
CTS
🢒
Diagnostic Navigation
🢒
Vehicle Diagnostic Information
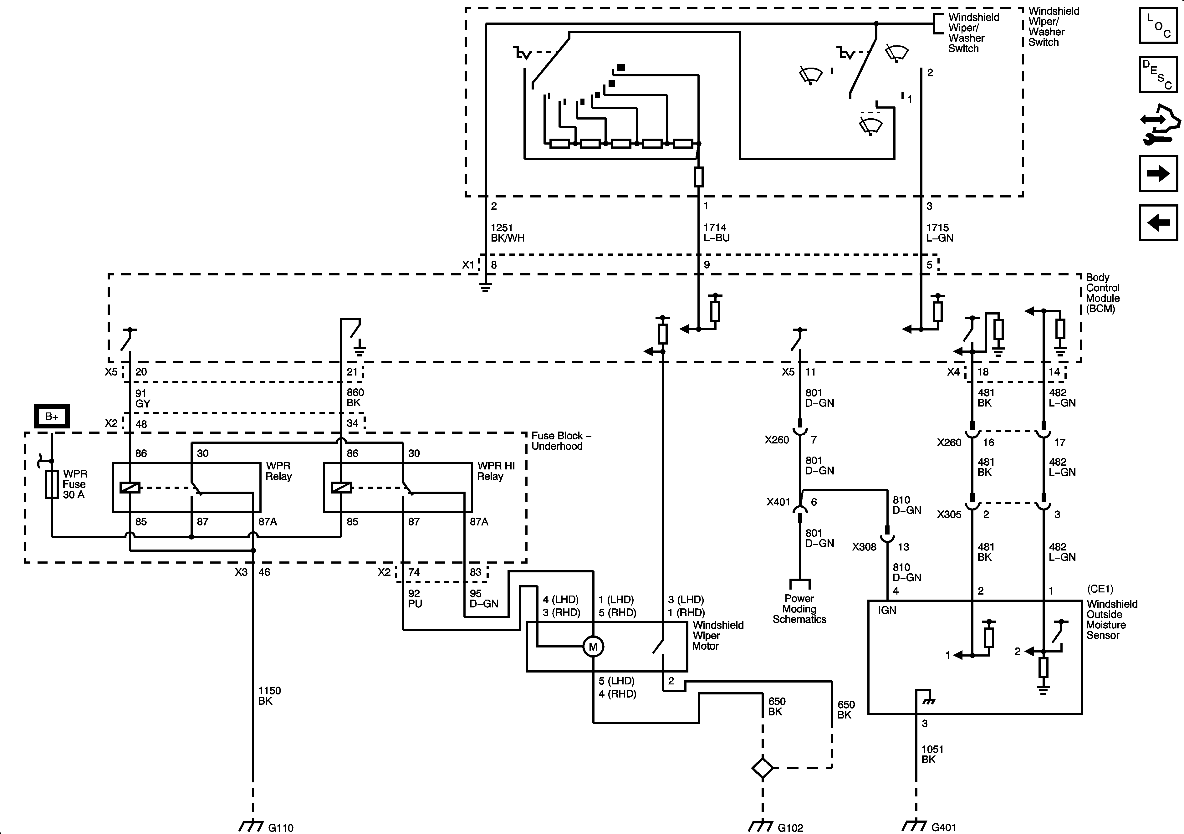
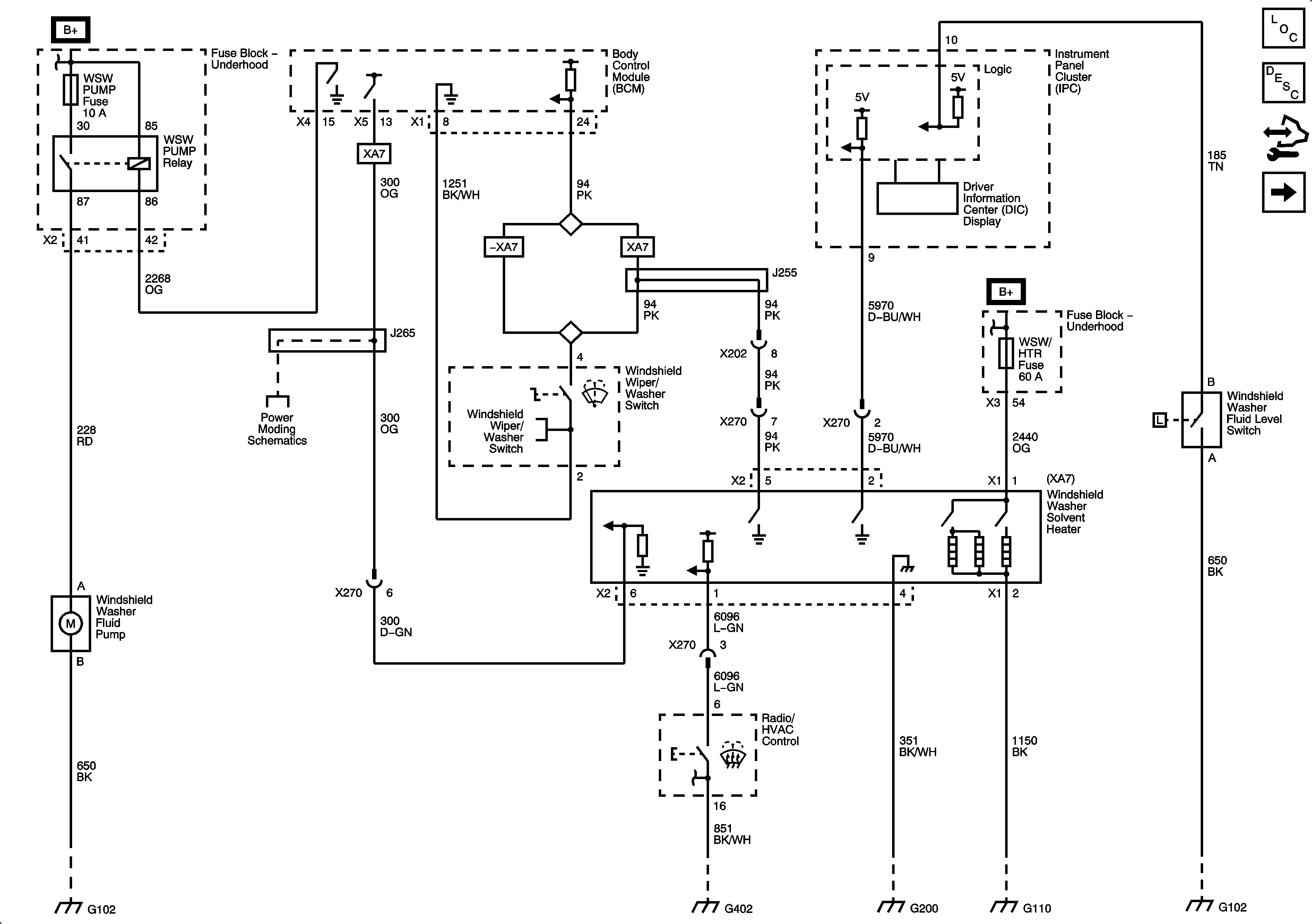
🢒 Wiper/Washer Schematics
Figure
1:
Front Washers
Figure
2:
Front Wipers
Figure
3:
Headlamp Washers (CE4)