GM Service Manual Online
For 1990-2009 cars only
Makes
🢒
Cadillac
🢒
2009
🢒
CTS
🢒
Suspension
🢒
Tire Pressure Monitoring
🢒 Tire Pressure Monitoring System Schematics
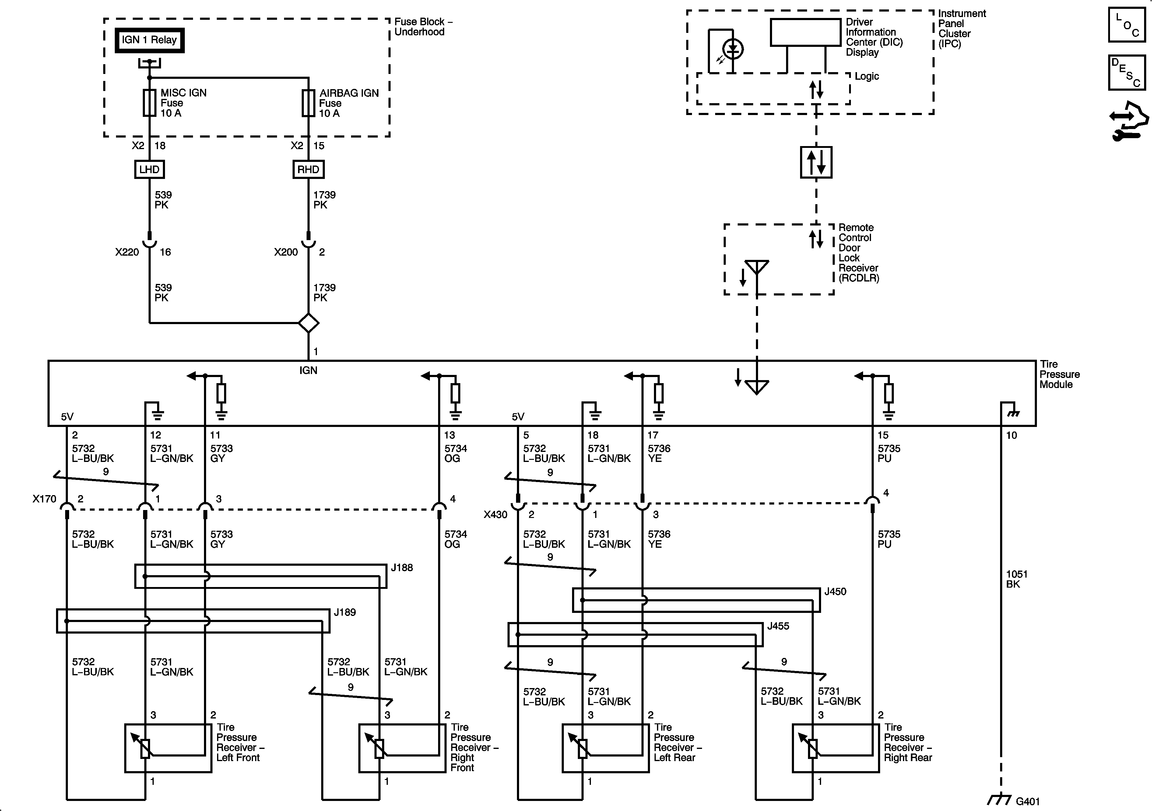
Tire Pressure Monitoring Schematics (UH3)