GM Service Manual Online
For 1990-2009 cars only
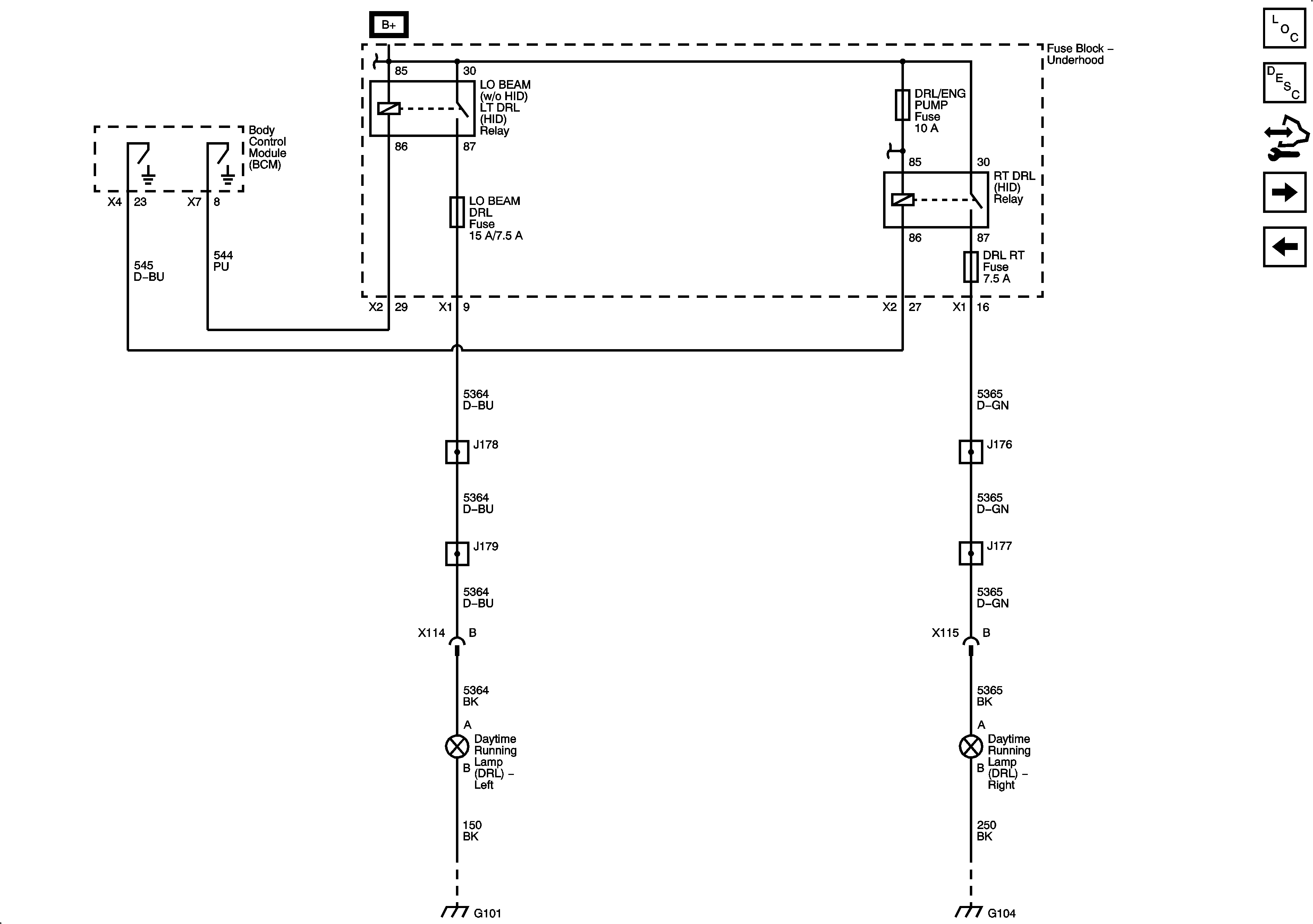
Figure 1:

Low Beams +TT6/TT7/TT8 (1 of 5)


Object Number: 2077251  Size: FS
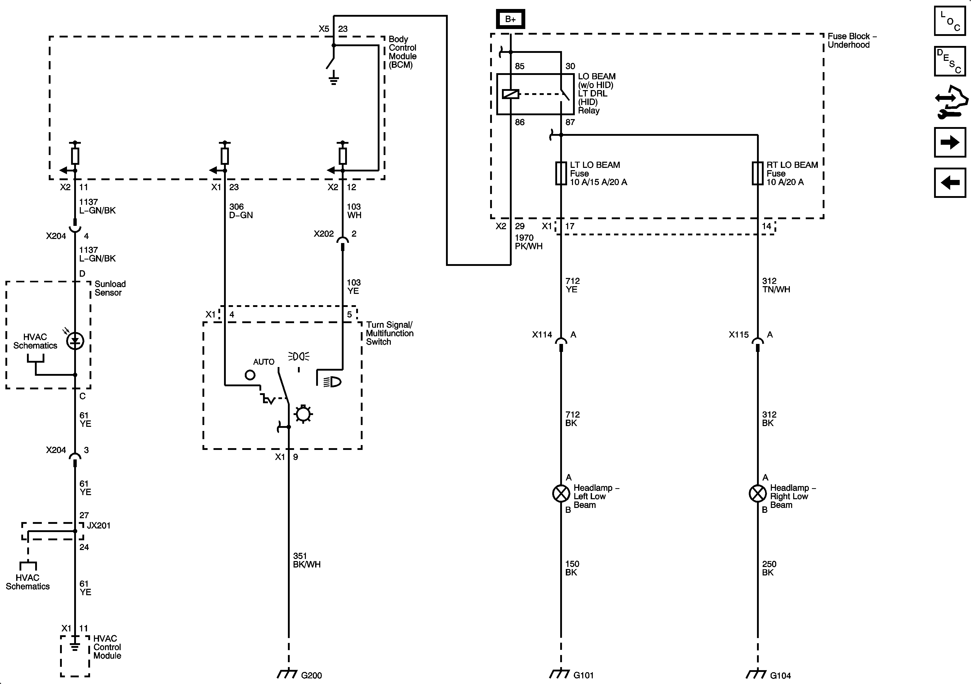
Figure 2:

Low Beams -TT6/TT7/TT8 (2 of 5)


Object Number: 2077252  Size: FS
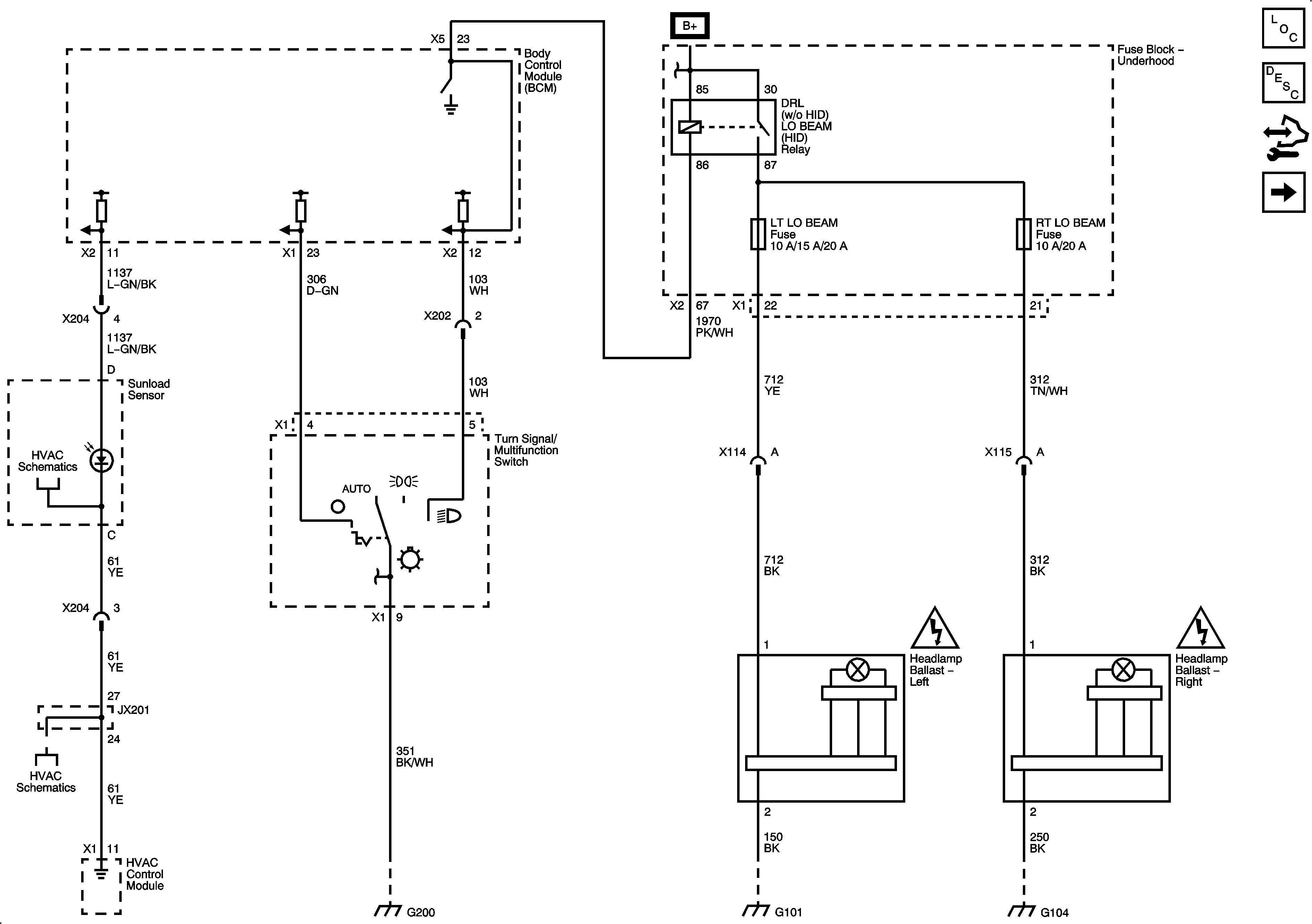
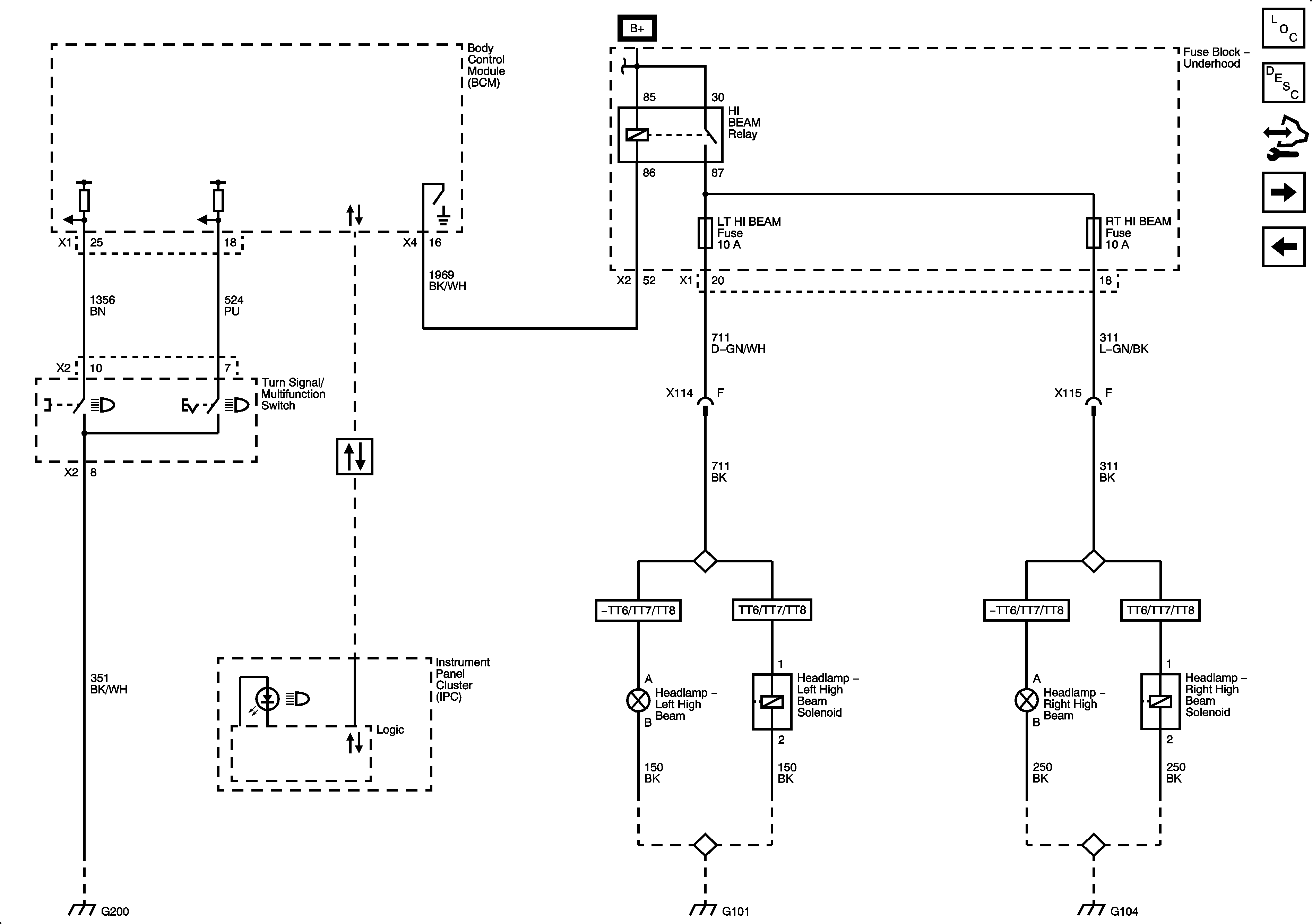
Figure 3:

High Beams (3 of 5)


Object Number: 2077253  Size: FS
Figure 4:

-TT6/TT7/TT8 (4 of 5)


Object Number: 2077256  Size: FS
Figure 5:

+TT6/TT7/TT8 (5 of 5)


Object Number: 2077257  Size: FS
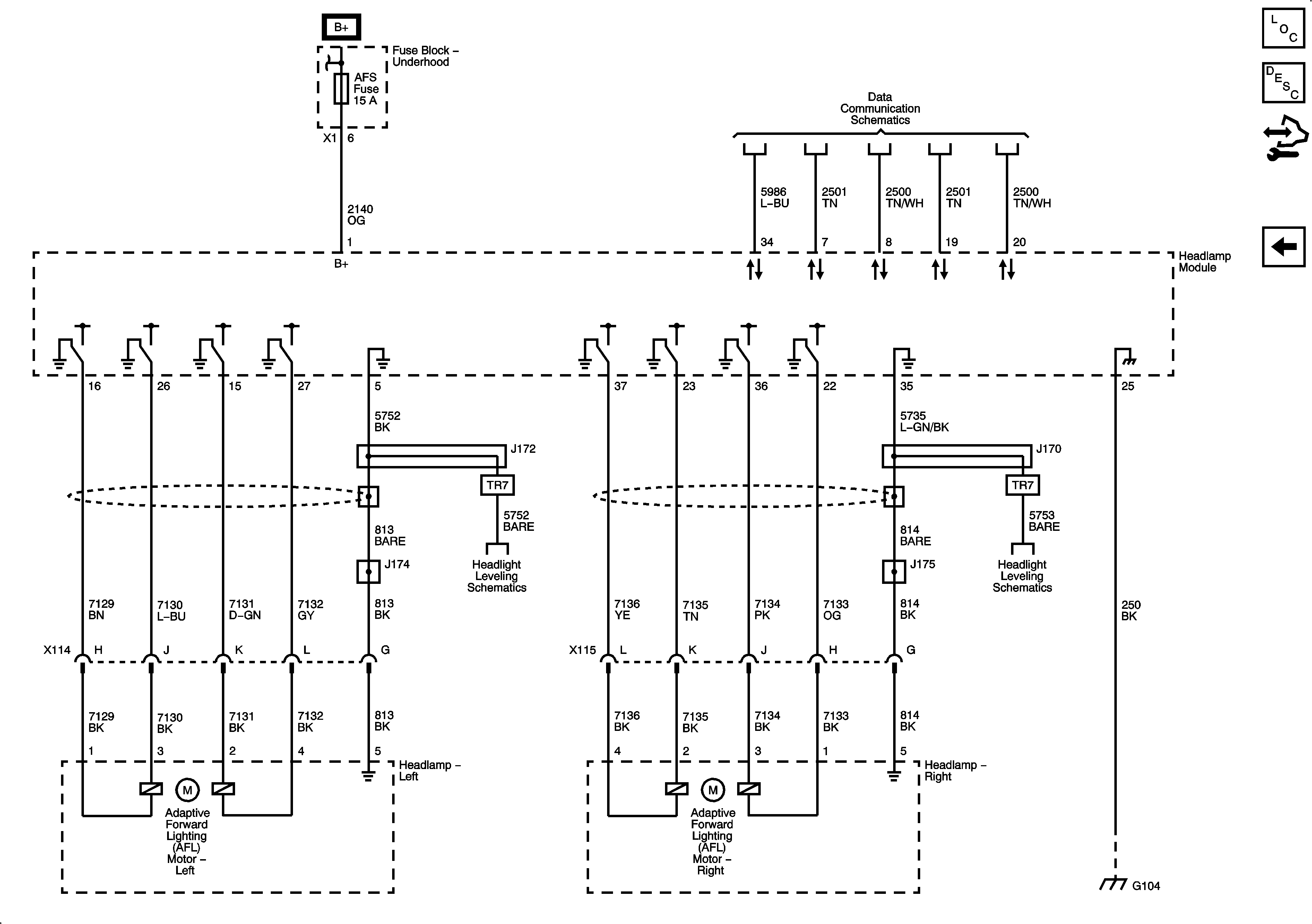
Figure 6:

Adaptive Forward Lighting


Object Number: 2077258  Size: FS