GM Service Manual Online
For 1990-2009 cars only
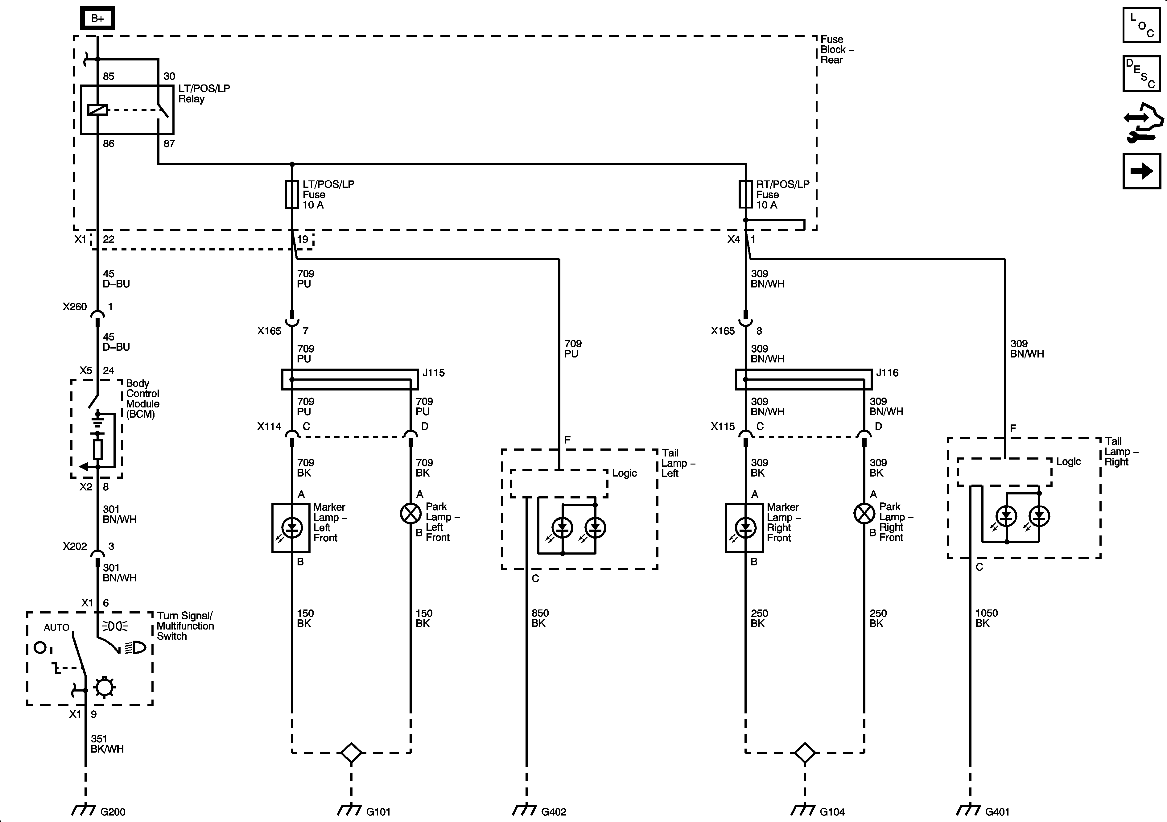
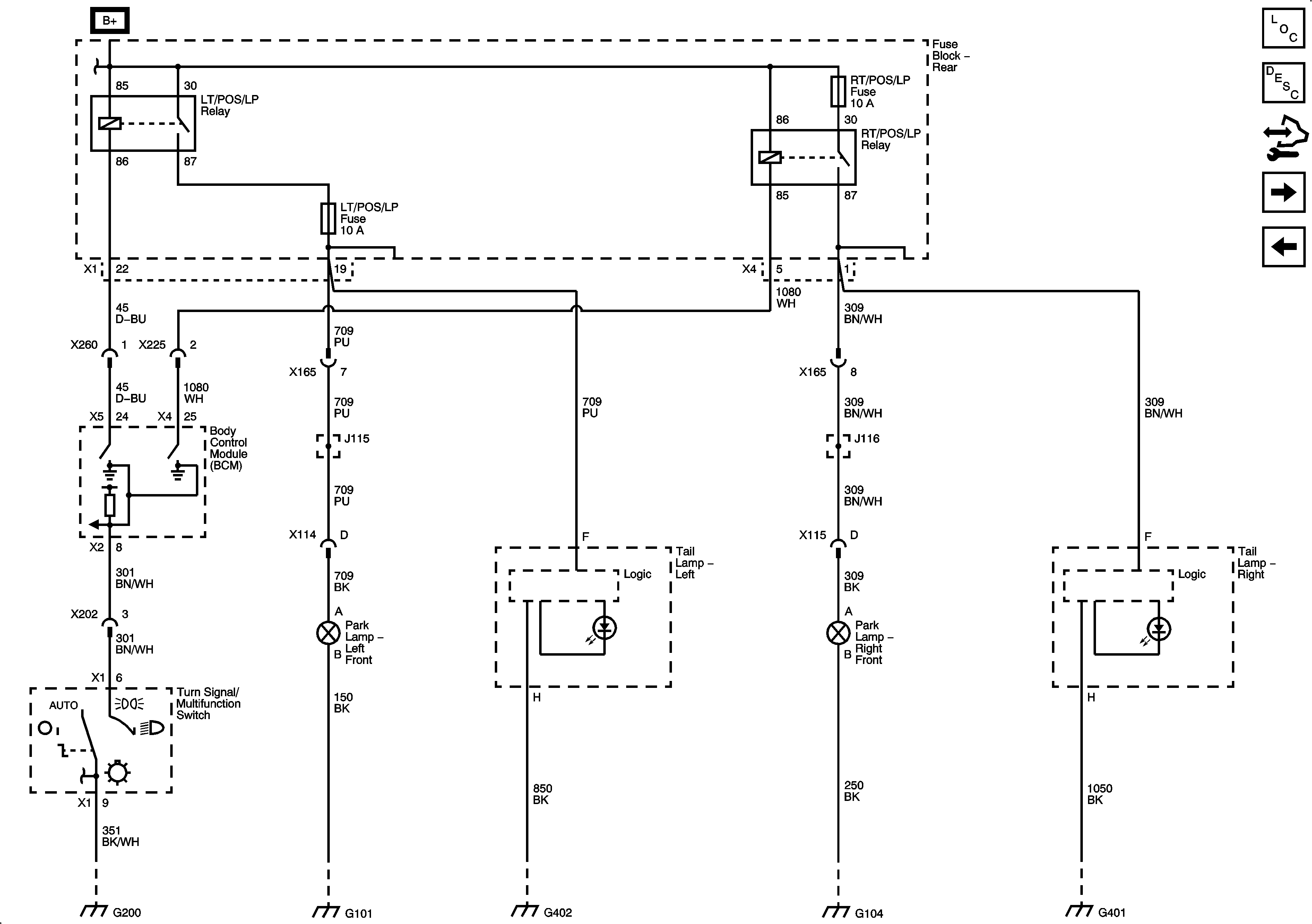
Figure 1:

Park Lamps -T90 (1 of 7)


Object Number: 2077261  Size: FS
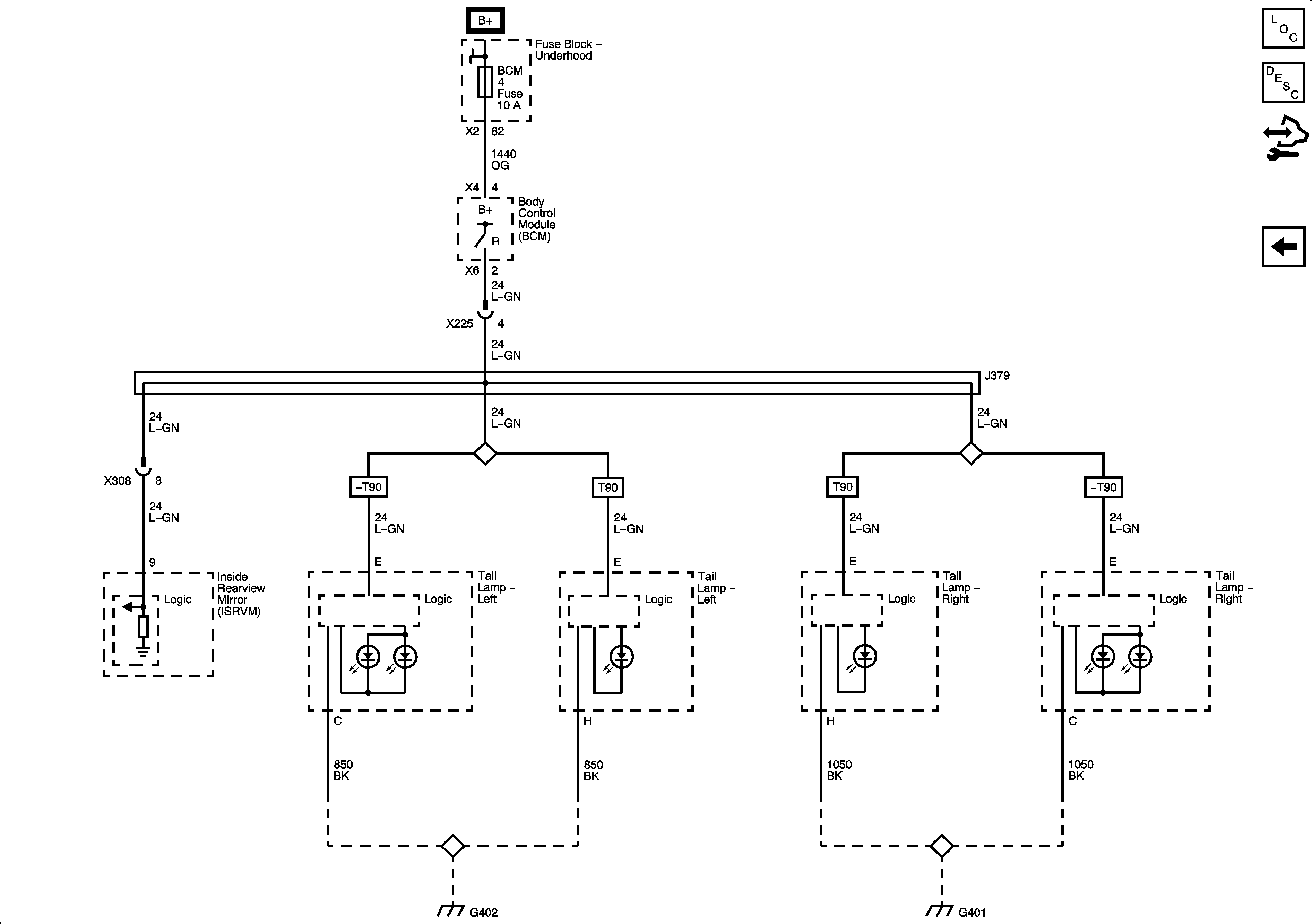
Figure 2:

Park Lamps +T90 (2 of 7)


Object Number: 2077262  Size: FS
Figure 3:

License Lamps (3 of 7)


Object Number: 2077264  Size: FS
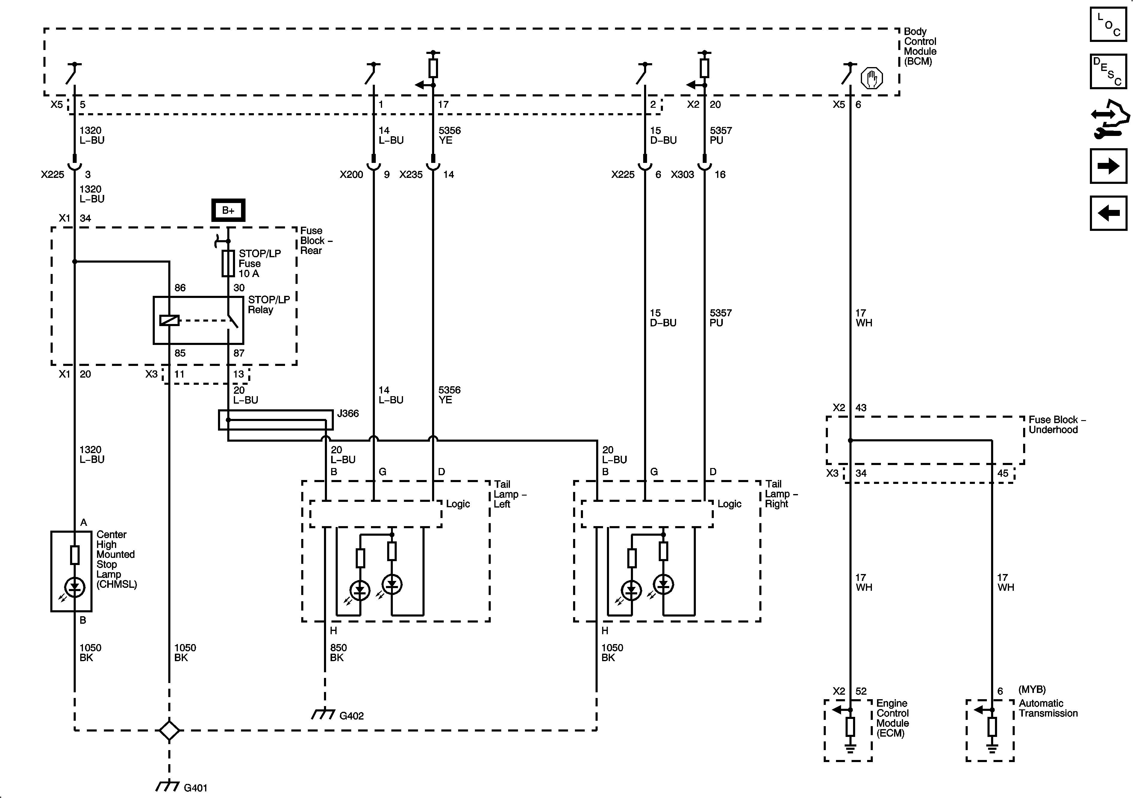
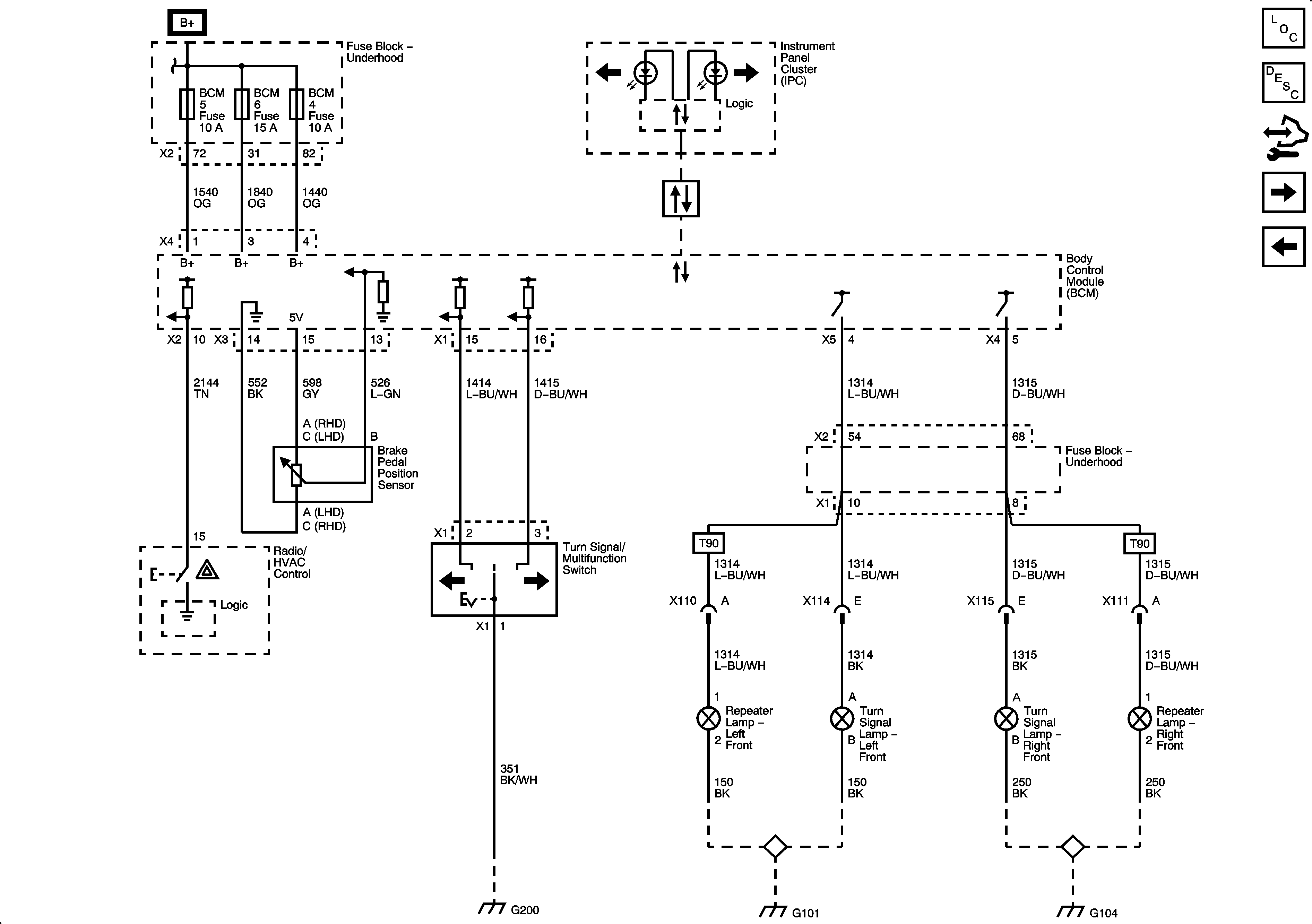
Figure 4:

Stop/Turn Signal Lamps Controls and Indicators and Front Lamps (4 of 7)


Object Number: 2077265  Size: FS
Figure 5:

Stop/Turn Signal Lamps Rear -T90 (5 of 7)


Object Number: 2077266  Size: FS
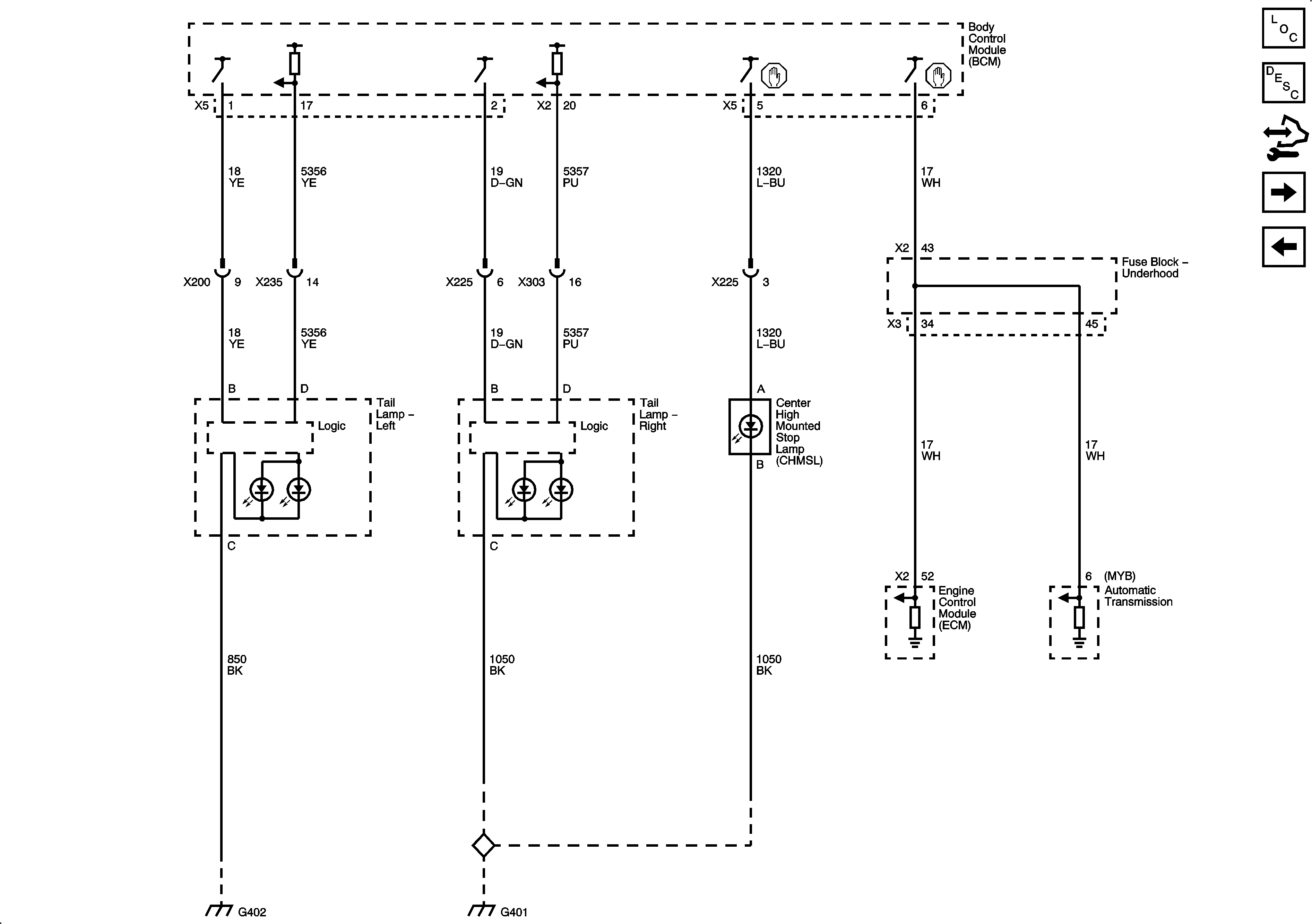
Figure 6:

Stop/Turn Signal Lamps Rear (6 of 7)


Object Number: 2077267  Size: FS
Figure 7:

Backup Lamps (7 of 7)


Object Number: 2077268  Size: FS