GM Service Manual Online
For 1990-2009 cars only
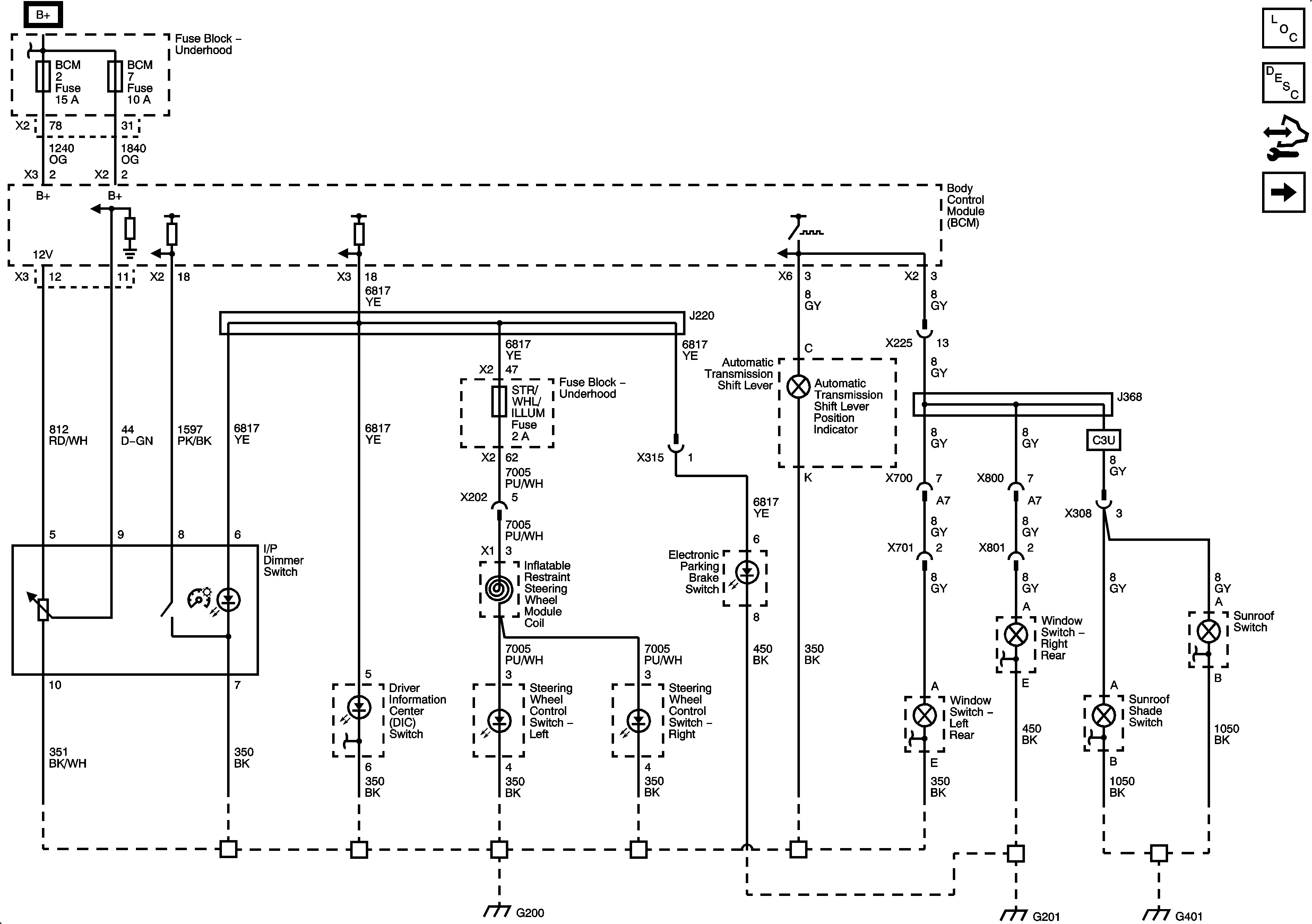
Figure 1:

Controls, Steering Wheel, DIC, and Park Brake LED's, Shift Lever, Rear Window Switches, and Sunroof Switch Bulbs (Left Hand Drive)


Object Number: 2077271  Size: FS
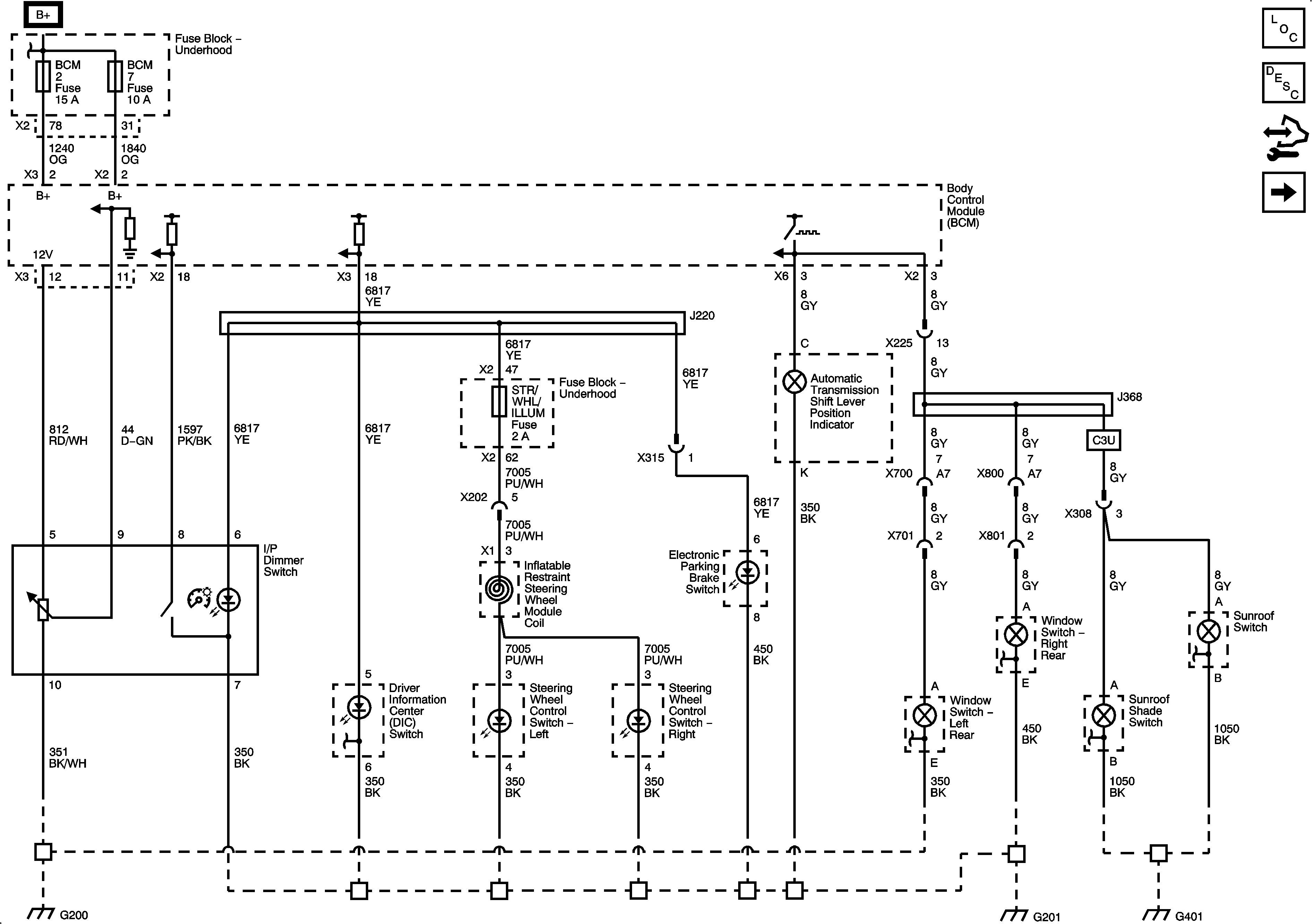
Figure 2:

Controls, Steering Wheel, DIC, and Park Brake LED's, Shift Lever, Rear Window Switches, and Sunroof Switch Bulbs (Right Hand Drive)


Object Number: 2082096  Size: FS
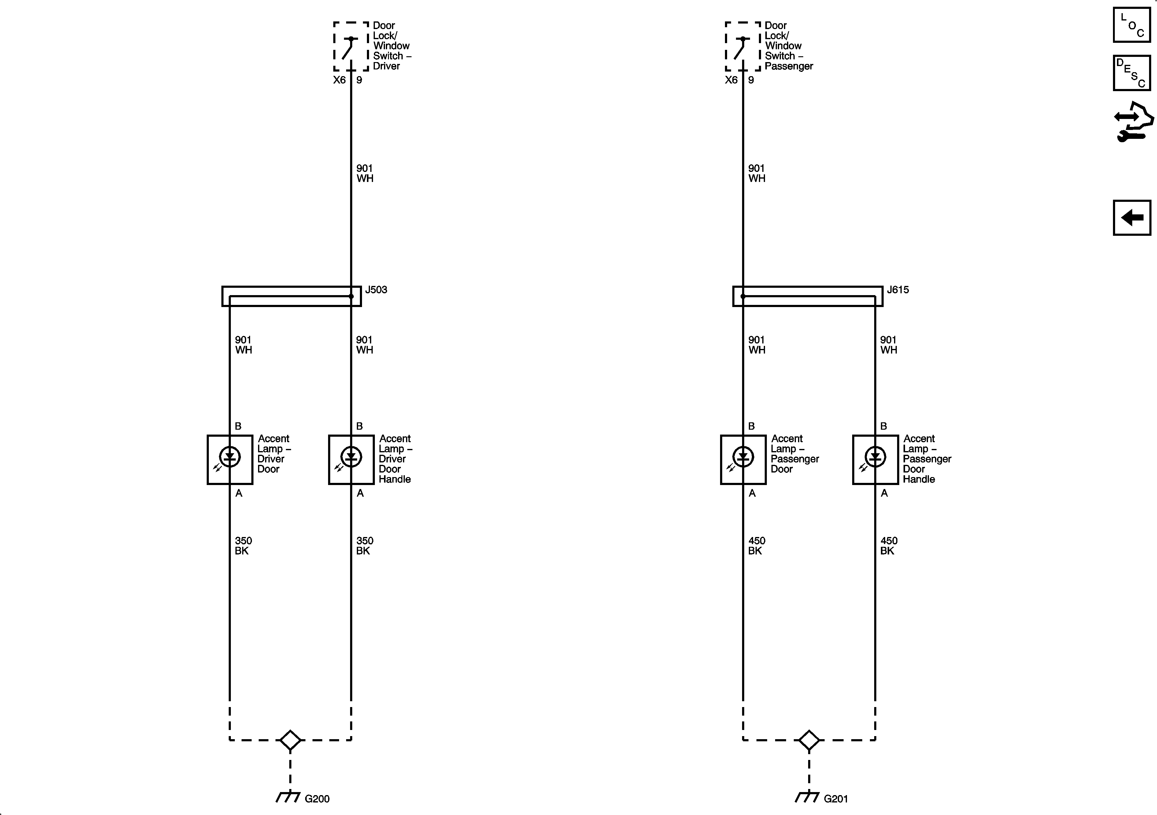
Figure 3:

Accent Lamps 1 of 2


Object Number: 2077272  Size: FS
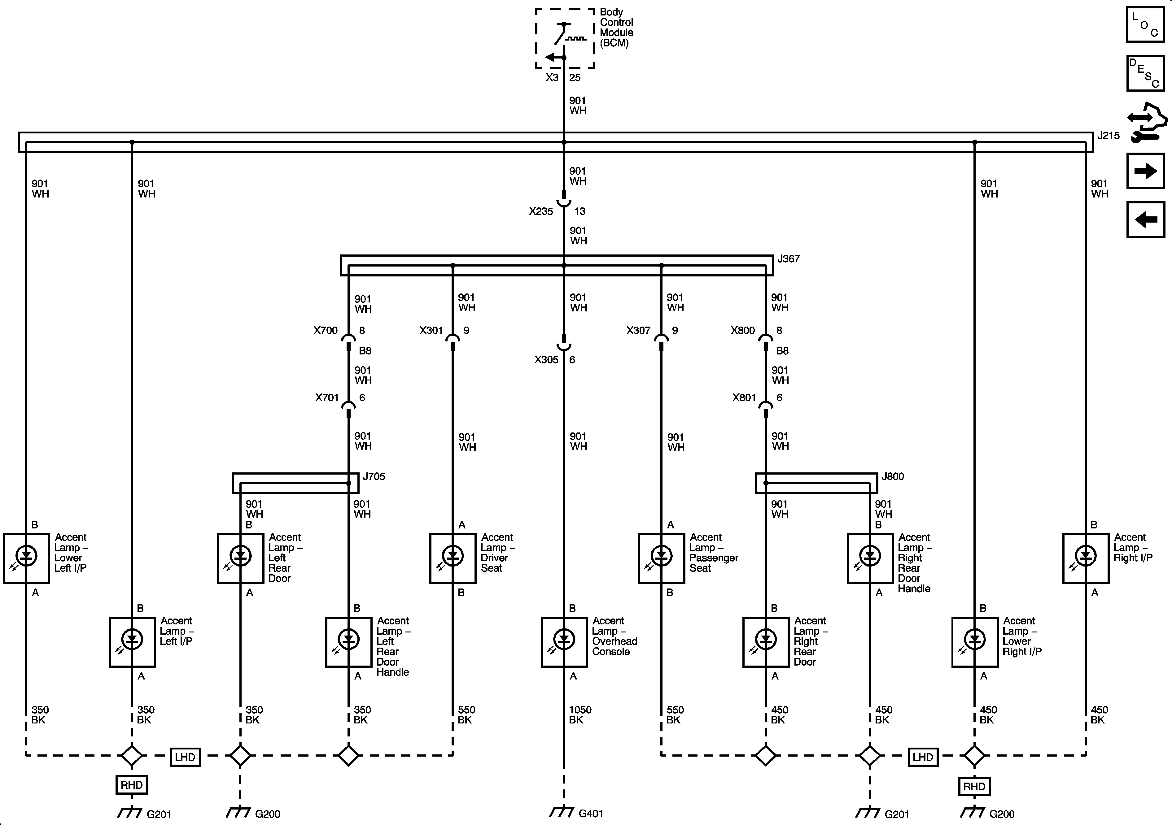
Figure 4:

Accent Lamps 2 of 2


Object Number: 2077273  Size: FS