GM Service Manual Online
For 1990-2009 cars only
Makes
🢒
Cadillac
🢒
2009
🢒
CTS
🢒
Body Systems
🢒
Lighting
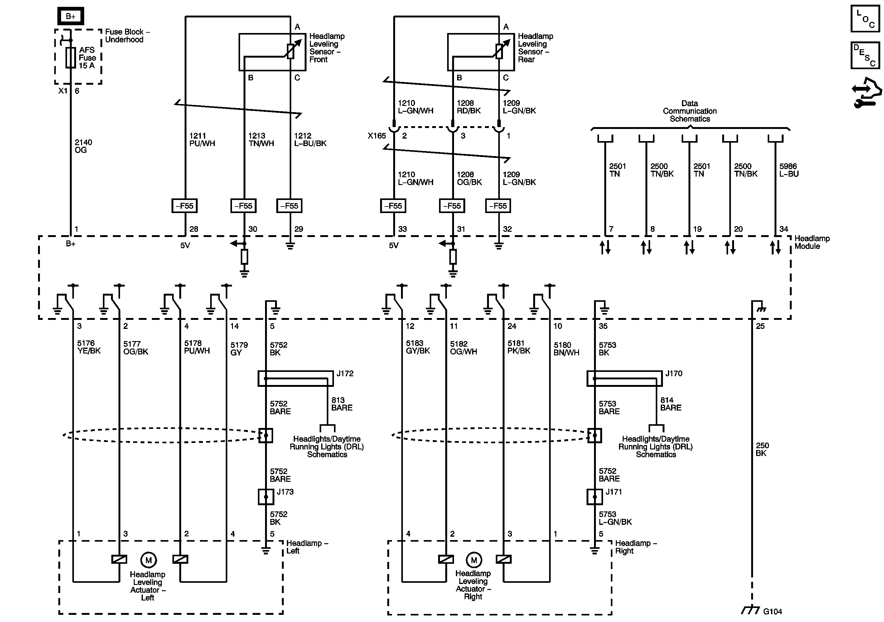
🢒 Headlight Leveling Schematics
Headlamp Leveling