GM Service Manual Online
For 1990-2009 cars only
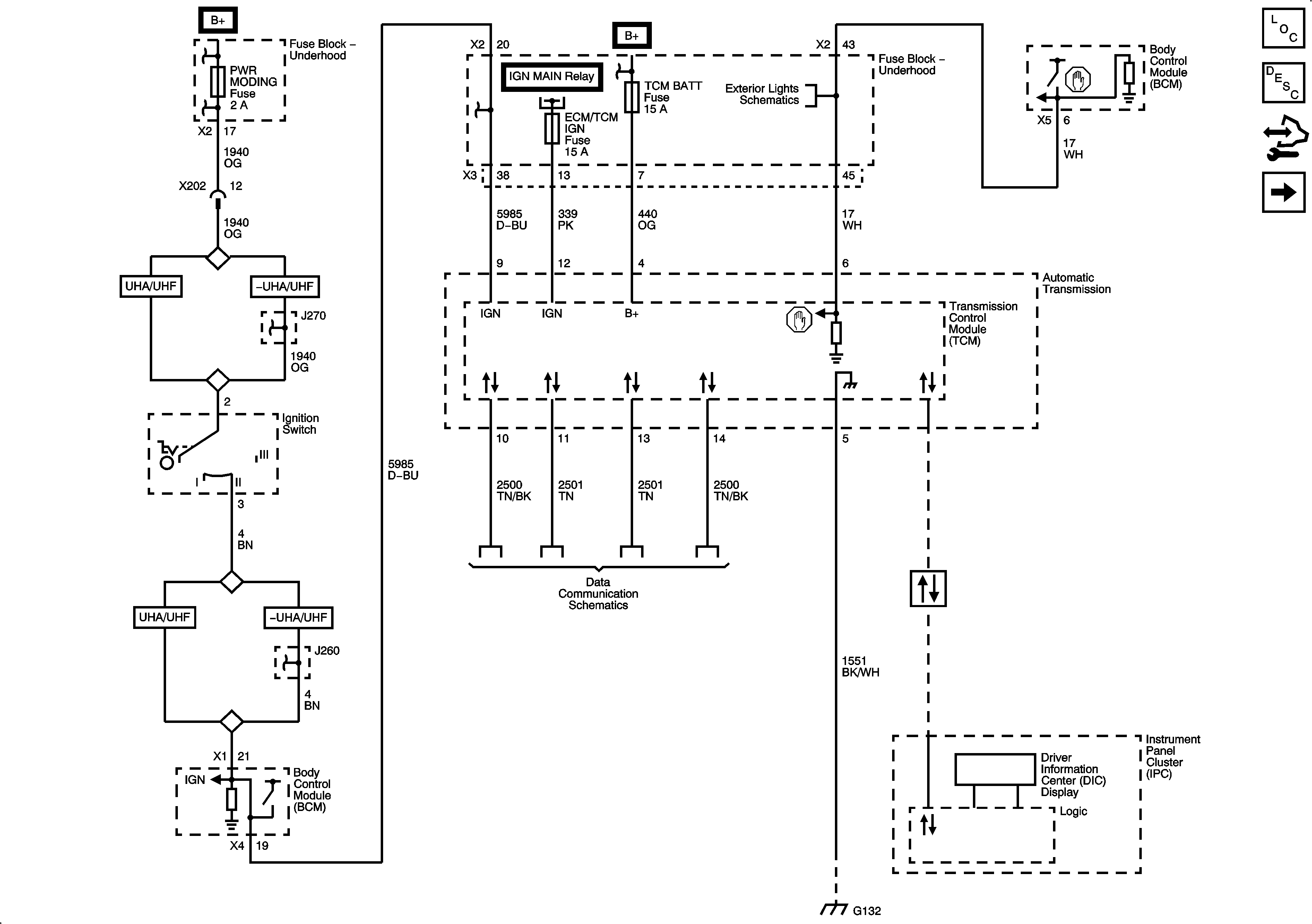
Figure 1:

Module Power, Ground, Data Communications, MIL and Brake Applied Signal


Object Number: 2077239  Size: FS
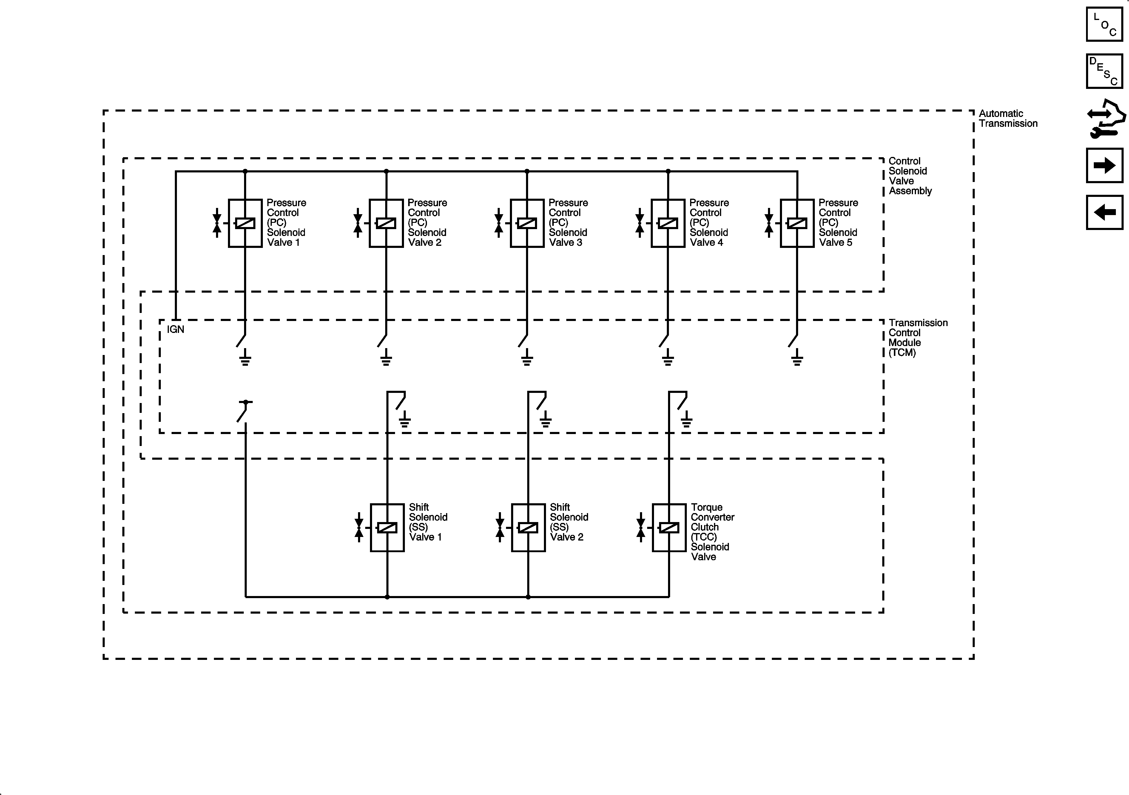
Figure 2:

Pressure Controls and Shift Controls


Object Number: 2077240  Size: FS
Figure 3:

ISS, OSS, TFP and TFT


Object Number: 2077241  Size: FS
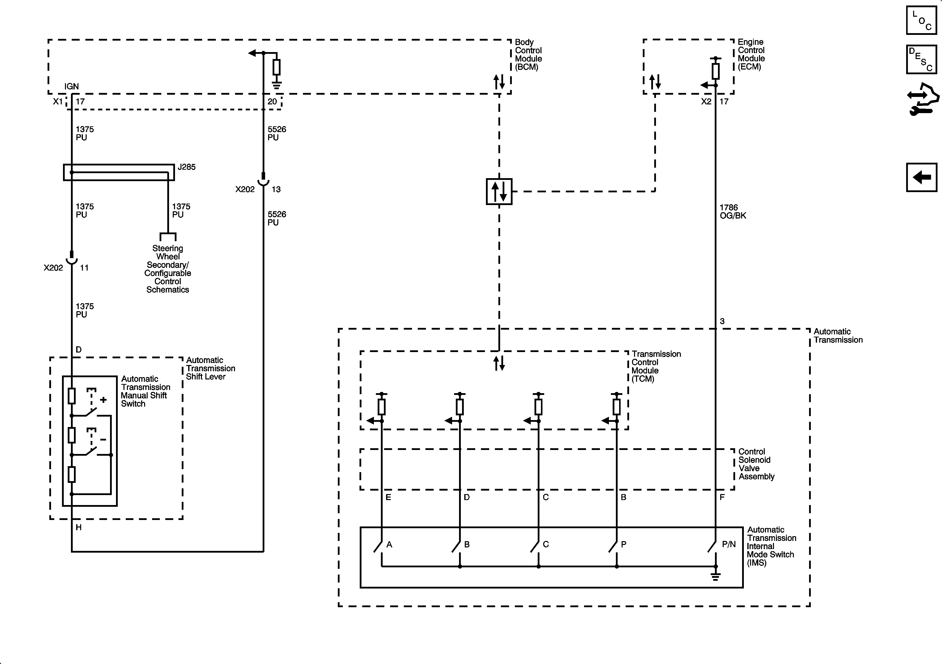
Figure 4:

IMS Tap Up/TapDown


Object Number: 2077242  Size: FS