GM Service Manual Online
For 1990-2009 cars only
Makes
🢒
Cadillac
🢒
2009
🢒
CTS
🢒
Steering
🢒
Power Steering
🢒 Power Steering Schematics
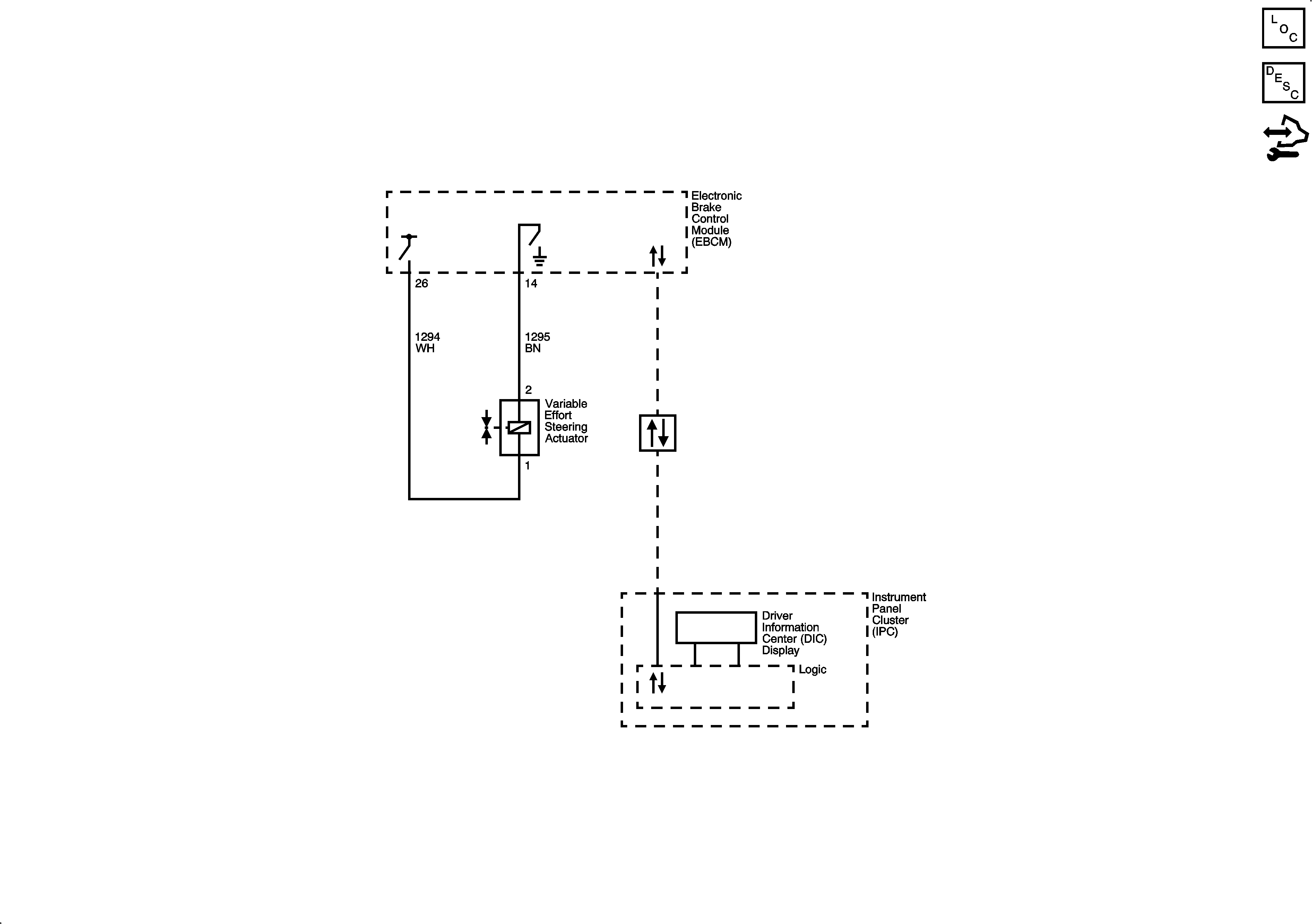
Power Steering Schematics