GM Service Manual Online
For 1990-2009 cars only

Power Steering Gear Inlet Pipe/Hose Replacement V6, Left Hand Drive, Rear Wheel Drive

Removal Procedure

  1. Remove the fuel injector sight shield. Refer to Fuel Injector Sight Shield Replacement.
  2. Remove as much power steering fluid from the remote power steering fluid reservoir as possible.
  3. Remove the power steering pump pulley. Refer to Power Steering Pump Pulley Replacement.
  4. Remove the front air deflector. Refer to Front Air Deflector Replacement.
  5. Remove the front compartment lower noise shield. Refer to Front Compartment Lower Noise Shield Replacement.
  6. Place drain pans under the vehicle as needed.

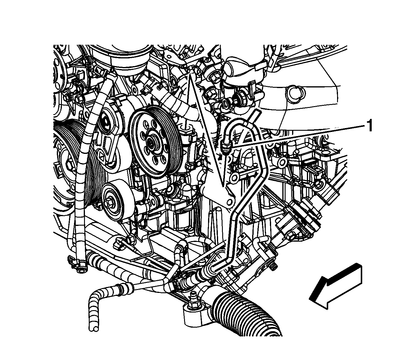
  7. Object Number: 1974511  Size: SH
  8. Disconnect the power steering gear inlet hose fitting (1) from the power steering pump.

  9. Object Number: 1974513  Size: SH
  10. Remove the power steering gear inlet hose latch plate bolt (1).
  11. Disconnect the power steering gear inlet hose plastic retainer (2) from the power steering gear inlet hose clip bracket.
  12. Remove the power steering gear inlet pipe bracket bolt (4).
  13. Disconnect the power steering gear solenoid electrical connector.
  14. Remove the power steering gear inlet hose (3) from the vehicle.

Installation Procedure


    Object Number: 1974513  Size: SH
  1. Position the power steering gear inlet hose (3) to the vehicle.
  2. Connect the power steering gear solenoid electrical connector.
  3. Caution: Refer to Fastener Caution in the Preface section.

    Note: Start all fasteners by hand before finalizing any torques.

  4. Install the power steering gear inlet pipe bracket bolt (4) and tighten to 9 N·m (80 lb in).
  5. Connect the power steering gear inlet hose plastic retainer (2) to the power steering gear inlet hose clip bracket.
  6. Install the power steering gear inlet hose latch plate bolt (1) and tighten to 22.5 N·m (17 lb ft).

  7. Object Number: 1974511  Size: SH
  8. Connect the power steering gear inlet hose fitting (1) to the power steering pump and tighten to 40 N·m (30 lb ft).
  9. Clean any excess fluid from the vehicle and remove the drain pans.
  10. Install the front compartment lower noise shield. Refer to Front Compartment Lower Noise Shield Replacement.
  11. Install the front air deflector. Refer to Front Air Deflector Replacement.
  12. Install the power steering pump pulley. Refer to Power Steering Pump Pulley Replacement.
  13. Install the fuel injector sight shield. Refer to Fuel Injector Sight Shield Replacement.
  14. Fill and bleed the power steering system. Refer to Power Steering System Bleeding.

Power Steering Gear Inlet Pipe/Hose Replacement All Wheel Drive

Removal Procedure

  1. Remove the fuel injector sight shield. Refer to Fuel Injector Sight Shield Replacement.
  2. Remove as much power steering fluid from the remote power steering fluid reservoir as possible.
  3. Remove the power steering pump pulley. Refer to Power Steering Pump Pulley Replacement.
  4. Remove the front air deflector. Refer to Front Air Deflector Replacement.
  5. Remove the front compartment lower noise shield. Refer to Front Compartment Lower Noise Shield Replacement.
  6. Place drain pans under the vehicle as needed.

  7. Object Number: 1974550  Size: SH
  8. Disconnect the power steering gear inlet hose fitting (1) from the power steering pump.

  9. Object Number: 1974551  Size: SH
  10. Remove the power steering gear inlet hose latch plate bolt (1).

  11. Object Number: 1974553  Size: SH
  12. Remove the power steering gear inlet and outlet pipe retainer bolts (1,3).
  13. Remove the power steering gear inlet hose from the vehicle.

Installation Procedure


    Object Number: 1974553  Size: SH
  1. Position the power steering gear inlet hose to the vehicle.
  2. Caution: Refer to Fastener Caution in the Preface section.

    Note: Start all fasteners by hand before finalizing any torques.

  3. Install the power steering gear inlet and outlet pipe retainer bolts (1,3) and tighten to 10 N·m (89 lb in).

  4. Object Number: 1974551  Size: SH
  5. Install the power steering gear inlet hose latch plate bolt (1) and tighten to 22.5 N·m (17 lb ft).

  6. Object Number: 1974550  Size: SH
  7. Connect the power steering gear inlet hose fitting (1) to the power steering pump and tighten to 40 N·m (30 lb ft).
  8. Clean any excess fluid from the vehicle and remove the drain pans.
  9. Install the front compartment lower noise shield. Refer to Front Compartment Lower Noise Shield Replacement.
  10. Install the front air deflector. Refer to Front Air Deflector Replacement.
  11. Install the power steering pump pulley. Refer to Power Steering Pump Pulley Replacement.
  12. Install the fuel injector sight shield. Refer to Fuel Injector Sight Shield Replacement.
  13. Fill and bleed the power steering system. Refer to Power Steering System Bleeding.

Power Steering Gear Inlet Pipe/Hose Replacement Right Hand Drive

Removal Procedure

  1. Remove the fuel injector sight shield. Refer to Fuel Injector Sight Shield Replacement.
  2. Remove as much power steering fluid from the remote power steering fluid reservoir as possible.
  3. Remove the power steering pump pulley. Refer to Power Steering Pump Pulley Replacement.
  4. Remove the front air deflector. Refer to Front Air Deflector Replacement.
  5. Remove the front compartment lower noise shield. Refer to Front Compartment Lower Noise Shield Replacement.
  6. Place drain pans under the vehicle as needed.

  7. Object Number: 1974550  Size: SH
  8. Disconnect the power steering gear inlet hose fitting (1) from the power steering pump.

  9. Object Number: 1974551  Size: SH
  10. Remove the power steering gear inlet hose latch plate bolt (1).

  11. Object Number: 2099178  Size: SH
  12. Remove the power steering gear inlet hose bracket bolts (1).
  13. Remove the power steering gear inlet hose from the vehicle.

Installation Procedure


    Object Number: 2099178  Size: SH
  1. Position the power steering gear inlet hose to the vehicle.
  2. Caution: Refer to Fastener Caution in the Preface section.

    Note: Start all fasteners by hand before finalizing any torques.

  3. Install the power steering gear inlet hose bracket bolts (1) and tighten to 9 N·m (80 lb in).

  4. Object Number: 1974551  Size: SH
  5. Install the power steering gear inlet hose latch plate bolt (1) and tighten to 22.5 N·m (17 lb ft).

  6. Object Number: 1974550  Size: SH
  7. Connect the power steering gear inlet hose fitting (1) to the power steering pump and tighten to 40 N·m (30 lb ft).
  8. Clean any excess fluid from the vehicle and remove the drain pans.
  9. Install the front compartment lower noise shield. Refer to Front Compartment Lower Noise Shield Replacement.
  10. Install the front air deflector. Refer to Front Air Deflector Replacement.
  11. Install the power steering pump pulley. Refer to Power Steering Pump Pulley Replacement.
  12. Install the fuel injector sight shield. Refer to Fuel Injector Sight Shield Replacement.
  13. Fill and bleed the power steering system. Refer to Power Steering System Bleeding.

Power Steering Gear Inlet Pipe/Hose Replacement V8

Removal Procedure

  1. Remove the front intake manifold cover. Refer to Intake Manifold Cover Replacement - Front.
  2. Remove the air cleaner assembly. Refer to Air Cleaner Assembly Replacement.
  3. Remove the air cleaner resonator outlet duct. Refer to Air Cleaner Resonator Outlet Duct Replacement.
  4. Place a drain pan under the vehicle.
  5. Siphon the fluid from the power steering fluid reservoir.
  6. Remove the power steering pump pulley. Refer to Power Steering Pump Pulley Replacement.

  7. Object Number: 2170439  Size: SH
  8. Remove the power steering gear inlet hose bolt (3) from the generator.
  9. Loosen the fitting (1) and remove the gear inlet hose (2) from the power steering pump.
  10. Raise and support the vehicle. Refer to Lifting and Jacking the Vehicle.
  11. Remove the front air deflector. Refer to Front Air Deflector Replacement.
  12. Remove the front compartment lower noise shield if necessary. Refer to Front Compartment Lower Noise Shield Replacement.

  13. Object Number: 2170428  Size: SH
  14. Remove the bolt (2) from the power steering gear flange (3) and separate the gear inlet hose (1) from the steering gear flange.

  15. Object Number: 2170436  Size: SH
  16. Remove the bolt (2) from the gear inlet hose latch plate (3).
  17. Reposition the plate.
  18. Remove the gear inlet hose (1) from the steering gear.
  19. Remove the gear inlet hose from the vehicle.
  20. Remove the O-ring seal from the gear inlet hose-to-steering gear fitting.
  21. Discard the O-ring seal.

Installation Procedure

  1. Install a NEW O-ring seal to the gear inlet hose-to-steering gear fitting.
  2. Position the power steering gear inlet hose in the vehicle.

  3. Object Number: 2170428  Size: SH
  4. Install, but do not tighten, the bolt (2) in order to retain the gear inlet hose (1) to the steering gear flange (3).

  5. Object Number: 2170436  Size: SH
  6. Install the gear inlet hose (1) to the steering gear.
  7. Lower the vehicle in order to access the power steering pump.
  8. Caution: Refer to Fastener Caution in the Preface section.


    Object Number: 2170439  Size: SH

    Note: Fully seat the gear inlet hose to the power steering pump.

  9. Install the power steering gear inlet hose (2) to the power steering pump. Tighten the fitting to 38 N·m (28 lb ft).
  10. Install the steering gear inlet hose bolt to the generator and tighten to 9 N·m (80 lb in).
  11. Tighten the steering gear inlet hose bolt to the steering gear flange to 9 N·m (80 lb in).
  12. Reposition the latch plate onto the gear inlet and outlet hose fittings.
  13. Install the latch plate bolt and tighten to 22.5 N·m 17 lb ft.
  14. If you removed the front compartment lower noise shield, install the shield. Refer to Front Compartment Lower Noise Shield Replacement.
  15. Install the front air deflector. Refer to Front Air Deflector Replacement.
  16. Install the power steering pump pulley. Refer to Power Steering Pump Pulley Replacement.
  17. Install the air cleaner resonator outlet duct. Refer to Air Cleaner Resonator Outlet Duct Replacement.
  18. Install the air cleaner assembly. Refer to Air Cleaner Assembly Replacement.
  19. Fill and bleed the power steering system. Refer to Power Steering System Bleeding.
  20. Remove the drain pan.
  21. Lower the vehicle.
  22. Install the front intake manifold cover. Refer to Intake Manifold Cover Replacement - Front.