GM Service Manual Online
For 1990-2009 cars only

Removal Procedure

    Warning: Refer to Battery Disconnect Warning in the Preface section.

  1. Remove the rear compartment side trim panel door.
  2. Disconnect the battery vent hose.

  3. Object Number: 2006110  Size: SH
  4. Turn the battery negative cable handle (1) to release the clamping force and remove battery negative cable from the battery negative post.
  5. Turn the battery positive cable handle (2) to release the clamping force and remove battery positive cable from the battery positive post.

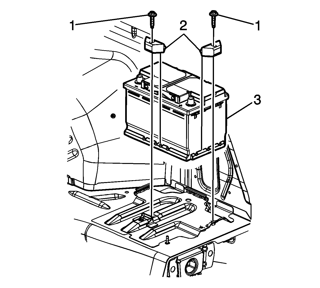
  6. Object Number: 2006109  Size: SH
  7. Remove the battery hold down retainer bolts (1) and the battery hold down retainers (2).
  8. Remove the battery (3) from the vehicle.

Installation Procedure


    Object Number: 2006109  Size: SH
  1. Install the battery (3) to the vehicle.
  2. Caution: Refer to Fastener Caution in the Preface section.

  3. Install the battery hold down retainers (2) and the battery hold down retainer bolts (1) and tighten the bolts to 18 N·m (13 lb ft).

  4. Object Number: 2006110  Size: SH
  5. Ensure the battery positive cable is seated properly.
  6. Turn the battery positive cable handle (2) to secure the battery positive cable to the battery positive post.
  7. Ensure the battery negative cable is seated properly.
  8. Turn the battery positive cable handle (1) to secure the battery positive cable to the battery positive post.
  9. Note: Replacement batteries may require the vent plug in the battery vent hole to be moved from one end of the battery to the other to permit vent tube installation per original design.

  10. Connect the battery vent hose.
  11. Install the rear compartment side trim panel door.