GM Service Manual Online
For 1990-2009 cars only
Makes
🢒
Cadillac
🢒
2009
🢒
CTS
🢒
Safety and Security
🢒
Remote Functions
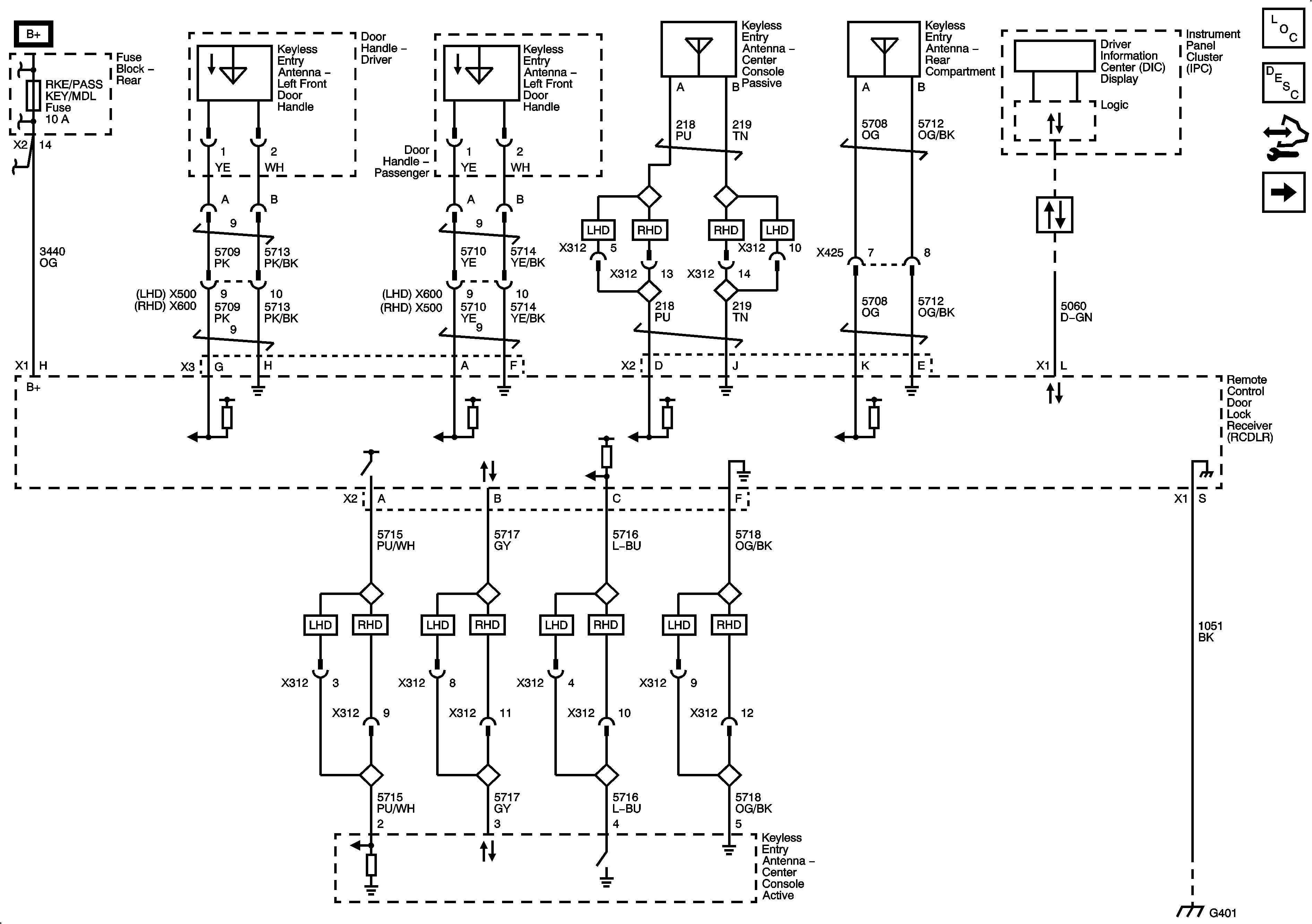
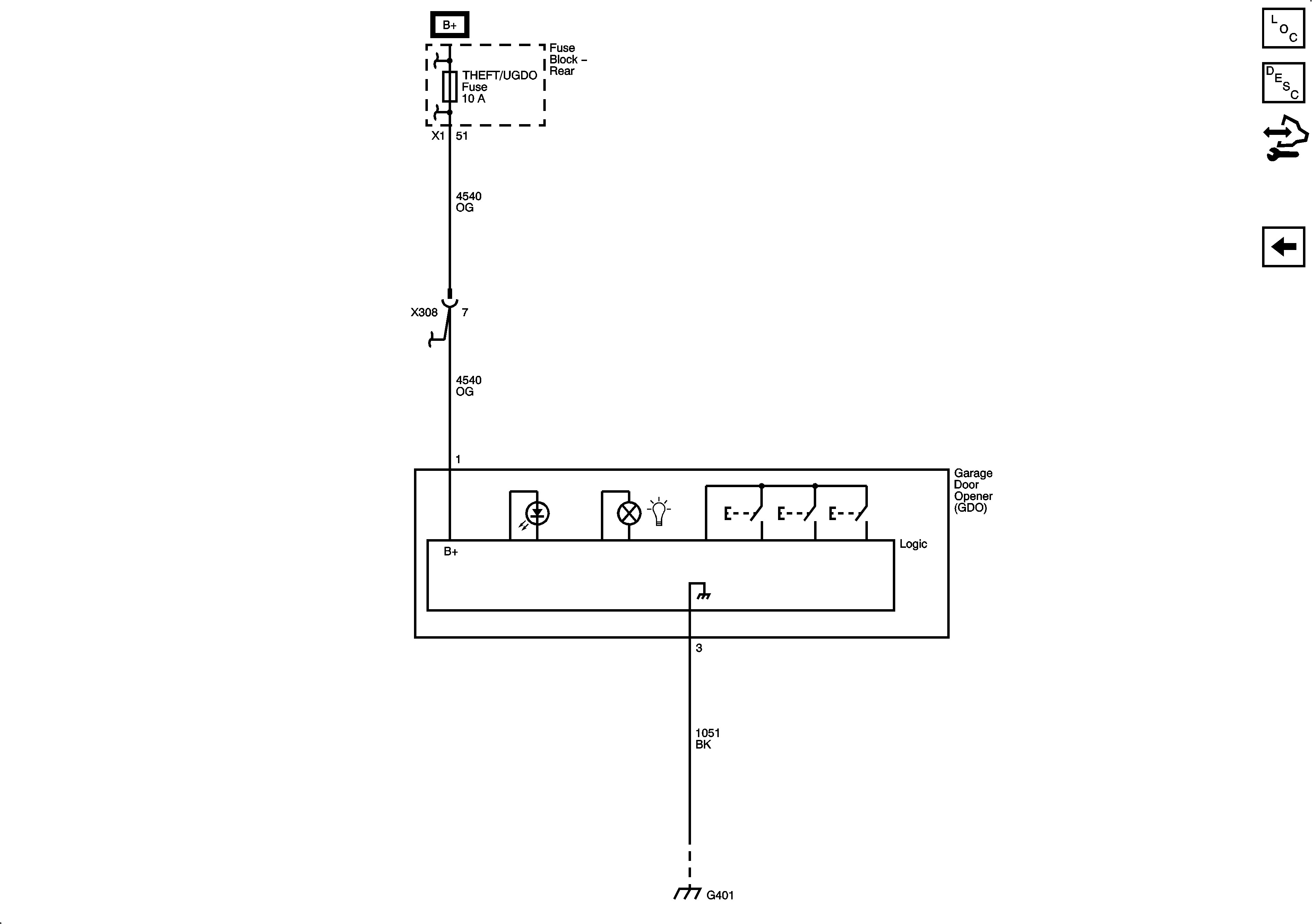
🢒 Remote Function Schematics
Figure
1:
Garage Door Opener - UG1
Figure
2:
Power, Grounds, Antennas, Indicator and Release Switch