GM Service Manual Online
For 1990-2009 cars only
Makes
🢒
Cadillac
🢒
2009
🢒
CTS
🢒
Safety and Security
🢒
Theft Deterrent
🢒 Theft Deterrent System Schematics
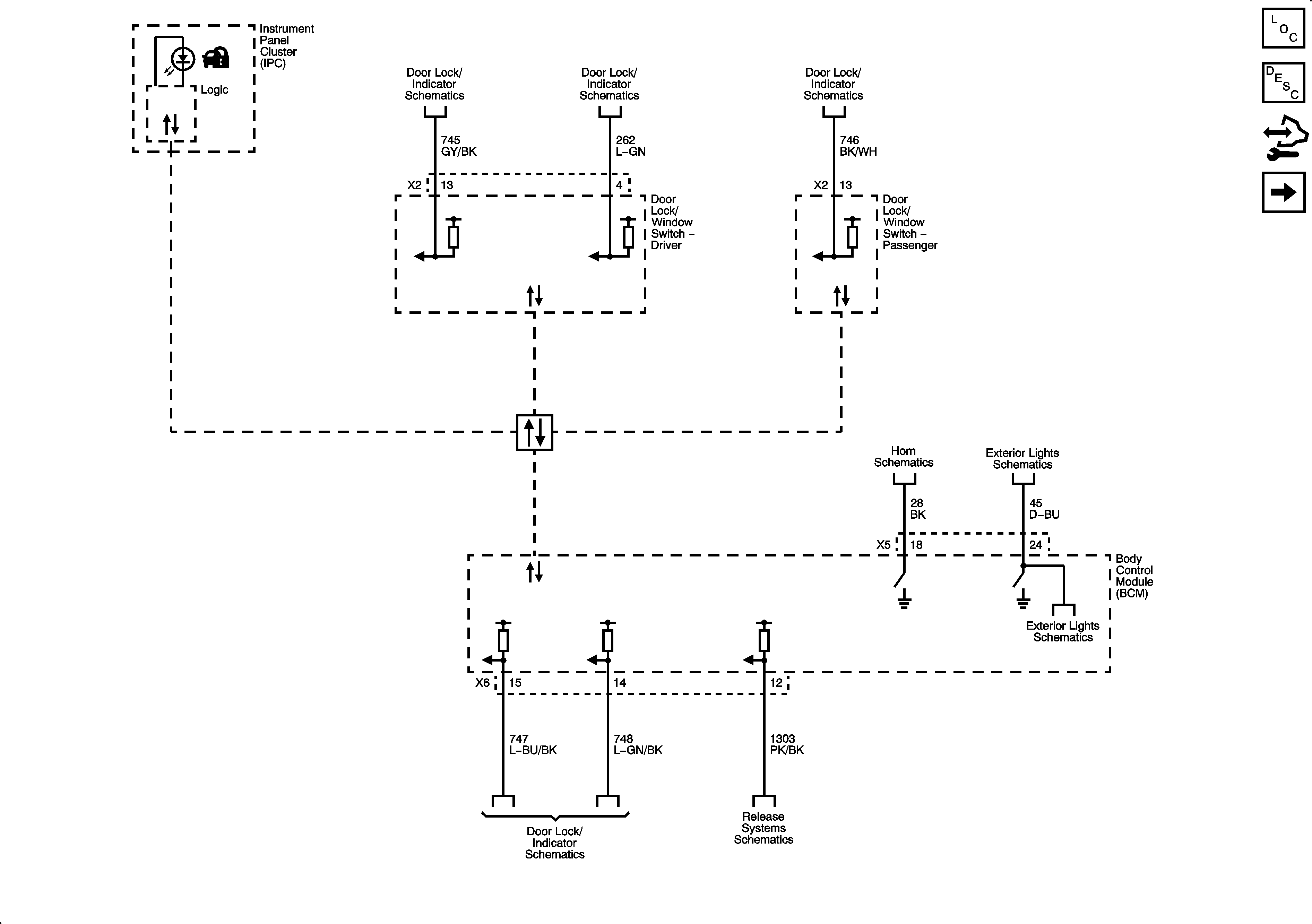
Figure
1:
(-UA2)
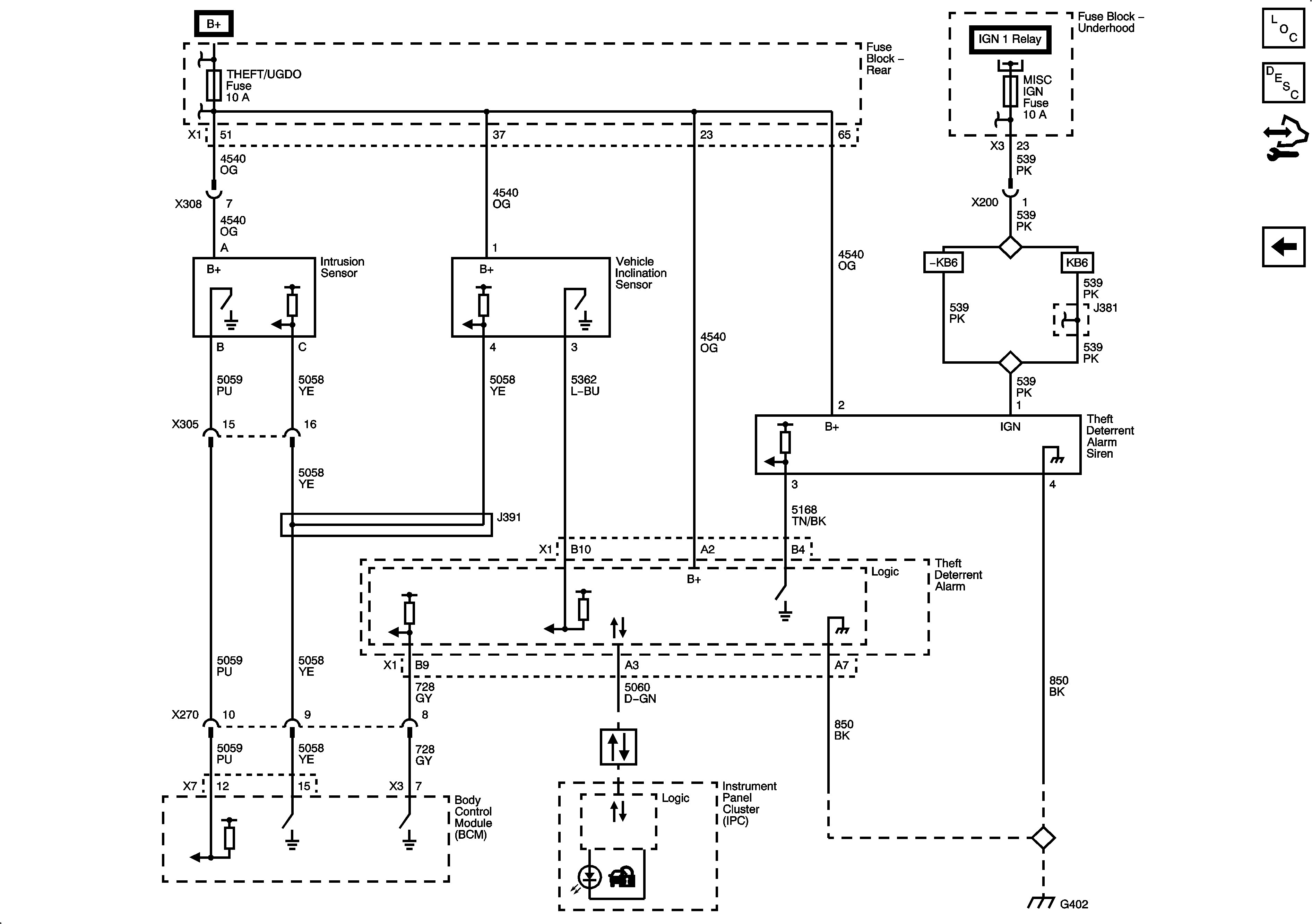
Figure
2:
(UA2)