GM Service Manual Online
For 1990-2009 cars only
Makes
🢒
Cadillac
🢒
2003
🢒
CTS - RHD
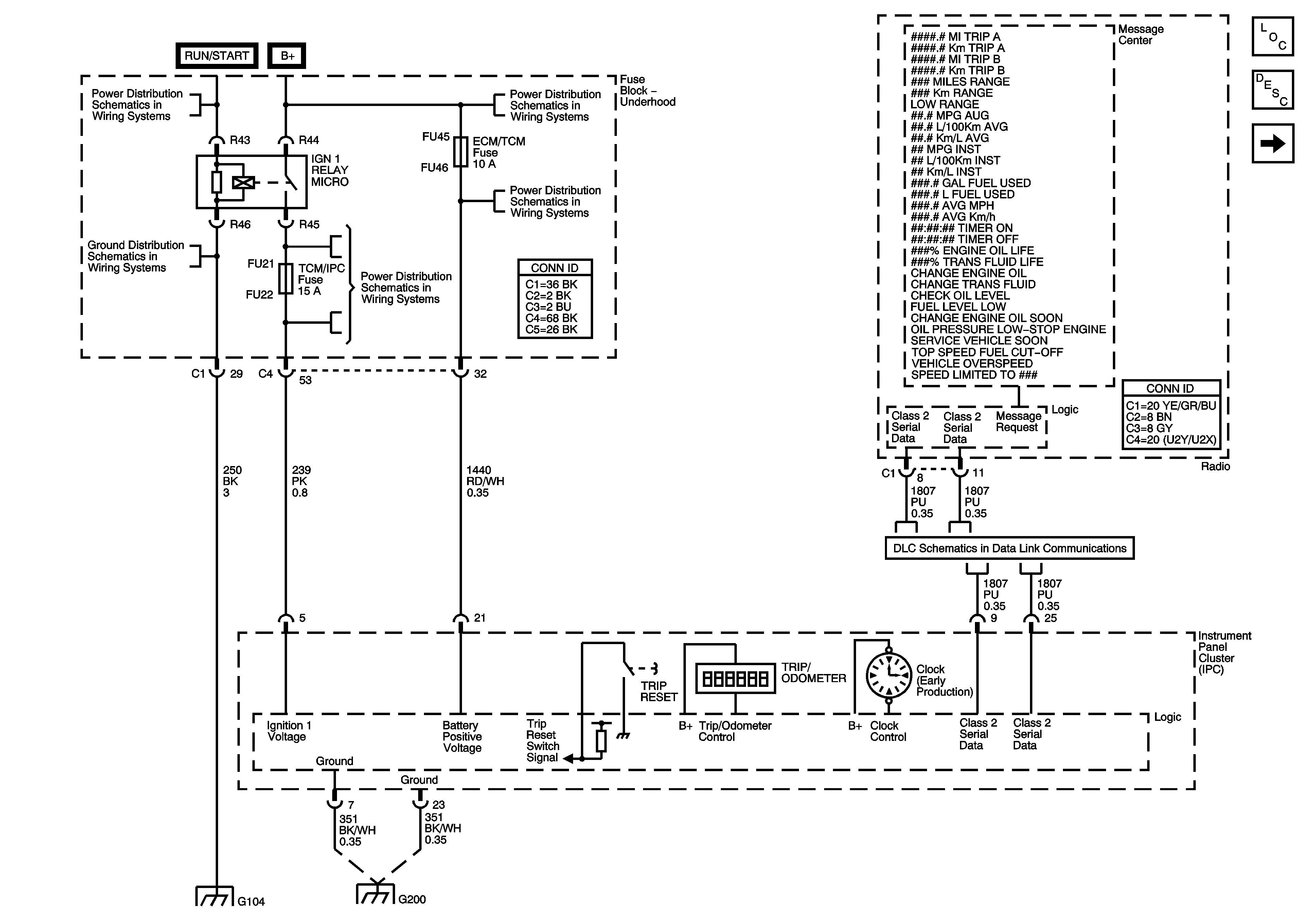
🢒 03 D Car Instrument Cluster Scematics - Power, Ground, DLC, Odometer, and Clock (Early Production)
03 D Car Instrument Cluster Scematics - Power, Ground, DLC, Odometer, and Clock (Early Production)
Power, Ground, DLC, Odometer, and Clock (Early Production)
Driver Information Center Schematic
Underhood Fuse Block - STARTER and IGN-1 Relays, CLUTCH, TCM/IPC, WASH NOZ, TURN SW, and HEATER VALVE Fuses
Class 2 (LHD) 1 of 2